

作品包括:
Word设计说明书1份
CAD版本图纸,共8张
摘要
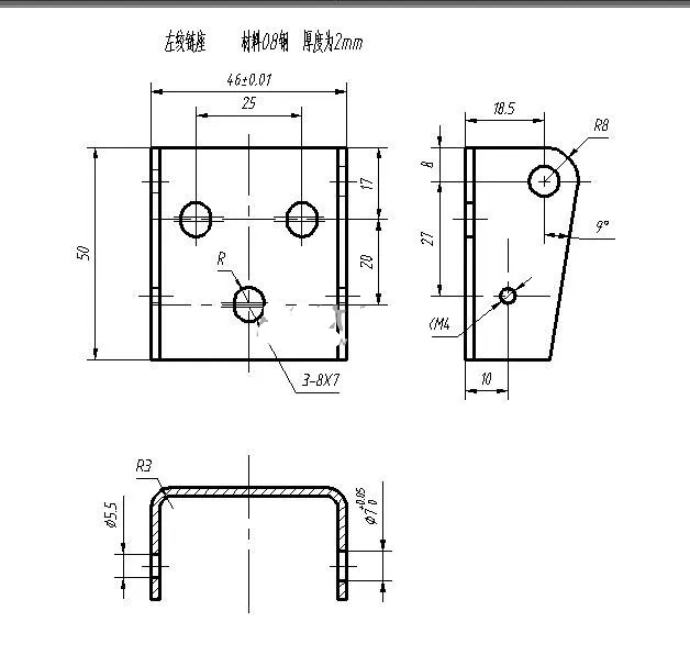
轴承盖零件落料拉深冲孔复合模设计 整体方案的制定 方案一:第一步采用落料模进行完成落料工序,然后用单工序拉深模,最后我们使用冲孔模进行底部孔的成型。 方案二:通过一个复合模来完成所有的工序,设计结构紧凑的落料拉伸复合模。 方案三:采用级进模 方案对比:方案 一采用模具较多,一个工件生产下来需要进过三个模具,不停的更换模具导致工件精度降低。方案三可以满足大批量生产的要求,但是由于采用级进模需要比较复杂的结构,而且没有凸缘的圆通件,必须使用自动送料装置,不够经济。方案二采用复合模,模具设计简单,能够采用最简单的设计,结构上也比较紧凑,能够满足我们生产的需要。 所以选择方案二,通过一个复合模来完成所有的工序,包含落料拉伸冲孔。
温馨提示:
1、题目前面的备注【字母数字编号】为本站整理分类的编号,与课题内容无关,请选题时忽视;
2、若题目上备注三维,则表示文件里包含三维源文件,由于三维组成零件数量较多,为保证预览截图的简洁性,本站将三维文件夹进行了打包。三维及CAD预览截图,均为本站电脑打开软件进行截图的,保证能够打开,下载原件超高清,下载后解压即可;
3、本站所有资源如无特殊说明,都需要本地电脑安装Office2007。图纸软件为AutoCAD,PROE,UG,SolidWorks,CATIA等;
4、本站所有图文资料仅供用户学习参考,不作为任何商用或其他用途;
5、本站不保证下载资源的准确性、安全性和完整性, 不包修改,不支持退换,同时也不承担用户因使用这些下载资源对自己和他人造成任何形式的伤害或损失;
6、 下载文件中如有侵权或不适当内容,请与我们联系,我们立即纠正。