

作品包括:
Word设计说明书1份
CAD版本图纸,共6张
摘要
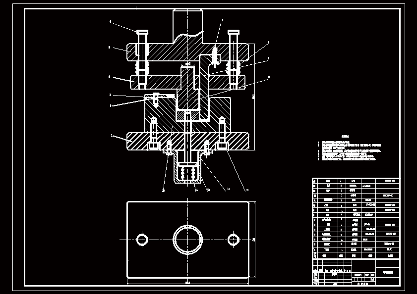
不锈钢弯曲件冲压模设计-直角板冲压模具设计 本文主要介绍了模具在现代工业中应用情况以及它的发展现状,发展方向。本设计以给定的零件来选择合理的模具,通过几种不同的模具比较最终定位采用复合模,工艺过程分为落料、冲孔、 弯曲成形,根据工艺要求确定了排样图,从而设计了凸凹模,确定各种力,确定模架查找标准件。最后一生产厂家和用户的角度对产品进行了技术经济分析。
温馨提示:
1、题目前面的备注【字母数字编号】为本站整理分类的编号,与课题内容无关,请选题时忽视;
2、若题目上备注三维,则表示文件里包含三维源文件,由于三维组成零件数量较多,为保证预览截图的简洁性,本站将三维文件夹进行了打包。三维及CAD预览截图,均为本站电脑打开软件进行截图的,保证能够打开,下载原件超高清,下载后解压即可;
3、本站所有资源如无特殊说明,都需要本地电脑安装Office2007。图纸软件为AutoCAD,PROE,UG,SolidWorks,CATIA等;
4、本站所有图文资料仅供用户学习参考,不作为任何商用或其他用途;
5、本站不保证下载资源的准确性、安全性和完整性, 不包修改,不支持退换,同时也不承担用户因使用这些下载资源对自己和他人造成任何形式的伤害或损失;
6、 下载文件中如有侵权或不适当内容,请与我们联系,我们立即纠正。