

作品包括:
Word设计说明书1份,共44页,约17000字
CAD版本图纸,共15张
UG三维图一份
摘要
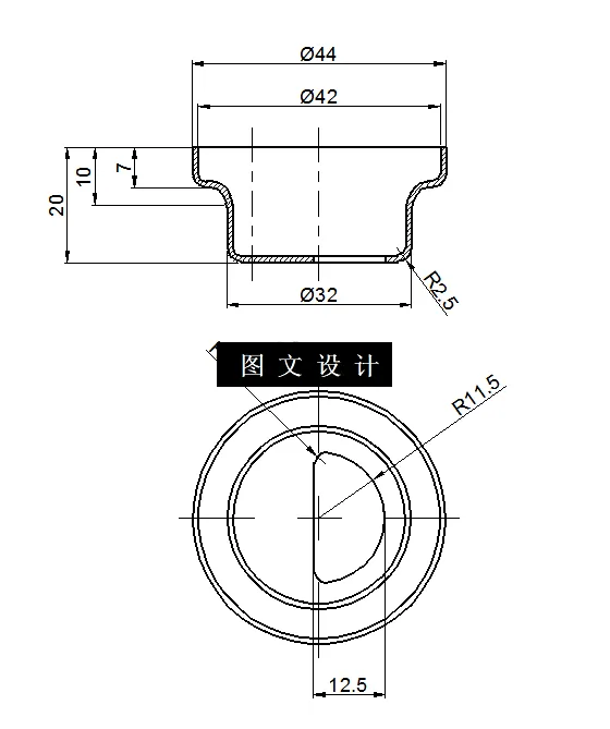
此设计为翻板防臭地漏冲压成形工艺及模具设计,材料厚度为2mm,根据零件的形状以及作用此制件材料为304不锈钢, 广泛使用于工业和食品医疗行业,具有良好的冲压性能,制件尺寸精度为IT12级,形状规则,尺寸大小为小型制件,年产量大批量,属于普通冲压, 本次设计的翻板防臭地漏零件具有冲孔、落料、拉伸等等不同的工序,设计时应特别注意零件的弯曲工序需要进行两次拉伸。对于该零件的加工肯定是不可能通过一次冲裁来加工的, 需要对零件的各个工序的加工进行设计以满足零件的加工。提供三维(UG格式)+二维装配图1张及主要零件图14张+设计报告文档( 文档约1.7W字 44页)。
温馨提示:
1、题目前面的备注【字母数字编号】为本站整理分类的编号,与课题内容无关,请选题时忽视;
2、若题目上备注三维,则表示文件里包含三维源文件,由于三维组成零件数量较多,为保证预览截图的简洁性,本站将三维文件夹进行了打包。三维及CAD预览截图,均为本站电脑打开软件进行截图的,保证能够打开,下载原件超高清,下载后解压即可;
3、本站所有资源如无特殊说明,都需要本地电脑安装Office2007。图纸软件为AutoCAD,PROE,UG,SolidWorks,CATIA等;
4、本站所有图文资料仅供用户学习参考,不作为任何商用或其他用途;
5、本站不保证下载资源的准确性、安全性和完整性, 不包修改,不支持退换,同时也不承担用户因使用这些下载资源对自己和他人造成任何形式的伤害或损失;
6、 下载文件中如有侵权或不适当内容,请与我们联系,我们立即纠正。