

作品包括:
说明书1份,共66页,约22000字左右
开题报告一份
CAD版本本图纸,共5张
摘 要
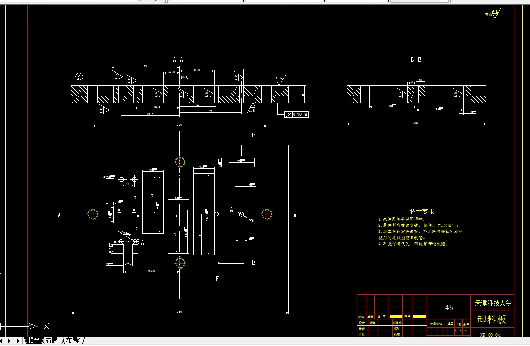
本说明书详细论述了继电器衔铁连接件冲压模具设计的全过程。冲压模具是指在冲压加工中,将材料(金属或非金属)加工成零件(或半成品)的一种特殊工艺装备。此模具包括了冲孔、弯曲基本工序,共六个工位。
说明书中详细介绍了模具的工作过程及其设计要点,包括落料的排样,冲孔落料各工艺参数的计算,压力机的选取及参数和模具的定位及导向,然后详细列出了刃口尺寸计算的过程,,模板尺寸的确定等等。
关键词:级进模; 冲孔与弯曲; 多工位
目 录
第一章 概述 ………………………………………………………………(1)
第一节 设计的目的及要求 …………………………………………(3)
第二节 设计任务…………………………………………………………(3)
第二章 冲裁件的工艺分析 …………………………………………(5)
第一节 材料…………………………………………………………………(5)
第二节 设计任务………………………………………………………(5)
第三章 零件的加工工艺方案 ………………………………………(7)
第一节 工艺方案的拟定 ………………………………………(7)
第二节 排样的设计与计算 ……………………………………(8)
第四章 模具压力的计算及压力中心的确定……………………(11)
第一节 模具工作压力的计算…………………………………………(11)
第二节 模具压力中心的计算…………………………………………(15)
第五章 模具凸凹模刃口工作尺寸计算……………………………(21)
第一节 模具冲裁模刃口工作尺寸计算……………………………(21)
第二节 弯曲凸凹模工作尺寸计算 …………………………………(26)
第六章 弹性元件校核和凸模强度校核……………………………(29)
第一节 弹性元件选取………………………………………………(29)
第二节 凸模强度校核 ……………………………………………(31)
第三节 压力机的选择……………………………………………(31)
第七章 模具结构及零件 …………………………………………(33)
第一节 模具结构介绍…………………………………………………(33)
第二节 模具结构简图…………………………………………………(36)
第八章 模具的装配与调试……………………………………………(37)
第一节 模具装配概述………………………………………………(37)
第二节 模具零件的固定方法………………………………………(37)
第三节 冷冲模的装配………………………………………………(37)
第四节 模具的试冲与调整…………………………………………(39)
参考文献……………………………………………………………………(40)
致 谢…………………………………………………………………………(41)
附录 冲压工艺卡…………………………………………………………(42)
温馨提示:
1、题目前面的备注【字母数字编号】为本站整理分类的编号,与课题内容无关,请选题时忽视;
2、若题目上备注三维,则表示文件里包含三维源文件,由于三维组成零件数量较多,为保证预览截图的简洁性,本站将三维文件夹进行了打包。三维及CAD预览截图,均为本站电脑打开软件进行截图的,保证能够打开,下载原件超高清,下载后解压即可;
3、本站所有资源如无特殊说明,都需要本地电脑安装Office2007。图纸软件为AutoCAD,PROE,UG,SolidWorks,CATIA等;
4、本站所有图文资料仅供用户学习参考,不作为任何商用或其他用途;
5、本站不保证下载资源的准确性、安全性和完整性, 不包修改,不支持退换,同时也不承担用户因使用这些下载资源对自己和他人造成任何形式的伤害或损失;
6、 下载文件中如有侵权或不适当内容,请与我们联系,我们立即纠正。