i218热交换器原理与设计课程设计-50KW满液式蒸发器
i217热交换器原理与设计课程设计-50KW壳管式干式蒸发器
i216热交换器原理与设计课程设计-45kW满液式蒸发器
i215热交换器原理与设计课程设计-40KW满液式蒸发器
i214热交换器原理与设计课程设计-35KW满液式蒸发器
i213热交换器原理与设计课程设计-35KW壳管式干式蒸发器
i212热交换器原理与设计课程设计-30KW满液式蒸发器
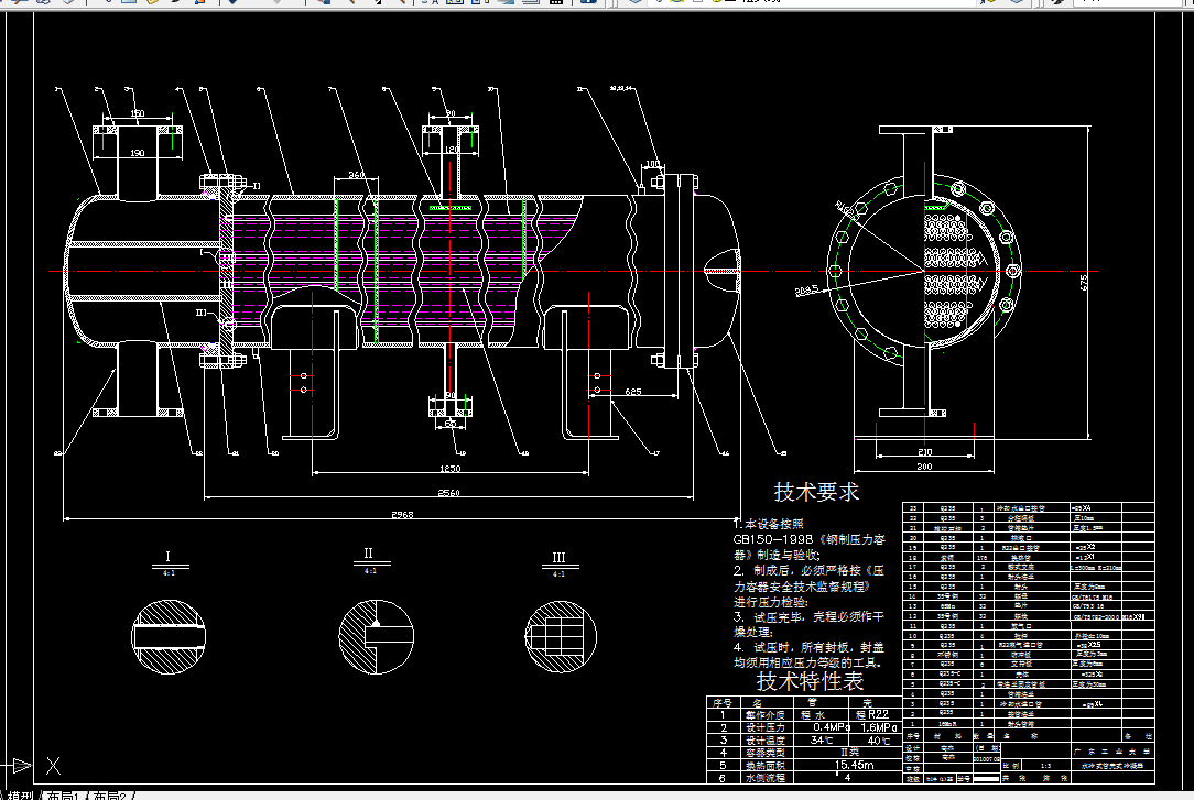
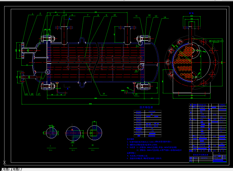
i211热交换器原理与设计-45KW壳管式干式蒸发器
i210热交换器原理与设计课程设计-90KW水冷冷凝器
i209换热器原理与设计课程设计-95KW水冷式冷凝器
i208换热器课程设计-110KW水冷式冷凝器
i207换热器课程设计-105KW水冷式冷凝器
i206换热器课程设计-100kw管壳水冷式冷凝器
i205换热器课程设计-85KW水冷式冷凝器
i204换热器课程设计-80KW水冷式冷凝器
i198-1500立方米内浮顶储罐设计
i197-组合机床动力滑台液压系统设计
i142-重庆市冷食品冷藏库的制冷工艺设计
i128-氧化沟工艺处理城市污水设计
i127-9000吨年氧化羰化制碳酸二甲酯合成工段工艺设计