

作品包括:
Word版说明书1份,共49页,约21000字
CAD版本图纸,共4张

目录
第一章 项目名称、主办单位名称、法人代表 1
1.1 项目名称 1
1.2 主办单位名称 1
1.3 法人代表 1
1.4 公司商标 1
第二章 苏氨酸工厂市场预测 1
2.1苏氨酸的介绍 1
2.1.1.苏氨酸的生理功能 2
2.1.2.苏氨酸的应用 3
2.2.设计的意义 3
2.2.1.设计的前景 3
第三章 建厂条件及厂址选择 4
3.1. 主要原料、燃料、动力供应 4
3.2.1. 原料供应 4
3.2.2. 水、电、热、燃料供应 4
3.2. 建厂条件 5
3.3. 厂址选择 5
3.3.1建厂条件分析 6
3.4环境影响评价 6
第四章 总平面布局 7
4.1. 厂区规划 7
4.2. 总平面设计 7
第五章 工厂工艺设计 8
5.1. 产品方案及班产量的确定 8
5.1.1. 产品方案 8
5.1.2. 班产量的确定 8
5.2. 生产方法选择和工艺流程 8
5.2.1. 生产方法选择 8
5.2.2. 工艺流程图 10
5.2.3. 发酵参数的确定 12
5.2.4. 提取工艺的确定 12
5.3. 物料衡算 13
5.3.1. 工艺技术指标 13
5.3.2. 物料衡算的计算 13
5.3.3. 物料衡算表 15
第六章 设备生产能力及选型 16
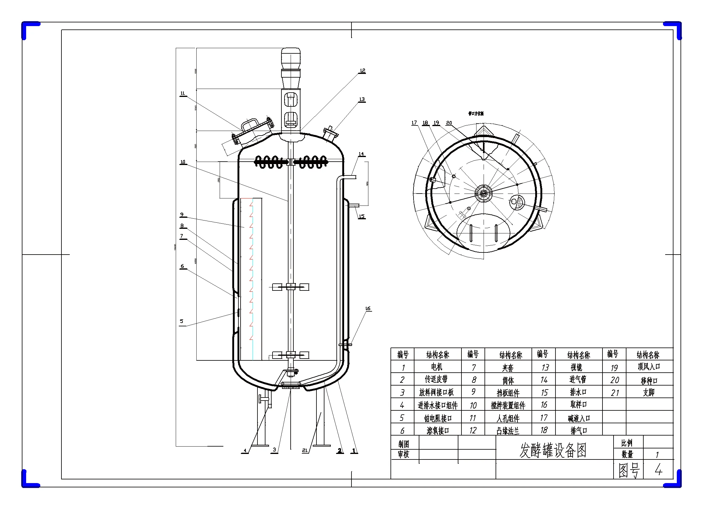
6.1. 发酵罐的选型 16
6.1.1. 发酵罐的计算 16
6.1.2. 发酵罐主要尺寸的计算 17
6.2. 种子罐的选型与设计 25
6.2.1. 二级种子罐容积和数量的确定 26
6.2.2. 主要尺寸的确定 26
6.3. 空气分过滤器 31
6.4. 陶瓷过滤器的选型 32
6.5. 三效降膜浓缩器的选型 32
6.6. 超滤设备的选型 32
6.7. 板框压滤机的选型 32
6.8. 真空干燥器的选型 33
6.9. 真空浓缩结晶锅的选型 33
6.10. 离心设备的选型 33
6.11. 发酵车间设备一览表 33
6.12. 生产车间工艺布置 33
第七章 劳动力计算 34
7.1. 企业组织 34
7.2.工作制度 35
7.3劳动定员 35
第八章 水、电、气用量计算 35
8.1. 用水量估算 35
8.2. 年蒸汽用量估算 36
8.3. 用电量估算 37
第九章 工厂卫生 38
9.1. 工厂内部建筑卫生 38
9.2. 设备卫生 38
9.3. 厂区卫生 38
9.4. 个人卫生 39
9.5. 车间卫生 39
第十章 环境保护与安全生产 39
10.1. 环境现状 39
10.2. 主要污染源与污染物 39
10.3. 对策与措施 39
第十一章 设计概算 41
第十二章 技术经济分析 42
12.1. 原辅料成本 42
12.2. 包装材料成本 42
12.3. 水电费核算 43
12.4职工工资 43
12.5. 销售收入 43
12.6. 税金 43
12.7. 利润 44
12.8.风险 44
12.9.风险防范 44
12.9.1.内部风险防范 44
12.9.2. 外部风险防范 44
12.10.应急预案及计划 45
第十三章 项目实施进度 45
第十四章 营销策略 45
参考文献 46
图表说明 错误!未定义书签。
温馨提示:
1、题目前面的备注【字母数字编号】为本站整理分类的编号,与课题内容无关,请选题时忽视;
2、若题目上备注三维,则表示文件里包含三维源文件,由于三维组成零件数量较多,为保证预览截图的简洁性,本站将三维文件夹进行了打包。三维及CAD预览截图,均为本站电脑打开软件进行截图的,保证能够打开,下载原件超高清,下载后解压即可;
3、本站所有资源如无特殊说明,都需要本地电脑安装Office2007。图纸软件为AutoCAD,PROE,UG,SolidWorks,CATIA等;
4、本站所有图文资料仅供用户学习参考,不作为任何商用或其他用途;
5、本站不保证下载资源的准确性、安全性和完整性, 不包修改,不支持退换,同时也不承担用户因使用这些下载资源对自己和他人造成任何形式的伤害或损失;
6、 下载文件中如有侵权或不适当内容,请与我们联系,我们立即纠正。