

作品包括:
Word版设计说明书1份
中期报告一份
CAD版本图纸,共7张
摘要
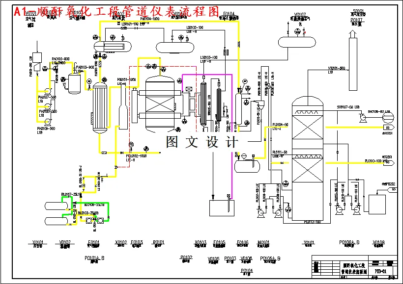
这次任务是15000吨/年顺酐氧化回收工段的设计,通过将不同工艺生产路线的作比较,确定了当今国内外应用广泛且经济可行方法,即以苯为原料,用V2O5为催化剂,且采用固定床反应器进行生产。反应产物经过部分冷凝,水吸收,间歇恒沸减压精馏 以及减压精制等过程得到最后的顺酐。在这次设计中,重点对水吸收塔及其重要设备进行了设计和选型,并对整个过程进行了物料衡算和能量衡算,通过分析及查阅各种资料,选出了整个车间的设备。并且根据施工图的要求进行了PID图的设计,车间布置图的设计以及顺酐水洗塔装配图的设计,并用CAD软件进行了绘图。此外,通过对整个流程的计算与分析,提出了安全有效率的节能措施,对副产物的回收利用及“三废”治理都提出了安全有效可行的方法。比如顺酸的回收利用,各种气体的回收利用,减少了对空气的污染,对原料及产物得到了充分利用,提高了生产效率,从而节约了成本,提高了效益;并对车间的安全性进行了周密分析,对项目的可行性进行了研究以及原材料动力消耗、成本预算、车间定员及生产控制分析进行了详细的探讨,为顺利建厂提供了安全有效的生产工艺、图纸及各种资料。
温馨提示:
1、题目前面的备注【字母数字编号】为本站整理分类的编号,与课题内容无关,请选题时忽视;
2、若题目上备注三维,则表示文件里包含三维源文件,由于三维组成零件数量较多,为保证预览截图的简洁性,本站将三维文件夹进行了打包。三维及CAD预览截图,均为本站电脑打开软件进行截图的,保证能够打开,下载原件超高清,下载后解压即可;
3、本站所有资源如无特殊说明,都需要本地电脑安装Office2007。图纸软件为AutoCAD,PROE,UG,SolidWorks,CATIA等;
4、本站所有图文资料仅供用户学习参考,不作为任何商用或其他用途;
5、本站不保证下载资源的准确性、安全性和完整性, 不包修改,不支持退换,同时也不承担用户因使用这些下载资源对自己和他人造成任何形式的伤害或损失;
6、 下载文件中如有侵权或不适当内容,请与我们联系,我们立即纠正。