

作品包括:
Word版设计说明书1份
CAD版本图纸,共2张
摘要
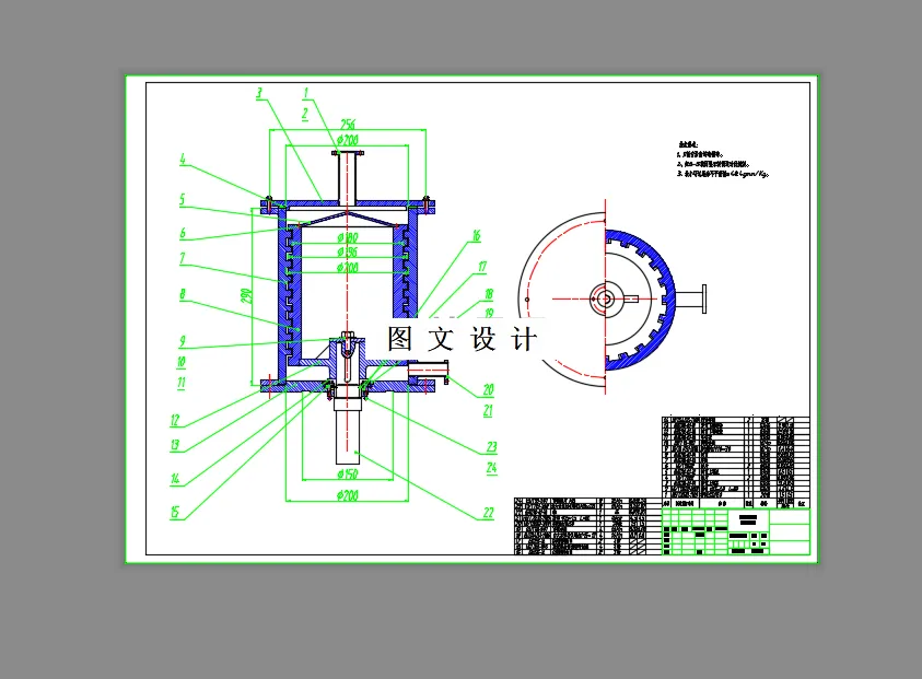
空化是指当液体内局部压力低至液体的饱和蒸汽压时,液体汽化形成大量空泡,空泡会随着压力的变化而溃灭的过程。根据空化机理设计出来的设备多种多样,设备的结构主要有孔板式、文丘里管、盘式和筒式四大类。本文首先分析了国内外关于空化的相关研究,发现设计基于空化技术的高效、节能的空化设备一直是空化领域重要的研究课题。为此,本文设计了一种新型的齿筒式空化器。主要针对齿筒式空化器的总体结构和结构强度进行了设计分析和校核。设计出来的齿筒式空化器的空化区域大,空化程度剧烈。
温馨提示:
1、题目前面的备注【字母数字编号】为本站整理分类的编号,与课题内容无关,请选题时忽视;
2、若题目上备注三维,则表示文件里包含三维源文件,由于三维组成零件数量较多,为保证预览截图的简洁性,本站将三维文件夹进行了打包。三维及CAD预览截图,均为本站电脑打开软件进行截图的,保证能够打开,下载原件超高清,下载后解压即可;
3、本站所有资源如无特殊说明,都需要本地电脑安装Office2007。图纸软件为AutoCAD,PROE,UG,SolidWorks,CATIA等;
4、本站所有图文资料仅供用户学习参考,不作为任何商用或其他用途;
5、本站不保证下载资源的准确性、安全性和完整性, 不包修改,不支持退换,同时也不承担用户因使用这些下载资源对自己和他人造成任何形式的伤害或损失;
6、 下载文件中如有侵权或不适当内容,请与我们联系,我们立即纠正。