

作品包括:
Word设计说明书1份,共55页,约14000字
CAD版本图纸,共5张

摘要
在改革开放四十年之际,我国的电力行业发展非常迅速,许多以电力为基础的高科技产业也在国际上崭露头角。电力的供应离不开变电站,可见变电站对于我们生活、生产的重要性。本论文以一个实际背景为资料,对某110kV变电站进行电气设计,此变电站有三个电压等级分别是110kV、35kV和10kV。本设计中主要包括一次设计和部分二次设计,一次设备主要包括主接线选择、主变压器选择、短路电流计算、一次设备选择与防雷保护等,二次设计主要包括继电保护,最后还要使用CAD制图软件完成相关的图纸绘制。
关键词:变电站 电气设计 一次设计 二次设计
目 录
第1章 背景资料分析 1
第2章 电气主接线的确定 1
2.1. 概述 1
2.2. 主接线形式的确定 2
2.2.1. 设备费用 6
2.2.2. 最终方案确定 6
第3章 主变压器的选择 7
3.1. 变压器的选择原则 7
3.2. 主变台数的确定 7
3.3. 主变压器容量的确定 7
3.3.1. 负荷计算 7
3.3.2. 无功补偿计算 9
3.3.3. 主变压器容量的确定 10
3.4. 主变压器类型的确定 10
3.4.1. 相数的选择 10
3.4.2. 绕组形式 10
3.4.3. 普通型和自耦型的选择 10
3.4.4. 中性点的接地方式 11
3.4.5. 主变压器型号 11
3.5. 所用变压器类型的确定 11
3.5.1. 所用变压器台数的确定 11
3.5.2. 所用变压器容量的确定 11
3.5.3. 所用变压器形式的确定 11
第4章 短路电流 13
4.1. 短路电流的概述 13
4.2. 短路电流的分类 13
4.3. 短路电流计算的步骤 13
4.4. 短路电流计算 13
4.4.1. 确定基准值 13
4.4.2. 变压器参数计算 13
4.4.3. 计算k1、k2、k3点的三相短路电流 14
4.4.4. 110kV侧k1点三相短路电流计算 15
4.4.5. 35kV侧k2点三相短路电流计算 16
4.4.6. 10kV侧k3点三相短路电流计算 17
第5章 电气设备选择 18
5.1. 电气设备选择的原则 18
5.2. 断路器的选择 18
5.2.1. 110kV断路器选型 18
5.2.2. 35kV断路器选型 19
5.2.3. 10kV断路器选型 20
5.3. 隔离开关的选择 22
5.3.1. 110kV侧隔离开关选型 22
5.3.2. 35kV侧隔离开关选型 23
5.3.3. 10kV侧隔离开关的选择和校验 24
5.4. 母线的选择 25
5.4.1. 110KV母线的选择与校验 25
5.4.2. 35KV母线的选择与校验 26
5.4.3. 10kV母线的选择与校验 27
5.5. 互感器的选择 28
5.5.1. 电压互感器的选择 28
5.5.2. 电流互感器的选择 29
5.6. 开关柜选择 33
5.6.1. 35kV开关柜选择 33
5.6.2. 10kV开关柜选择 34
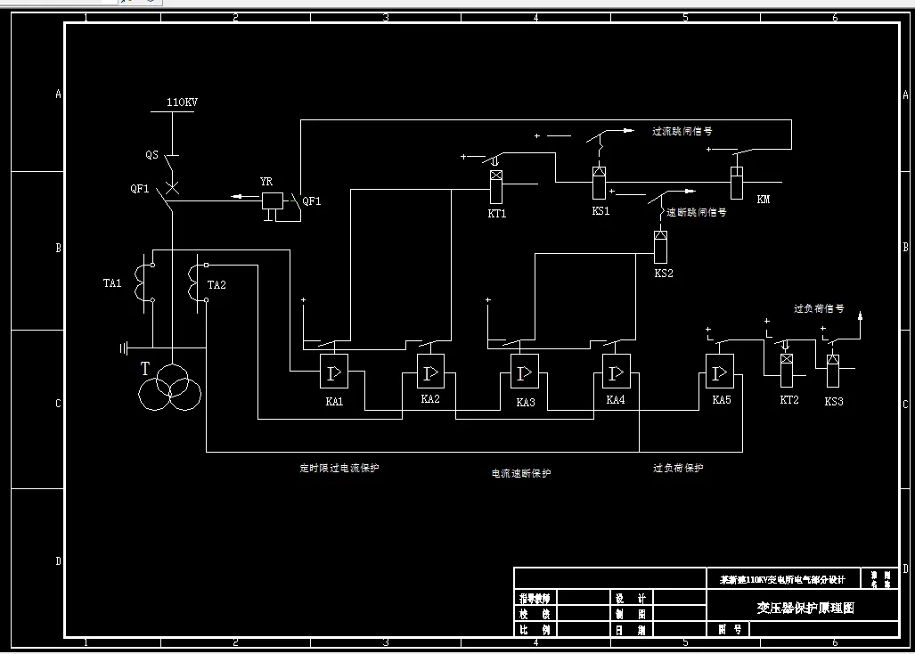
第6章 电力变压器保护 36
6.1. 电力变压器保护概述 36
6.1.1. 电力变压器差动保护接线 36
6.1.2. 差动动保护的整定计算 36
6.1.3. 变压器瓦斯保护 37
6.1.4. 过电流保护 38
第7章 线路保护 39
7.1. 线路保护概述 39
7.2. 35kV侧线路保护 39
7.3. 10kV侧线路保护 39
第8章 配电装置选择 41
8.1. 配电装置概述 41
8.2. 配电装置的分类 41
8.3. 配电装置的确定 42
8.4. 安全净距 42
第9章 防雷保护 44
9.1. 防雷保护概述 44
9.2. 避雷器的选择 44
9.2.1. 110kV避雷器选型 44
9.2.2. 35kV避雷器选型 44
9.2.3. 10kV避雷器选型 45
9.3. 避雷针的选择 45
第10章 致谢 47
参 考 文 献 48
温馨提示:
1、题目前面的备注【字母数字编号】为本站整理分类的编号,与课题内容无关,请选题时忽视;
2、若题目上备注三维,则表示文件里包含三维源文件,由于三维组成零件数量较多,为保证预览截图的简洁性,本站将三维文件夹进行了打包。三维及CAD预览截图,均为本站电脑打开软件进行截图的,保证能够打开,下载原件超高清,下载后解压即可;
3、本站所有资源如无特殊说明,都需要本地电脑安装Office2007。图纸软件为AutoCAD,PROE,UG,SolidWorks,CATIA等;
4、本站所有图文资料仅供用户学习参考,不作为任何商用或其他用途;
5、本站不保证下载资源的准确性、安全性和完整性, 不包修改,不支持退换,同时也不承担用户因使用这些下载资源对自己和他人造成任何形式的伤害或损失;
6、 下载文件中如有侵权或不适当内容,请与我们联系,我们立即纠正。