

作品包括:
说明书一份,共48页,约15000字
CAD版本图纸,共10张
摘要
现代汽车上广泛采用活塞式内燃机作为动力源,其转矩和转速变化范围较小,而复杂的使用条件则要求汽车的牵引力和车速能在相当大的范围内变化。为了解决这一矛盾,在传动系中设置了变速器。根据汽车在不同的行驶条件下提出的要求,改变发动机的扭矩和转速,使汽车具有合适的牵引力和速度,并同时保持发动机在最有利的工况范围内工作。此外,为保证汽车倒车及使发动机和传动系能够分离,变速器应具有倒档和空档。一般的,变速器设有倒档和空档,以使在不改变发动机旋转方向的情况下,汽车能够倒退行驶和空档滑行、或停车时发动机和传动系统保持分离。在有动力输出需要时,还应有功率输出装置。
本设计的任务是设计一台用于微型客车上的手动变速器。本设计采用中间轴式变速器,该变速器具有两个突出的优点:一是其直接档的传动效率高,磨损及噪声也最小;二是在齿轮中心距较小的情况下仍然可以获得较大的一档传动比。其功用是改变汽车传动比,增大汽车驱动轮转矩和发动机转速的变化范围,以适应经常变化的行驶条件,如起步、加速、上坡等,可以使发动机在有利的工况下工作;当发动机扭转方向不变时,能使汽车倒行;利用空档,结束动力传递,可以让发动机起动、怠速,可以使发动机换档,输出动力。这台变速器具有五个前进档和一个倒档,并通过锁环式同步器来实现换档。
关键词 变速器;锁环式同步器;传动比;校核
目录
摘要
Abstract
1 前言 1
1.1 本次设计的意义及目的 1
1.2 变速器的发展现状 1
1.3 变速器设计面临的主要问题 1
1.4 变速器设计综述 1
2 变速器的总体方案设计 3
2.1 设计已知条件 3
2.2 变速器的功用及设计要求 3
2.3 变速器传动机构的型式选择与结构分析 3
2.3.1 三轴式变速器与两轴式变速器 3
2.3.2 变速器主传动方案比较 4
2.3.3 倒档的布置方案 5
2.4 变速器主要零、部件的结构方案分析 5
2.4.1 齿轮型式 5
2.4.2 换挡结构型式 6
2.4.3 轴承型式 6
2.5 传动方案的设计 6
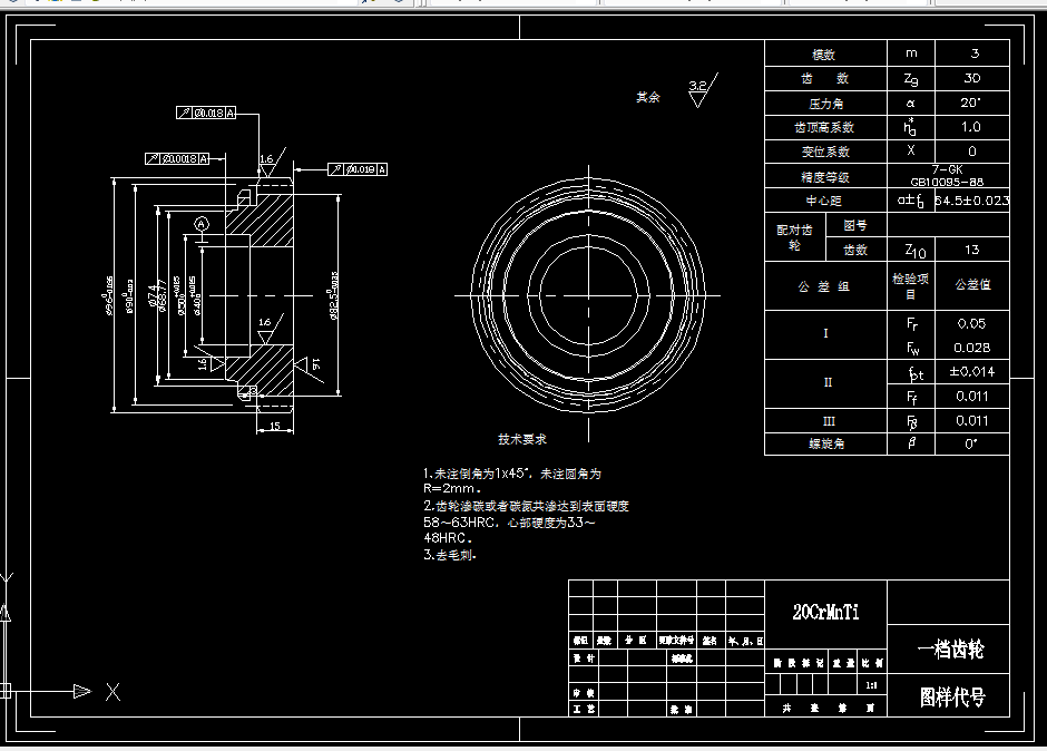
3 变速器主要参数的选择与齿轮设计 7
3.1 变速器主要参数的选择 7
3.1.1 确定最小传动比 7
3.1.2 确定最大传动比 8
3.1.3 档位数及传动比的确定 9
3.1.4 确定中心距A 9
3.1.5 确定外形尺寸 9
3.1.6 确定齿轮参数 10
4 变速器齿轮材料选择与强度计算 13
4.1 计算各轴的转矩 13
4.2 齿轮强度计算与校核 13
4.2.1 齿轮弯曲应力计算 13
4.2.2 齿轮轮齿接触应力计算 16
4.2.3 计算各档齿轮的受力 19
5 变速器轴的强度计算与校核 22
5.1 变速器轴的结构与尺寸 22
5.1.1 轴的结构 22
5.1.2 轴的尺寸 22
5.2 轴的强度校核 22
6 锁环式同步器设计 34
6.1 锁环式同步器结构 34
6.2 锁环式同步器工作原理 34
6.3 锁环式同步器主要尺寸的确定 35
6.4 同步器主要参数确定 35
6.4.1 摩擦因数f 35
6.4.2 同步环主要尺寸确定 35
6.4.3 锁止角 36
7 轴承选取及校核 37
7.1 二轴前端滚针轴承选取及校核 37
7.1.1 滚针轴承的选取 37
7.1.2 滚针轴承接触应力校核 37
7.2 一档滚针轴承选取及校核 37
7.2.1 滚针轴承的选取 37
7.2.2 滚针轴承接触应力校核 37
7.3 倒档滚针轴承选取及校核 38
7.3.1 滚针轴承的选取 38
7.3.2 滚针轴承接触应力校核 38
7.4 二轴轴承选取及校核 38
7.4.1 初选二轴轴承 38
7.4.2 二轴轴承寿命校核 38
7.5 中间轴轴承选取及校核 39
7.5.1 初选中间轴轴承 39
7.5.2 中间轴轴承寿命校核 39
结论 40
参考文献 41
致谢 42
温馨提示:
1、题目前面的备注【字母数字编号】为本站整理分类的编号,与课题内容无关,请选题时忽视;
2、若题目上备注三维,则表示文件里包含三维源文件,由于三维组成零件数量较多,为保证预览截图的简洁性,本站将三维文件夹进行了打包。三维及CAD预览截图,均为本站电脑打开软件进行截图的,保证能够打开,下载原件超高清,下载后解压即可;
3、本站所有资源如无特殊说明,都需要本地电脑安装Office2007。图纸软件为AutoCAD,PROE,UG,SolidWorks,CATIA等;
4、本站所有图文资料仅供用户学习参考,不作为任何商用或其他用途;
5、本站不保证下载资源的准确性、安全性和完整性, 不包修改,不支持退换,同时也不承担用户因使用这些下载资源对自己和他人造成任何形式的伤害或损失;
6、 下载文件中如有侵权或不适当内容,请与我们联系,我们立即纠正。