

作品包括:
Word版说明书一份,21页,约6100字
CAD版本图纸,共4张

摘要
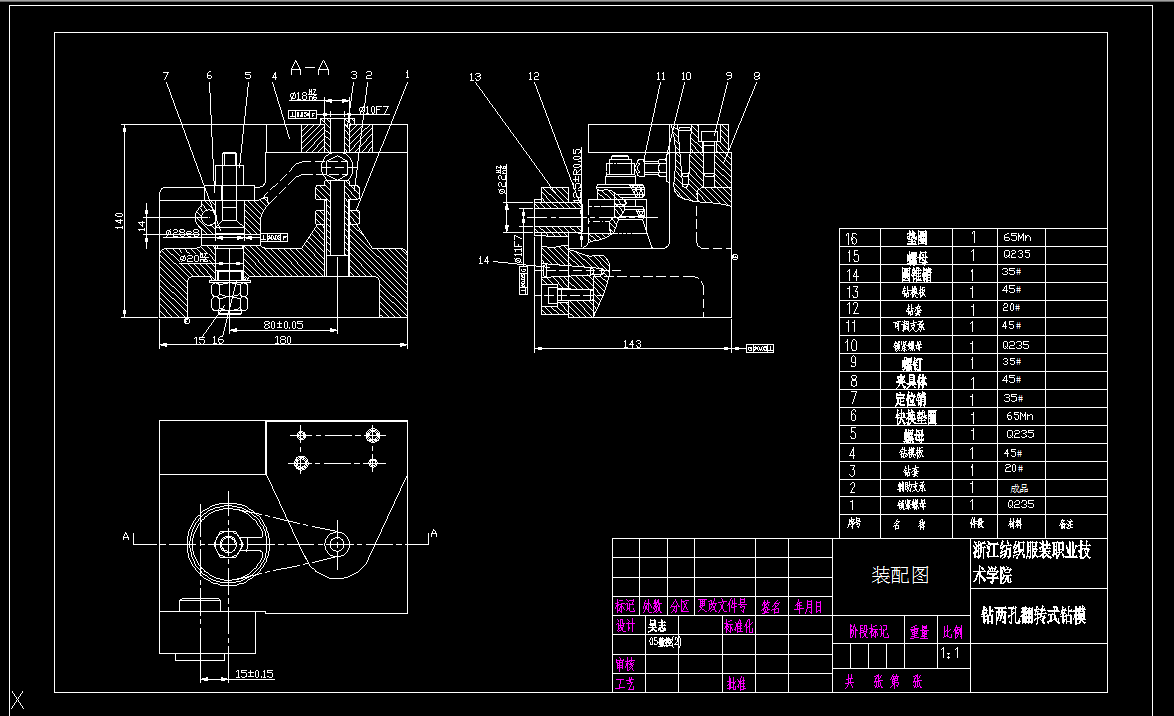
本设计的零件为杠杆零件,选用⒋⒌号钢。根据零件的形状、尺寸精度、生产的经济效益等各方面的详细分析其加工工
艺,多采钻床加工。通过对零件的分析,此工件外形轮廓尺寸小,重量轻,加工要求不高,生产批量不大。因此在保证
质量和提高生产率的前提下,尽量简化结构,做到经济合理。
关键词:钻床加工,杠杆零件,尺寸精度。
目 录
摘要: 1
前 言 3
绪 言 4
1 毕业设计的目的 4
2 毕业设计的基本任务与要求 4
2.1 设计基本任务 4
2.2 设计要求 4
3 毕业设计说明书的编写 5
杠杆零件工艺设计与工装设计 5
1. 基本任务: 5
2. 设计要求: 6
3. 方法和步骤: 6
3.1 生产纲领 6
3.2 零件图审查 6
4. 钻床夹具设计 7
4.1 设计任务 7
4.2 设计方法和步骤 8
4.3 夹紧装置的设计 12
4.4 导向装置的设计及其他装置结构.夹具体的确定 15
4.5 绘制夹具结构图 17
4.6 确定夹具技术要求和有关尺寸,公差配合 17
4.7 夹具精度分析与计算 18
4.8 绘制夹具非标准零件 18
4.9 工艺卡 19
结 论 20
致 谢 21
参考文献项目 21
温馨提示:
1、题目前面的备注【字母数字编号】为本站整理分类的编号,与课题内容无关,请选题时忽视;
2、若题目上备注三维,则表示文件里包含三维源文件,由于三维组成零件数量较多,为保证预览截图的简洁性,本站将三维文件夹进行了打包。三维及CAD预览截图,均为本站电脑打开软件进行截图的,保证能够打开,下载原件超高清,下载后解压即可;
3、本站所有资源如无特殊说明,都需要本地电脑安装Office2007。图纸软件为AutoCAD,PROE,UG,SolidWorks,CATIA等;
4、本站所有图文资料仅供用户学习参考,不作为任何商用或其他用途;
5、本站不保证下载资源的准确性、安全性和完整性, 不包修改,不支持退换,同时也不承担用户因使用这些下载资源对自己和他人造成任何形式的伤害或损失;
6、 下载文件中如有侵权或不适当内容,请与我们联系,我们立即纠正。