欢迎来到龙图网在线图文分享平台-CAD图纸,设计说明书,工业设计3D模型,三维软件下载!   客服QQ:2363701252
热搜:

工艺夹具 模具设计 数控编程 土木工程 3D模型

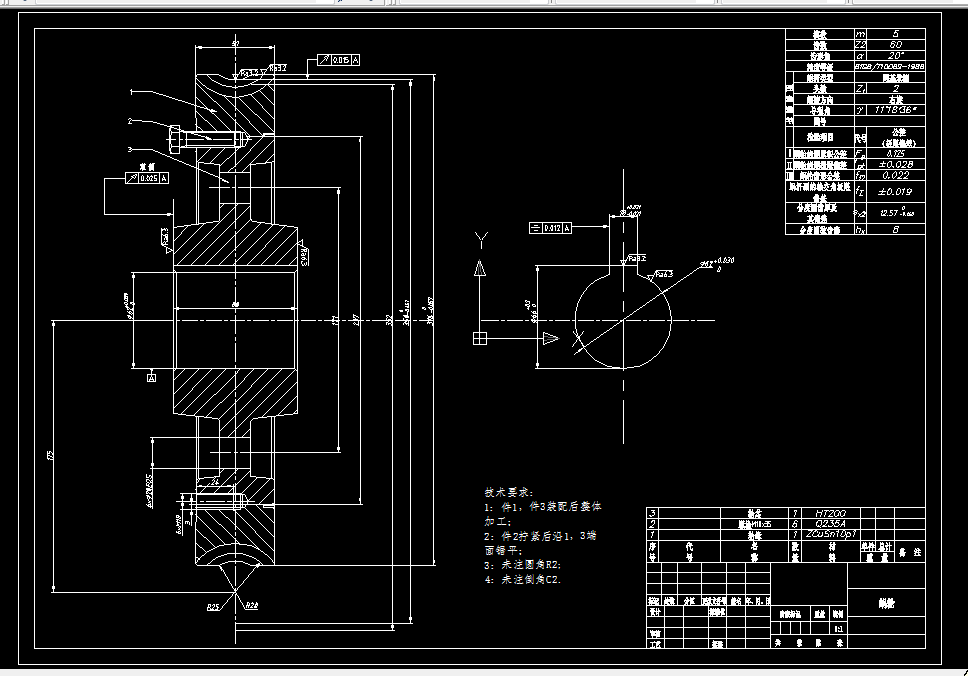
M650-一级蜗轮蜗杆减速器设计F=2400 V=1 D=400 下载积分:50 资料编号: M650

1.打开支付宝或者微信扫描二维码。
2.填写金额:50 
3.添加备注,填写资料编号:
资料编号: M650
4.支付成功后,请发资料编号到邮箱:jxsj168@qq.com
会有专人在15分钟内把资料发到您邮箱
备注:如果付款忘记填写资料编号,则发邮件时附带您的交易明细截图即可。
请耐心等待,如超过30分钟还没收到,请联系客服QQ:2363701252
点击分享:

作品描述

作品包括:

说明书1份,共23页,约7400字左右

CAD图版本图纸,共3张



   目录

第一部分  课程设计任务书 3

1.1设计题目 3

1.2减速器设计步骤 3

第二部分  传动装置总体设计方案 3

2.1传动方案 3

2.2该方案的优缺点 3

第三部分  电动机选择 4

3.1选择电动机的类型 4

3.2确定传动装置的效率 4

3.3选择电动机参数 4

3.4确定电动机型号 4

3.5确定传动装置的总传动比和分配传动比 5

第四部分  计算传动装置运动学和动力学参数 6

4.1电动机输出参数 6

4.2高速轴Ⅰ的参数 6

4.3低速轴Ⅱ的参数 6

4.4工作机轴的参数 6

第五部分  减速器蜗杆副传动设计计算 7

5.1选择蜗杆传动类型 7

5.2选择材料 7

5.3按齿面接触疲劳强度进行设计 7

5.4蜗杆与涡轮的主要参数与几何尺寸 8

5.5校核齿根弯曲疲劳强度 9

5.6验算效率η 9

5.7热平衡计算 9

第六部分  轴的设计 10

6.1高速轴设计计算 10

6.2低速轴设计计算 14

第七部分  滚动轴承寿命校核 17

7.1高速轴上的轴承校核 17

7.2低速轴上的轴承校核 17

第八部分  键联接设计计算 18

8.1高速轴与联轴器键连接校核 18

8.2低速轴与涡轮键连接校核 19

8.3低速轴与联轴器键连接校核 19

第九部分  联轴器的选择 19

9.1高速轴上联轴器 19

9.2低速轴上联轴器 20

第十部分  减速器的密封与润滑 20

10.1减速器的密封 20

10.2轴承的润滑 20

第十一部分  减速器附件 21

11.1油面指示器 21

11.2通气器 21

11.3放油孔及放油螺塞 21

11.4窥视孔和视孔盖 22

11.5定位销 22

11.6启盖螺钉 22

11.7螺栓及螺钉 22

第十二部分  减速器箱体主要结构尺寸 22

第十三部分  设计小节 23

第十四部分  参考文献 23


温馨提示:

1、题目前面的备注【字母数字编号】为本站整理分类的编号,与课题内容无关,请选题时忽视;

2、若题目上备注三维,则表示文件里包含三维源文件,由于三维组成零件数量较多,为保证预览截图的简洁性,本站将三维文件夹进行了打包。三维及CAD预览截图,均为本站电脑打开软件进行截图的,保证能够打开,下载原件超高清,下载后解压即可;

3、本站所有资源如无特殊说明,都需要本地电脑安装Office2007。图纸软件为AutoCAD,PROE,UG,SolidWorks,CATIA等;

4、本站所有图文资料仅供用户学习参考,不作为任何商用或其他用途;
5、本站不保证下载资源的准确性、安全性和完整性, 不包修改,不支持退换,同时也不承担用户因使用这些下载资源对自己和他人造成任何形式的伤害或损失;

6、 下载文件中如有侵权或不适当内容,请与我们联系,我们立即纠正。


线