

作品包括:
word版本说明书一份,共26页,约9100字
CAD版本图纸,共8张
冷冲压条形垫设计
【内容摘要】冲压加工是制造业中最常用的一种材料成形加工方法。冲模是冲压生产必不可少的工艺装备,决定着产品的质量、效益和新产品的开发能力。冲模的功能和作用、冲模设计与制造方法和手段,决定了冲模是技术密集、高附加值型产品。所以在当今社会,冲压生产被广泛使用。
随着科学技术的发展,高速、安全、自动化已成为当今冲压机械设计及冲压模具设计的主题。而老式的曲柄压力机不管是速度还是安全都是最差的,很多人因为从事这一门行业而失去了自己的手指,甚至是生命。我们知道冲压设备是由压力机及模具组成的。虽然压力机的安全性不高,但我们可以巧妙地设计冲模使其安全化、自动化。但愿在生产第一线的员工们安全、幸福。
【关键词】 冲压加工 模具 安全 自动化
目 录
一、工艺分析………………………………………………(1)
二、确定工艺方案…………………………………………(1)
三、工艺与设计计算………………………………………(1)
四、计算各主要零件的尺寸………………………………(2)
五、冲裁力、卸料力、推件力、顶件力的计算…………(2)
六、压力中心的确定与计算………………………………(3)
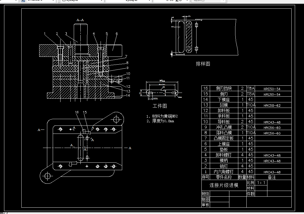
七、排样图与搭边值及条料宽度计算……………………(3)
八、冲模主要零部件的设计与选用………………………(3)
九、模架及零件……………………………………………(4)
十、其它支承零件…………………………………………(25)
十一、紧固件………………………………………………(25)
十二、绘制模具装配图……………………………………(25)
十三、绘制模具工作零件图………………………………(25)
十四、参考文献……………………………………………(26)
温馨提示:
1、题目前面的备注【字母数字编号】为本站整理分类的编号,与课题内容无关,请选题时忽视;
2、若题目上备注三维,则表示文件里包含三维源文件,由于三维组成零件数量较多,为保证预览截图的简洁性,本站将三维文件夹进行了打包。三维及CAD预览截图,均为本站电脑打开软件进行截图的,保证能够打开,下载原件超高清,下载后解压即可;
3、本站所有资源如无特殊说明,都需要本地电脑安装Office2007。图纸软件为AutoCAD,PROE,UG,SolidWorks,CATIA等;
4、本站所有图文资料仅供用户学习参考,不作为任何商用或其他用途;
5、本站不保证下载资源的准确性、安全性和完整性, 不包修改,不支持退换,同时也不承担用户因使用这些下载资源对自己和他人造成任何形式的伤害或损失;
6、 下载文件中如有侵权或不适当内容,请与我们联系,我们立即纠正。