

作品包括:
word版本说明书一份,共47页,约17000字
CAD版本图纸,共8张
拉手卡子零件冲压模具设计
摘要:由于模具工业的重要性,模具成型工艺在各个工业部门得到了广泛的应用,使得模具行业的产值已经大大超过机床刀具工业的产值.这一情况充分说明在国民经济蓬勃发展的过程中,在各个工业发达国家对世界市场进行激烈的争夺中,越多越多地采用模具来进行生产,模具工业明显地成为技术 经济和国力发展的关键.
因此,要使国民经济各个部门获得高速发展,加速实现社会主义四个现代化,就必须尽快将模具工业搞上去,使模具生产形成一个独立的工业部门,从而充分发挥模具工业在国民经济中的关键的作用.
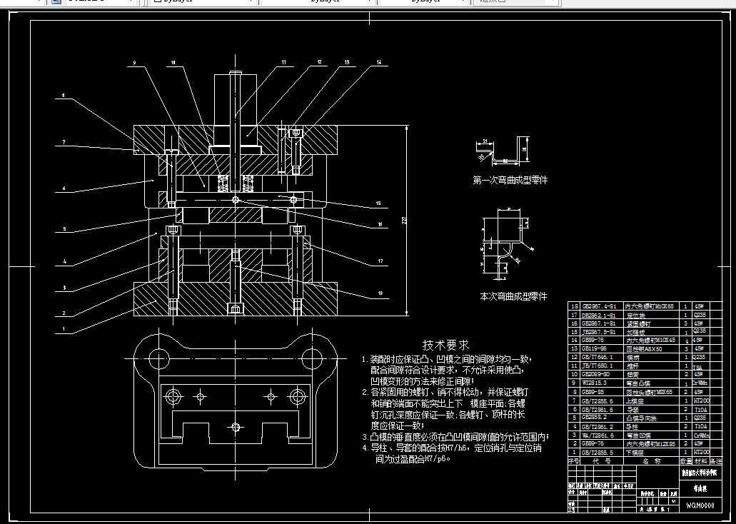
本论文阐述的是拉手卡子零件冲压模具设计,冲压模具主要包括冲裁模具、弯曲模具、拉深模具、多工位级进模、简易冲模等。本课题的主要任务是完成拉手卡子落料冲孔复合模及弯曲模的设计,具有非常现实的设计意义。复合模是在压力机的一次行程中,在同一工位上完成两道或两道以上的冲压工序。复合模的结构紧凑,冲出来的精度高,适合大批量的生产,但复合模的结构复杂,制造相对困难。
本设计拉手卡子零件冲压模具,凸凹模安装在模具下模座上。倒装复合模废料清理无须二次清理,操作方便安全,生产效率较高。复合模与弯曲模的设计过程大致相似,复合模较弯曲模结构更为复杂。设计上主要是对凸模、凹模和凸凹模的设计,其中主要是其工作部分的尺寸设计,以保证制件的精度和质量要求。
关键词:冲压模具 工艺分析 复合模 弯曲模
目录
1.绪论
1.1 课题研究的目的及意义 ………………………………………… (1)
1.2国内外研究概况及发展趋势…………………………………………(2)
1.3课题研究的主要内容和方案 ………………………………………(3)
1.3.1课题研究的主要内容……………………………………………(3)
1.3.2课题研究的方案 ………………………………………………(4)
1.4研究课题的主要目标和特色…………………………………………(4)
2.拉手卡子冲压复合模设计
2.1拉手卡子冲裁工艺性分析……………………………………………(5)
2.2工件排样与搭边………………………………………………………(7)
2.2.1排样 ……………………………………………………………(7)
2.2.2材料的利用率 …………………………………………………(7)
2.2.3 搭边 ……………………………………………………………(7)
2.3冲裁间隙 …………………………………………………………… (8)
2.3.1冲裁间隙的选取…………………………………………………(9)
2.4冲压力计算……………………………………………………………(9)
2.4.1冲裁力计算………………………………………………………(9)
2.4.2卸料力、推件力和顶出力 ………………………………………(10)
2.5模具压力中心计算 …………………………………………………(11)
2.6凸、凹模刃口尺寸计算 ………………………………………………(12)
2.6.1凸、凹模刃口尺寸公差计算的原则 …………………………(12)
2.6.2凸、凹模刃口尺寸计算的方法…………………………………(13)
2.7复合模凹、凸凹模的结构设计………………………………………(17)
2.7.1凹模………………………………………………………………(17)
2.7.2凸凹模外型结构 ………………………………………………(19)
2.8复合模总体设计与标准零件选用 …………………………………(19)
2.8.1模固定板 ………………………………………………………(20)
2.8.2凸模 ……………………………………………………………(20)
2.8.3 凸模垫板…………………………………………………………(22)
2.8.4定位零件 ………………………………………………………(22)
2.8.5卸料装置…………………………………………………………(24)
2.8.6推件装置…………………………………………………………(27)
2.9模具闭合高度与压力机装模高度的关系……………………………(29)
2.10模架主要零部件……………………………………………………(29)
2.10.1 模架……………………………………………………………(29)
2.10.2导柱与导套 …………………………………………………(32)
2.10.3模座 …………………………………………………………(35)
2.10.4 模柄 …………………………………………………………(35)
2.11压力机选择…………………………………………………………(36)
3.拉手卡子弯曲模设计……………………………………………………(37)
3.1拉手卡子弯曲工艺性分析………………………………………… (37)
3.2拉手卡子弯曲工艺力的计算…………………………………… (37)
3.3拉手卡子弯曲回弹计算…………………………………………… (38)
3.4拉手卡子弯曲模结构设计 ……………………………………… (40)
3.5弯曲模总体设计与标准零件选用 …………………………………(44)
结 论……………………………………………………………………………(45)
参考文献…………………………………………………………………………(46)
温馨提示:
1、题目前面的备注【字母数字编号】为本站整理分类的编号,与课题内容无关,请选题时忽视;
2、若题目上备注三维,则表示文件里包含三维源文件,由于三维组成零件数量较多,为保证预览截图的简洁性,本站将三维文件夹进行了打包。三维及CAD预览截图,均为本站电脑打开软件进行截图的,保证能够打开,下载原件超高清,下载后解压即可;
3、本站所有资源如无特殊说明,都需要本地电脑安装Office2007。图纸软件为AutoCAD,PROE,UG,SolidWorks,CATIA等;
4、本站所有图文资料仅供用户学习参考,不作为任何商用或其他用途;
5、本站不保证下载资源的准确性、安全性和完整性, 不包修改,不支持退换,同时也不承担用户因使用这些下载资源对自己和他人造成任何形式的伤害或损失;
6、 下载文件中如有侵权或不适当内容,请与我们联系,我们立即纠正。