

作品包括:
word版本说明书一份,共32页,约8800字
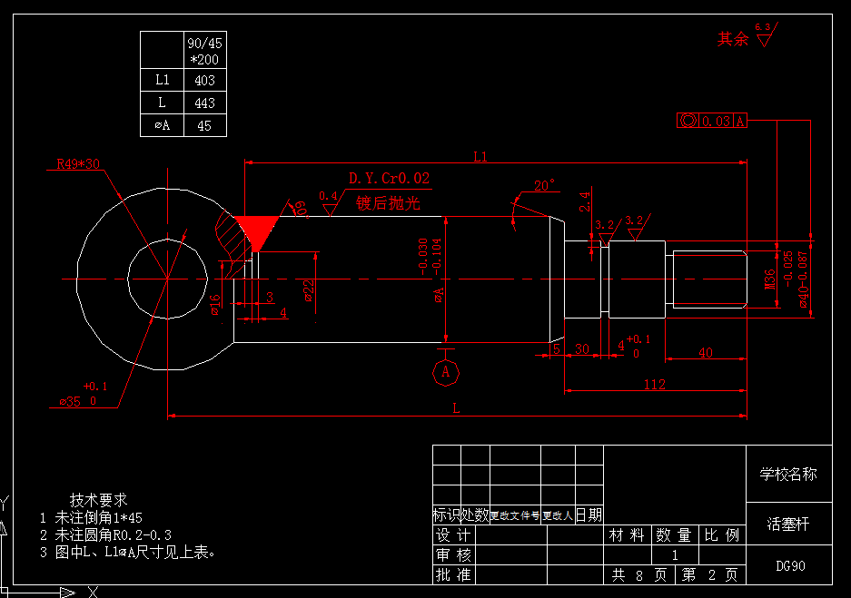
CAD版本图纸,共8张
目 录
绪 论 — — — — — — — — — — — — — — 第3页
第1章 液压传动的基础知识 — — — — — — — — 第4页
1.1 液压传动系统的组成 — — — — — — — — 第4页
1.2 液压传动的优缺点 — — — — — — — — — 第4页
1.3 液压传动技术的发展及应用 — — — — — — 第6页
第2 章 液压传动系统的执行元件
——液压缸 — — — — — — — — — — 第8页
2.1 液压缸的类型 特点及结构形式 — — — — ——第8页
2.2 液压缸的组成 — — — — — — — — — — 第11页
第3章 D G型车辆用液压缸的设计— — — — — — 第19页
3.1 简介 — — — — — — — — — — — — — 第19页
3.2 DG型液压缸的设计----------- — — — — — 第20页
第4章 液压缸常见故障分析与排除方法 — — — — — 第27页
总 结 — — — — — — — — — — — — — — 第29 页
参考文献 — — — — — — — — — — — — — — 第30页
温馨提示:
1、题目前面的备注【字母数字编号】为本站整理分类的编号,与课题内容无关,请选题时忽视;
2、若题目上备注三维,则表示文件里包含三维源文件,由于三维组成零件数量较多,为保证预览截图的简洁性,本站将三维文件夹进行了打包。三维及CAD预览截图,均为本站电脑打开软件进行截图的,保证能够打开,下载原件超高清,下载后解压即可;
3、本站所有资源如无特殊说明,都需要本地电脑安装Office2007。图纸软件为AutoCAD,PROE,UG,SolidWorks,CATIA等;
4、本站所有图文资料仅供用户学习参考,不作为任何商用或其他用途;
5、本站不保证下载资源的准确性、安全性和完整性, 不包修改,不支持退换,同时也不承担用户因使用这些下载资源对自己和他人造成任何形式的伤害或损失;
6、 下载文件中如有侵权或不适当内容,请与我们联系,我们立即纠正。