

作品包括:
word版本说明书一份,共29页,约12000字
CAD版本图纸,共12张
目录
1概述 1
1.1 研究目的及意义 1
1.2国内外技术发展状况 1
1.3主要研究内容 2
2技术任务书 2
2.1产品设计依据及设计要求 2
2.2 主要结构概述 2
2.3工作原理 2
2.4技术经济分析 3
3设计计算说明书 3
3.1结构方案分析 3
3.2离心式榨汁机的基本结构 4
3.3离心式榨汁机的工作原理 5
3.4 总体设计要点 5
4 电机的选择 5
4.1 电动机的选择要求 5
4.2 电动机类型的选择 6
4.3 电动机额定功率的确定 7
5榨汁部件的设计 8
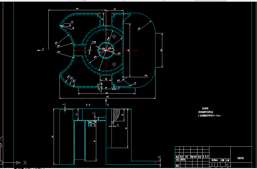
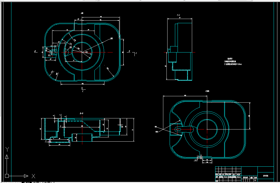
6 榨汁机壳体的设计 10
6.1 榨汁机壳体材料的选择 10
6.2 榨汁机壳体的设计 11
7榨汁机的使用说明书 16
7.1 安装说明 16
7.2 使用说明 16
7.3 安全警告事项说明 17
7.4 清洁、保养说明 17
7.5 易发故障处理说明 18
7.6 技术参数 19
结论 20
致谢 21
参考文献 22
毕业设计说明书中文摘要
离心式榨汁机的机械设计
摘要 随着科学技术的不断发展,农业机械化技术也发展到了一个新的水平;随着农业机械化技术的发展和人们生活水平的提高,水果榨汁机的改进成为目前消费者关心的热点问题。本文介绍了榨汁机的研究意义、榨汁机的研究现状,分析了榨汁机的发展前景,详细讲述了离心式榨汁机的工作原理。这次和同组人员一起设计的离心式榨汁机能够更独特地更好地满足消费者的意愿,本着简单、方便、实用为原则一切从消费者的利益出发。而且,该榨汁机祛除了以前榨汁机出汁率底、果汁不清的弊端。单相串激式电动机充分体现了自动化、高效化、小型化、简单化、环保化等特点。
最后,我相信我们所设计的这台集专业化、智能化,自动化、,高效化、小型化、简单化、环保化、安全性为一体的榨汁机能够早日走进消费者的家庭。
关键词 离心式榨汁机、电机选配、壳体设计、榨汁部件设计
温馨提示:
1、题目前面的备注【字母数字编号】为本站整理分类的编号,与课题内容无关,请选题时忽视;
2、若题目上备注三维,则表示文件里包含三维源文件,由于三维组成零件数量较多,为保证预览截图的简洁性,本站将三维文件夹进行了打包。三维及CAD预览截图,均为本站电脑打开软件进行截图的,保证能够打开,下载原件超高清,下载后解压即可;
3、本站所有资源如无特殊说明,都需要本地电脑安装Office2007。图纸软件为AutoCAD,PROE,UG,SolidWorks,CATIA等;
4、本站所有图文资料仅供用户学习参考,不作为任何商用或其他用途;
5、本站不保证下载资源的准确性、安全性和完整性, 不包修改,不支持退换,同时也不承担用户因使用这些下载资源对自己和他人造成任何形式的伤害或损失;
6、 下载文件中如有侵权或不适当内容,请与我们联系,我们立即纠正。