欢迎来到龙图网在线图文分享平台-CAD图纸,设计说明书,工业设计3D模型,三维软件下载!   客服QQ:2363701252
热搜:

工艺夹具 模具设计 数控编程 土木工程 3D模型

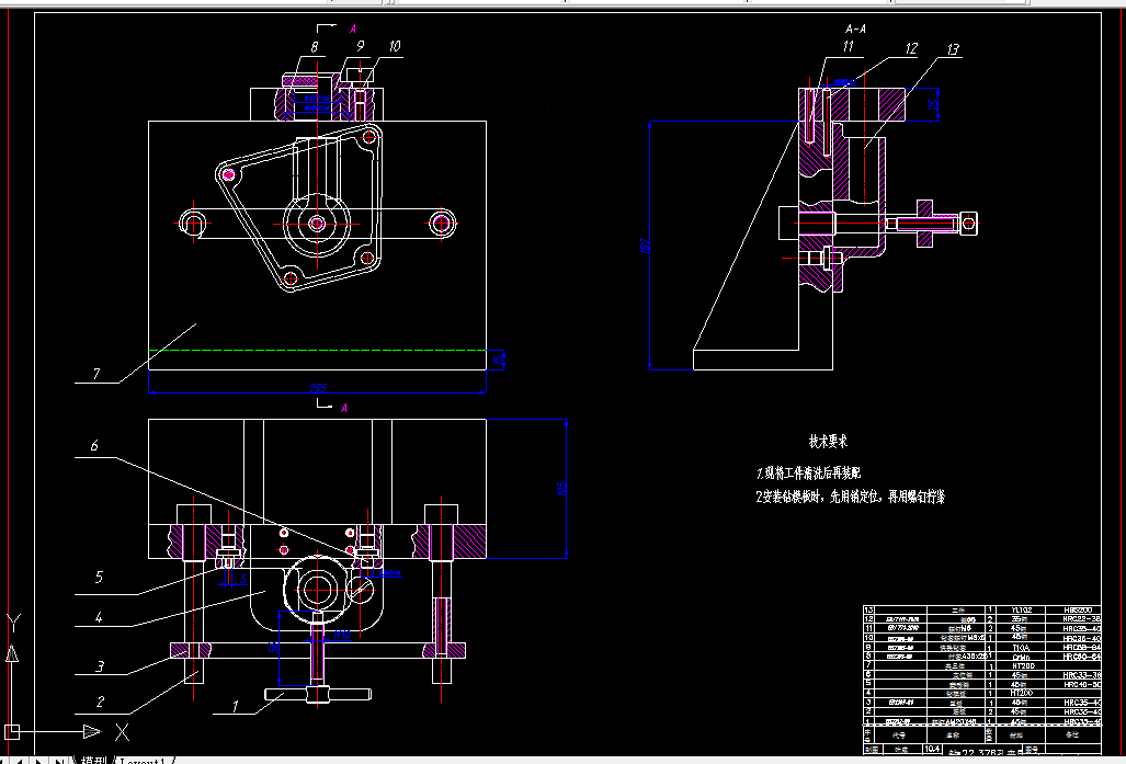
P118-增压器回油管座的加工工艺及钻φ22.376夹具设计 下载积分:50 资料编号: P118

1.打开支付宝或者微信扫描二维码。
2.填写金额:50 
3.添加备注,填写资料编号:
资料编号: P118
4.支付成功后,请发资料编号到邮箱:jxsj168@qq.com
会有专人在15分钟内把资料发到您邮箱
备注:如果付款忘记填写资料编号,则发邮件时附带您的交易明细截图即可。
请耐心等待,如超过30分钟还没收到,请联系客服QQ:2363701252
点击分享:

作品描述

作品包括:

word版本说明书一份,共27页,约10000字

工序卡一套

过程卡一套

CAD版本图纸,共7张


目    录

1.1增压器回油管座的工艺分析 1

1.2增压器回油管座工艺要求及工艺分析 1

1.2.1增压器回油管座的技术要求 1

1.3 加工工艺过程 2

1.4 确定各表面加工方案 2

1.4.1 在选择各表面及孔的加工方法时,要综合考虑以下因素 2

1.4.2 平面的加工 3

1.4.3孔的加工方案 3

1.5 确定定位基准 3

1.5.1 粗基准的选择 3

1.5.2 精基准选择的原则 4

1.6 工艺路线的拟订 5

1.6.1工序的合理组合 ...........................................................................5

1.6.2 工序的集中与分散 6

1.6.3 加工阶段的划分 7

1.6.4 加工工艺路线方案的比较 8

1.7 增压器回油管座的偏差,加工余量,工序尺寸及毛坯尺寸的确定 9

1.7.1 毛坯的结构工艺要求 9

1.7.2 加工余量的确定 10

1.7.3工序尺寸及毛坯尺寸的确定 .......................11

1.8 确定切削用量及基本工时(机动时间) 12

1.8.1 工序1:车大平面 12

1.8.2 工序2  钻4Xφ9孔 13

1.8.3 工序3:铣孔口平面 14

1.8.4 工序4:锪平φ30 15

    1.8.5钻扩铰φ22.376...............................................16

2  专用夹具设计 18

2.1 研究原始质料 18

2. 2 定位基准的选择 18

2. 3 切削力及夹紧分析计算 18

2.1.4 夹紧元件及动力装置设计 19

2.1.5钻套、衬套、钻模板及夹具体设计……… 20

小结 22

参考文献 23


温馨提示:

1、题目前面的备注【字母数字编号】为本站整理分类的编号,与课题内容无关,请选题时忽视;

2、若题目上备注三维,则表示文件里包含三维源文件,由于三维组成零件数量较多,为保证预览截图的简洁性,本站将三维文件夹进行了打包。三维及CAD预览截图,均为本站电脑打开软件进行截图的,保证能够打开,下载原件超高清,下载后解压即可;

3、本站所有资源如无特殊说明,都需要本地电脑安装Office2007。图纸软件为AutoCAD,PROE,UG,SolidWorks,CATIA等;

4、本站所有图文资料仅供用户学习参考,不作为任何商用或其他用途;
5、本站不保证下载资源的准确性、安全性和完整性, 不包修改,不支持退换,同时也不承担用户因使用这些下载资源对自己和他人造成任何形式的伤害或损失;

6、 下载文件中如有侵权或不适当内容,请与我们联系,我们立即纠正。


线