

作品包括:
word版本说明书一份,共36页,约14000字
CAD版本图纸,共7张
A0-船舶起重机.dwg
A0-臂头.dwg
A0-底座.dwg
A0-电机泵组.dwg
A0-吊臂.dwg
A0-回转机构.dwg
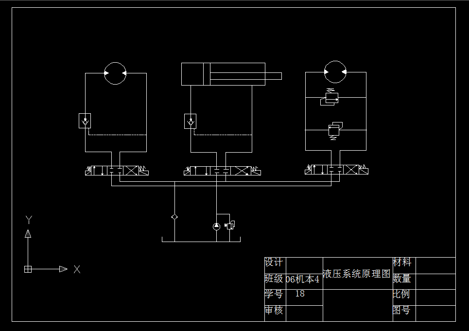
A3-液压原理图.dwg
摘 要
船舶起重机是船上的一种大甲板机械,液压船舶起重机是船舶上普遍使用的一种装卸设备。主要结构包括吊臂,塔身和基座几个部分。
本文首先介绍了船舶起重机的总体结构和特点。重点对船舶起重机的回转机构及其驱动系统进行了设计。驱动系统采用了液压驱动,它工作平稳,换向冲击小,操作轻便,工作可靠,使用寿命长。回转机构采用液压马达驱动回转支承实现。
关键词:船舶起重机; 回转机构;液压系统
目 录
第1章 绪论 1
1.1 概论 1
1.2 船舶起重机研究背景及意义 1
第2章 船舶起重机结构及性能特点 3
2.1 船舶起重机简介 4
2.2 液压船舶起重机的特点 4
2.3 船舶起重机主要性能及参数 5
2.4 液压船舶起重机液压系统的组成及工作原理 6
第3章 船舶起重机吊臂选型与计算 7
第4章 回转机构设计 9
4.1 轴承的选型分析 9
4.1.1 安装部位 9
4.1.2 受力特点及常用轴承结构 9
4.2 轴承的主参数设计 10
4.2.1 安全系数 10
4.2.2 主参数设计 10
4.3 材料及密封结构的选择 11
4.4 工况及载荷 12
4.5 回转支撑强度验算 13
4.5.1 回转支撑联接螺栓计算 13
4.6 回转机构的设计 14
4.6.1 回转机构的类型 14
4.6.2 回转机构驱动装置设计 15
第5章 液压系统原理设计及液压元件选择 19
5.1 液压系统型式 19
5.1.1 开式和闭式系统 19
5.1. 2单泵和多泵系统 19
5.2 液压系统的控制 20
5.2.1 定量节流控制系统 20
5.2.2 变量系统 20
5.3 船舶起重机液压系统设计 21
5.4 液压缸的选择 22
5.4.1 缸体与缸盖连接结构 22
5.4.2 活塞与活塞杆连接结构 22
5.4.3 活塞杆头部结构 23
5.4.4 导向套结构 23
5.4.5 封与防尘结构 23
5.4.6 缓冲结构 23
5.4.7 液压缸的选择 23
5.5 其他液压元件的选择 24
5.6 液压系统性能验算 26
5.7 液压油的性能要求 28
5.7.1 粘度 28
5.7.2 粘度指数 28
结论 30
致谢 31
参考文献 32
温馨提示:
1、题目前面的备注【字母数字编号】为本站整理分类的编号,与课题内容无关,请选题时忽视;
2、若题目上备注三维,则表示文件里包含三维源文件,由于三维组成零件数量较多,为保证预览截图的简洁性,本站将三维文件夹进行了打包。三维及CAD预览截图,均为本站电脑打开软件进行截图的,保证能够打开,下载原件超高清,下载后解压即可;
3、本站所有资源如无特殊说明,都需要本地电脑安装Office2007。图纸软件为AutoCAD,PROE,UG,SolidWorks,CATIA等;
4、本站所有图文资料仅供用户学习参考,不作为任何商用或其他用途;
5、本站不保证下载资源的准确性、安全性和完整性, 不包修改,不支持退换,同时也不承担用户因使用这些下载资源对自己和他人造成任何形式的伤害或损失;
6、 下载文件中如有侵权或不适当内容,请与我们联系,我们立即纠正。