

作品包括:
word版本说明书一份,共57页,约14000字
开题报告一份.
任务书一份.
CAD版本图纸,共8张
A0-电气原理图.dwg
A0-主轴箱总装图.dwg
A1-液压原理图.dwg
A2-齿轮3.dwg
A2-套杯5.dwg
A2-卸荷带轮2.dwg
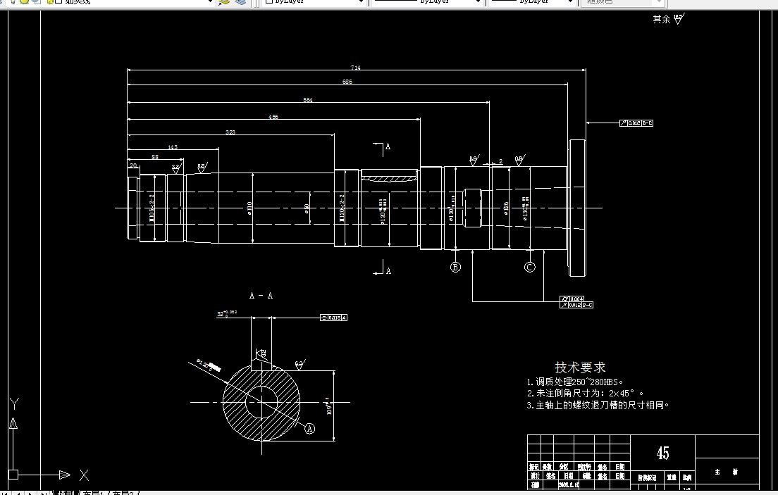
A2-主轴4.dwg
A3-花键轴1.dwg
摘要
本设计从下达任务起,经过现场调查和查阅文献资料入手,历经三个月的时间完成。在设计中,首先根据课题所要求的技术参数确定机床设计中所需要的参数,即原动机的功率、机床主轴箱的转速数列公比;然后确定机床主轴箱的主传动系统结构,拟订机床的结构网和转速图;查资料,根据转速图确定机床内的各个主要零件的计算转速,根据计算转速确定各级传动的传动比,根据传动比来确定各级传动的齿轮配合的齿轮齿数。根据机床主轴箱的传动链来计算各级转速的实际值与理论值之间的误差。在设计中主要是要计算主轴箱里各个零件的选用是否满足要求以及原动机与主轴箱间的动力传递装置的计算。主轴箱的计算包括摩擦离合器的校核、齿轮的校核、轴的校核、轴承的校核、键的校核、主轴的校核计算等。原动机与主轴箱的动力传递采用的是带传动装置。最后根据资料和参考同类机床来设计计算机床的电气和液压系统,并绘制其原理图。
关键词:转速数列; 公比; 结构网; 转速图; 计算转速; 转速数列公比。
目录
1前言 ……………………………………………………………………… 1
1.1轴承环卡盘多刀车床的用途 ……………………………………… 1
1.2机床的总体布局 ………………………………………………… 1
1.3机床的主要技术参数 …………………………………………… 1
2国内外卡盘多刀车床分析比较 ……………………………………… 2
2.1 国内外同类机床结构的分析比较 ……………………………… 2
2.2 国内外同类机床结构和精度的分析比较 ……………………… 3
2.2.1 结构特点 …………………………………………………… 3
2.2.2 精度比较 ………………………………………………… 4
3机床的运动设计 ……………………………………………………… 4
3.1主轴极限转速的确定 …………………………………………… 4
3.2转速数列公比φ的确定 ……………………………………… 5
3.3主轴转速级数的确定 ……………………………………………… 6
3.4主电机功率的确定 ………………………………………………… 6
3.5主传动系统的拟定 ………………………………………………… 7
3.6主轴箱的结构设计 ………………………………………………… 8
3.7确定各轴的计算转速 ……………………………………………… 9
3.8确定各级传动的传动比 …………………………………………… 9
3.9查表确定各配对齿轮齿数 ……………………………………… 10
3.10三角胶带带轮直径计算 ……………………………………… 10
3.11各级转速的实际值 …………………………………………… 12
3.12转速误差 ……………………………………………………… 13
4主要零件的设计计算 ……………………………………………… 14
4.1三角胶带的传动设计计算 …………………………………… 14
4.2传动装置的运动、动力参数的计算 ………………………… 16
4.3摩擦片离合器的计算 ………………………………………… 17
4.4齿轮的计算 ………………………………………………… 18
4.4.1齿轮模数的估算 ……………………………………… 18
4.4.2齿轮模数的验算 ………………………………………… 19
4.5齿轮传动的校核计算 ………………………………………… 25
4.6传动轴的计算 ………………………………………………… 33
4.6.1传动轴的直径估算 ……………………………………… 33
4.6.2传动轴的校核计算 ……………………………………… 34
4.7主轴的计算 ………………………………………………… 44
4.7.1主轴轴颈及合理跨距 ………………………………… 44
4.7.2主轴弯曲刚度验算 ………………………………… 44
5主轴箱的结构设计 ……………………………………………… 50
6液压系统的计算 …………………………………………………… 51
7电气系统的设计 ……………………………………………… 52
参考文献 …………………………………………………………… 55
致谢 …………………………………………………………………… 56
温馨提示:
1、题目前面的备注【字母数字编号】为本站整理分类的编号,与课题内容无关,请选题时忽视;
2、若题目上备注三维,则表示文件里包含三维源文件,由于三维组成零件数量较多,为保证预览截图的简洁性,本站将三维文件夹进行了打包。三维及CAD预览截图,均为本站电脑打开软件进行截图的,保证能够打开,下载原件超高清,下载后解压即可;
3、本站所有资源如无特殊说明,都需要本地电脑安装Office2007。图纸软件为AutoCAD,PROE,UG,SolidWorks,CATIA等;
4、本站所有图文资料仅供用户学习参考,不作为任何商用或其他用途;
5、本站不保证下载资源的准确性、安全性和完整性, 不包修改,不支持退换,同时也不承担用户因使用这些下载资源对自己和他人造成任何形式的伤害或损失;
6、 下载文件中如有侵权或不适当内容,请与我们联系,我们立即纠正。