

作品包括:
设计说明书一份,共51页,约18000字
CAD版本图纸,共20张
摘 要
通过此次毕业设计加深对所学知识的掌握,有利于所学知识的综合利用。尤其是对所学专业知识的最好体现。对于在该课题在设计中遇到的难点和疑点,可以通过查阅相关资料进行解决,有利的锻炼了自主处理问题的能力。
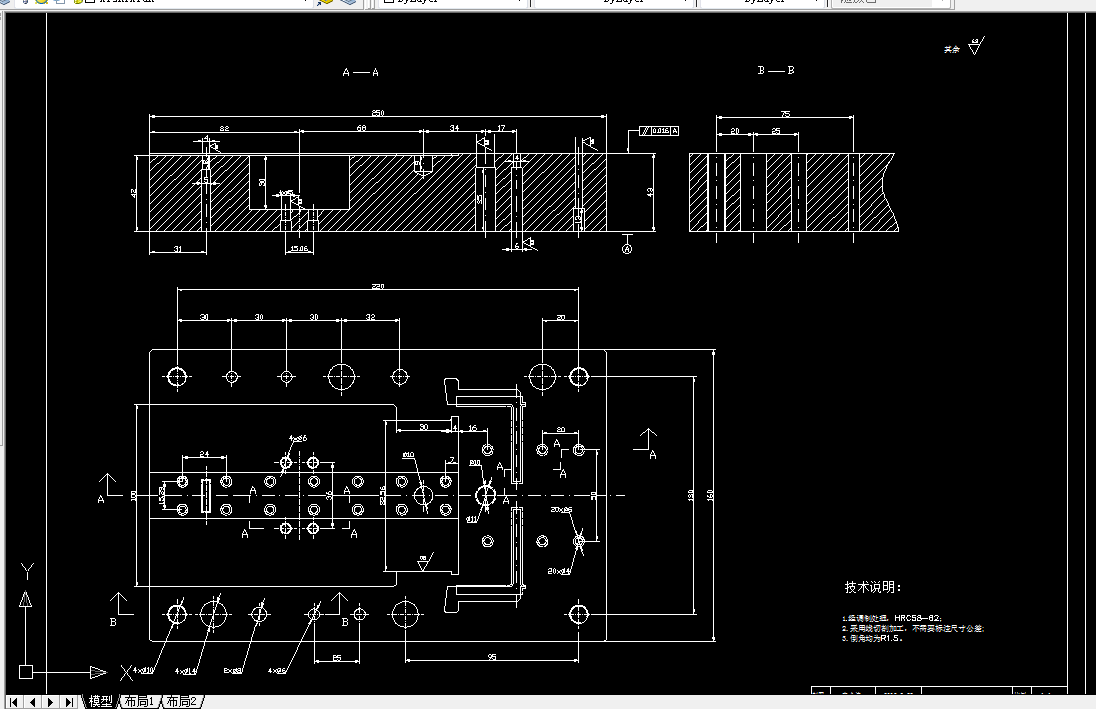
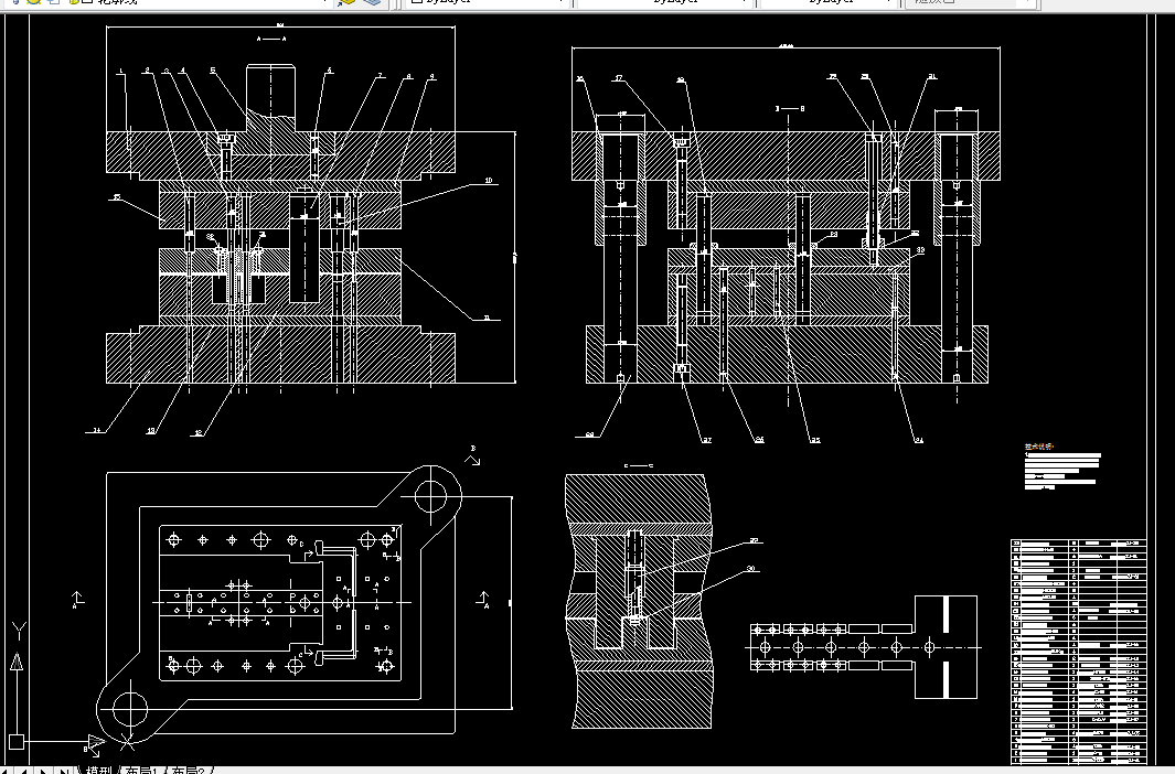
多工位级进模是在普通级进模的基础上发展起来的一种高精度、高效率、长寿命的模具,是技术密集型模具的重要代表,是冲模发展方向之一。
本文通过对工件的进行冲压工艺性能分析后,提出了满足工件要求的几种冲压方案,并且在进行对比后决定采用一副多工位级进模的设计方案。该模具包括了冲孔、落料、弯曲、剪断等工序。通过排样方案的确定后,开始了主体零部件的设计和尺寸计算。此过程中,充分利用了Anto CAD软件,完成了零件的大部分的绘制工作。
关键词: 多工位级进模; 冲压工艺; 弯曲;Anto CAD
目 录
目 录 3
1 课题的意义和目的 5
1.1 课题的意义 5
1.2 课题的目的 5
1.3 文献综述 5
1.3.1 我国的模具工业的发展状况 5
1.3.2 国内模具工业的发展趋势 6
1.3.3 CAD/CAE/CAM技术的发展情况 6
1.3.4 现代模具企业管理 7
2 产品的设计要求和工艺方案选择 9
2.1 产品设计要求 9
工艺方案选择 9
2.2.1 零件分析 9
2.2.2 工艺方案的确定 11
3 排样设计 12
3.1 多工位级进模的排样设计 12
3.2 排样前的尺寸计算 12
3.2.1 计算毛坯的展开尺寸 12
3.2.2 载体与搭口的设计 13
3.3 条料排样的搭边值 13
3.4 步距和料宽的计算 14
3.5 排样图 14
3.6 材料利用率 15
4 主要设计计算 17
4.1 冲压工序各压力的计算 17
4.2 冲模压力中心的确定 20
4.3 冲压设备的选择 21
4.4 凸、凹模间隙 21
4.5 凸模和凹模的刃口尺寸计算 24
4.5.1 凸、凹模设计计算原则 24
4.5.2 凸、凹模刃口尺寸的确定 24
5 多工位级进模主要零部件设计 29
5.1 工作零件 29
5.1.1 凸模 29
5.1.2 凹模 32
5.2 带料的导正定位装置 32
5.2.1导正销与导正孔的关系 33
5.2.2 导正销的固定方式 33
5.3 带料的导向和托料装置 34
5.4 卸料装置的设计 35
5.4.1 卸料板的结构 35
5.4.2 卸料板的导向形式 36
5.4.3 卸料板的安装形式 37
5.4.4 弹簧的选用 39
5.5 模架及组成零件 40
5.5.1 模架 40
5.5.2 模座 40
5.5.3 导柱和导套 41
5.6 连接与固定零件 42
5.6.1 模柄 43
5.6.2 固定板及垫板的选用 43
5.7 模具零部件设计总结 44
5.8 闭合高度 44
6 模具零件的加工工艺 47
6.1 冲裁凸模、凹模技术要求与加工特点 47
6.2 成形凸模、凹模技术要求及加工特点 47
6.3 多工位级进模的加工特点 47
7 结束语 49
参考文献 50
致谢 51
温馨提示:
1、题目前面的备注【字母数字编号】为本站整理分类的编号,与课题内容无关,请选题时忽视;
2、若题目上备注三维,则表示文件里包含三维源文件,由于三维组成零件数量较多,为保证预览截图的简洁性,本站将三维文件夹进行了打包。三维及CAD预览截图,均为本站电脑打开软件进行截图的,保证能够打开,下载原件超高清,下载后解压即可;
3、本站所有资源如无特殊说明,都需要本地电脑安装Office2007。图纸软件为AutoCAD,PROE,UG,SolidWorks,CATIA等;
4、本站所有图文资料仅供用户学习参考,不作为任何商用或其他用途;
5、本站不保证下载资源的准确性、安全性和完整性, 不包修改,不支持退换,同时也不承担用户因使用这些下载资源对自己和他人造成任何形式的伤害或损失;
6、 下载文件中如有侵权或不适当内容,请与我们联系,我们立即纠正。