

作品包括
word版设计说明书一份,共42页,约10000字
外文翻译一份
PPT答辩一份
CAD版本图纸,共6张
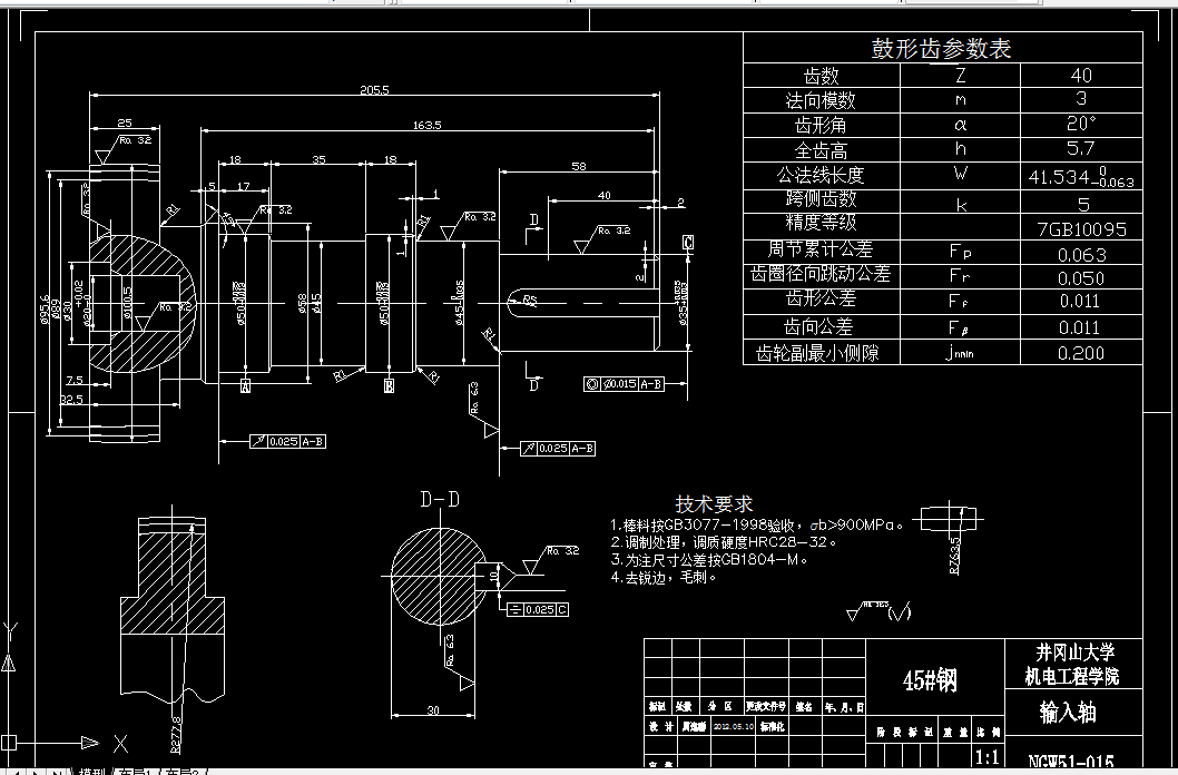
[摘要]根据输入转速为1460转/分钟、输入功率为11KW、传动比为8等的初始条件对NGW型行星齿轮减速器进行设计。该说明书介绍了行星齿轮减速器的国内外发展现状,确定了设计内容及行星齿轮减速器的基本结构,分别对行星齿轮减速器的传动齿轮、传动轴、键及轴承进行了设计,确定了传动齿轮的材料、工艺、主要参数、主要尺寸、啮合要素并对其强度进行了验算。传动轴有输入轴和输出轴,分别确定了输入轴和输出轴,所以在对轴承的寿命进行计算、设计的基础上选用适当的轴承,以符合整机工作要求。另外,本文还对箱体结构尺寸进行了简单的设计。
[关键字]行星轮系减速器,行星轮,中心轮,行星架
目 录
第一章 绪论 1
1.1 设计目的 1
1.2 国内外发展现状 1
1.2.1 发展概述 1
1.2.2 发展方向 2
1.3 设计内容 2
1.3.1 设计要求与安排 2
1.3.2 设计条件 3
1.3.3 原始数据 3
1.4 电动机的选择 3
1.5 传动比及其分配 3
第二章 行星齿轮减速器传动齿轮设计 5
2.1 选择齿轮材料,热处理工艺及制造工艺的确定 5
2.2 确定各主要参数 5
2.3 齿轮其他主要尺寸计算 8
2.4 啮合要素计算 9
2.5 齿轮强度验算 11
第三章 行星齿轮减速器传动轴及其键的设计 20
3.1 输入轴的设计与校核 20
3.2 输出轴的设计与校核 25
第四章 减速器轴承的寿命计算 29
4.1 输入轴上轴承的寿命计算 29
4.2 输出轴上轴承的寿命计算 29
4.3 行星轮上轴承寿命计算 30
第五章 其它相关设计 31
5.1 齿轮加工工艺 31
5.2 箱体结构尺寸 31
第六章 总结 36
[参考文献] 37
致谢 38
温馨提示:
1、题目前面的备注【字母数字编号】为本站整理分类的编号,与课题内容无关,请选题时忽视;
2、若题目上备注三维,则表示文件里包含三维源文件,由于三维组成零件数量较多,为保证预览截图的简洁性,本站将三维文件夹进行了打包。三维及CAD预览截图,均为本站电脑打开软件进行截图的,保证能够打开,下载原件超高清,下载后解压即可;
3、本站所有资源如无特殊说明,都需要本地电脑安装Office2007。图纸软件为AutoCAD,PROE,UG,SolidWorks,CATIA等;
4、本站所有图文资料仅供用户学习参考,不作为任何商用或其他用途;
5、本站不保证下载资源的准确性、安全性和完整性, 不包修改,不支持退换,同时也不承担用户因使用这些下载资源对自己和他人造成任何形式的伤害或损失;
6、 下载文件中如有侵权或不适当内容,请与我们联系,我们立即纠正。