

作品包括:
word版设计说明书一份,共64页,约30000字
任务书一份
单片机程序一份
CAD版本图纸,共5张
A1-长度传感器.dwg
A1-力矩限制器安装示意图.dwg
A2-单片机接线原理图.dwg
A2-角度传感器安装示意图.dwg
A2-显示器壳体.dwg
摘 要
起重机是一种蕴含多种危险因素的设备,操作不当或超载,容易引起翻车、折臂等无法挽回的后果,因此对于16吨以上的起重机要求安装一种保护设备,一般称为力矩限制器。
起重机力矩限制器是装备在起重机上的重要超载保护装置,它为起重机的安全工作提供了保障。本文在参考现有力矩限制器的基础上,充分利用单片机技术、传感器技术等一些技术成果,来实现起重机的超载力矩限制,努力确保不会出现因超载而造成意外事故。本系统具有精度高,通用性好,抗干扰能力强,功能多,比较低的建设成本以及系统的可扩展性能强等优点。
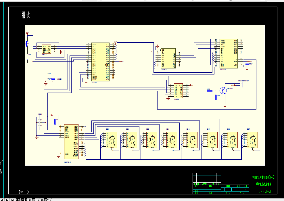
本文所述的起重机力矩限制器的主控单元是以单片机AT89C52为核心部件,A/D转换器采用ADC0809,对从各传感器采集到的数据进行变换,然后送至AT89C52进行数据的、判断,做出各种控制动作;显示、输入单元选用了MAX7219芯片作为显示和输入控制;复位监测芯片采用X5045来实现开门狗定时器、电源监测等。
关键词:力矩限制器;超载保护;AT89C52;单片机;汽车起重机
目录
1 绪论 ………………………………………………………………………1
1.1 概述……………………………………………………………………1
1.2 力矩限制器技术概况以及发展趋势…………………………………2
1.3 课程的主要工作………………………………………………………3
1.4 解决方案的选择………………………………………………………4
1.4.1 工业控制计算机解决方案………………………………………4
1.4.2 单片机解决方案…………………………………………………6
1.5 系统可扩展行的探讨…………………………………………………6
1.5.1 集散式控制系统改进……………………………………………7
1.5.2 现场总线…………………………………………………………7
2 总体方案的设计 …………………………………………………………9
2.1 力距限制器的原理……………………………………………………9
2.2 力矩限制器的工作流程……………………………………………10
2.2.1 软件流程………………………………………………………10
2.2.2 系统硬件结构…………………………………………………11
2.3 力矩限制器的数学模型……………………………………………12
2.4 力矩限制器的调试…………………………………………………14
3 系统硬件方案的设计……………………………………………………16
3.1 系统硬件设计概述…………………………………………………16
3.2 前向通道的设计……………………………………………………16
3.2.1 信号的拾取、变送………………………………………………18
3.2.2 信号的变换……………………………………………………21
3.2.3 ADC0809简介…………………………………………………22
3.3 基本系统的实现与扩展……………………………………………26
3.3.1 单片机系统的组成……………………………………………26
3.3.2 几类流行微控制器的介绍与最小系统的组成………………27
3.3.3 最小系统的外围扩展…………………………………………28
3.3.4 微控制器系统构成的实用考虑-- AT89S52……………………28
3.4 复位监测、看门狗X5045……………………………………………32
3.4.1引脚介绍…………………………………………………………32
3.4.2工作原理…………………………………………………………33
3.4.3 硬件连接………………………………………………………35
3.5 人机通道设计………………………………………………………35
3.5.1 显示……………………………………………………………36
3.5.2 键盘……………………………………………………………37
3.5.3 报警……………………………………………………………38
3.6 串行扩展技术得应用与探讨………………………………………38
3.6.1 串行扩展技术概述……………………………………………38
3.6.2 与SPI总线简介……………………………………………39
3.7 数字语音技术………………………………………………………40
3.7.1 数字语音技术概述……………………………………………40
3.7.2 语音合成与语音合成集成电路………………………………40
3.7.3 ISD系列语音产品简介…………………………………………40
3.7.4 引脚功能………………………………………………………41
3.7.5 ISD1420…………………………………………………………45
4 系统软件设计 ………………………………………………………48
4.1 软件设计概述 ………………………………………………………48
4.2 编程语言的选择与简介……………………………………………48
4.3 软件设计构思及软件结构…………………………………………49
4.4 主要功能的软件实现………………………………………………50
5 抗干扰设计…………………………………………………………53
5.1 硬件抗干扰…………………………………………………………53
5.2 软件抗干扰…………………………………………………………54
6 结论与展望……………………………………………………………57
参考文献……………………………………………………………………58
致谢 ………………………………………………………………………60
附录 ………………………………………………………………………61
温馨提示:
1、题目前面的备注【字母数字编号】为本站整理分类的编号,与课题内容无关,请选题时忽视;
2、若题目上备注三维,则表示文件里包含三维源文件,由于三维组成零件数量较多,为保证预览截图的简洁性,本站将三维文件夹进行了打包。三维及CAD预览截图,均为本站电脑打开软件进行截图的,保证能够打开,下载原件超高清,下载后解压即可;
3、本站所有资源如无特殊说明,都需要本地电脑安装Office2007。图纸软件为AutoCAD,PROE,UG,SolidWorks,CATIA等;
4、本站所有图文资料仅供用户学习参考,不作为任何商用或其他用途;
5、本站不保证下载资源的准确性、安全性和完整性, 不包修改,不支持退换,同时也不承担用户因使用这些下载资源对自己和他人造成任何形式的伤害或损失;
6、 下载文件中如有侵权或不适当内容,请与我们联系,我们立即纠正。