欢迎来到龙图网在线图文分享平台-CAD图纸,设计说明书,工业设计3D模型,三维软件下载!   客服QQ:2363701252
热搜:

工艺夹具 模具设计 数控编程 土木工程 3D模型

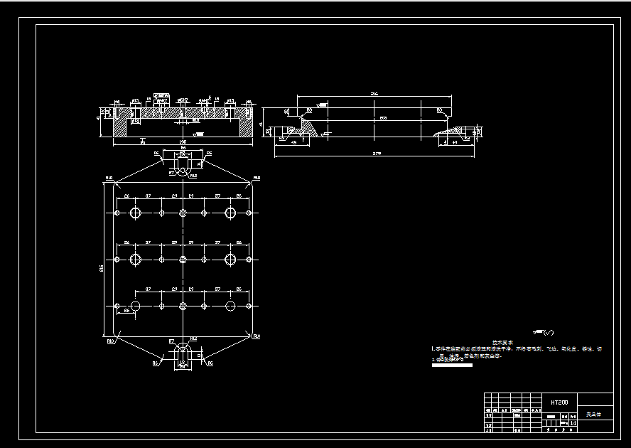
KS630C-连杆零件加工工艺及槽45槽夹具设计-孔距77 下载积分:50 资料编号: KS630C

1.打开支付宝或者微信扫描二维码。
2.填写金额:50 
3.添加备注,填写资料编号:
资料编号: KS630C
4.支付成功后,请发资料编号到邮箱:jxsj168@qq.com
会有专人在15分钟内把资料发到您邮箱
备注:如果付款忘记填写资料编号,则发邮件时附带您的交易明细截图即可。
请耐心等待,如超过30分钟还没收到,请联系客服QQ:2363701252
点击分享:

作品描述

作品包括:

说明书1份,共28页,约6600字左右

CAD版本本图纸,共6张

目录

序    言 1

第1章 零件的分析 2

1.1 零件的作用 2

1.2 基面的选择 3

1.3 制定工艺路线 4

1.4 机械加工余量的确立 4

1.5 连杆的偏差计算 5

1.6 确定切削用量及基本工时(机动时间) 6

第2章 铣槽夹具设计 18

2.1 研究原始质料 18

2.2 定位基准的选择 18

2.3 切削力及夹紧分析计算 18

2.4 误差分析与计算 20

2.5 零、部件的设计与选用 21

2.5.1 定位销选用 21

2.5.2 夹紧装置的选用 22

2.5.3 定向键与对刀装置设计 22

2.6 夹具设计及操作的简要说明 24

总结 25

参考文献 26

温馨提示:

1、题目前面的备注【字母数字编号】为本站整理分类的编号,与课题内容无关,请选题时忽视;

2、若题目上备注三维,则表示文件里包含三维源文件,由于三维组成零件数量较多,为保证预览截图的简洁性,本站将三维文件夹进行了打包。三维及CAD预览截图,均为本站电脑打开软件进行截图的,保证能够打开,下载原件超高清,下载后解压即可;

3、本站所有资源如无特殊说明,都需要本地电脑安装Office2007。图纸软件为AutoCAD,PROE,UG,SolidWorks,CATIA等;

4、本站所有图文资料仅供用户学习参考,不作为任何商用或其他用途;
5、本站不保证下载资源的准确性、安全性和完整性, 不包修改,不支持退换,同时也不承担用户因使用这些下载资源对自己和他人造成任何形式的伤害或损失;

6、 下载文件中如有侵权或不适当内容,请与我们联系,我们立即纠正。


线