欢迎来到龙图网在线图文分享平台-CAD图纸,设计说明书,工业设计3D模型,三维软件下载!   客服QQ:2363701252
热搜:

工艺夹具 模具设计 数控编程 土木工程 3D模型

R339-十字轴加工工艺及钻Φ6孔工艺装备设计 下载积分:50 资料编号: R339

1.打开支付宝或者微信扫描二维码。
2.填写金额:50 
3.添加备注,填写资料编号:
资料编号: R339
4.支付成功后,请发资料编号到邮箱:jxsj168@qq.com
会有专人在15分钟内把资料发到您邮箱
备注:如果付款忘记填写资料编号,则发邮件时附带您的交易明细截图即可。
请耐心等待,如超过30分钟还没收到,请联系客服QQ:2363701252
点击分享:

作品描述

作品包括:

说明书1份,共19页,约5700字左右

CAD版本本图纸,共4张


摘 要

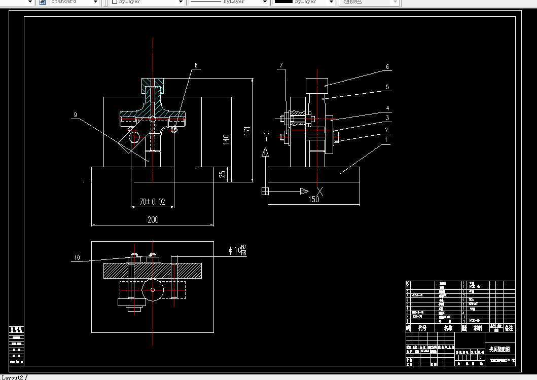
这次设计的是十字轴机械加工工艺规程及工艺装备设计,包括零件图、毛坯图、装配图各一张,机械加工工艺过程卡片和与工序卡片各一张。首先要熟悉零件和了解其作用,它位于车床变速机构中,主要起换档作用。然后,根据零件的性质和零件图上各端面的粗糙度确定毛坯的尺寸和机械加工余量。最后拟定拨差的工艺路线图,制定该工件的夹紧方案,画出夹具装配图。了解并认识一般机器零件的生产工艺过程,巩固和加深已学过的技术基础课和专业课的知识。

目 录

1零件的工艺分析 1

2机械加工工艺设计 1

2.1确定生产类型 1

2.2确定毛坯 1

2.2.1确定毛坯种类: 1

2.2.2确定锻件加工余量及形状 1

3工艺规程设计 2

3.1选择定位基准 2

3.2制定工艺路线 3

3.3表面加工方法的确定 3

3.4加工阶段的划分 4

3.5工序顺序的安排 5

3.6确定工艺路线 5

4机械加工余量、工序尺寸及公差的确定 6

4.1钻铰φ6孔的工序尺寸 6

4.1.1钻Φ6孔,以φ25轴线为基准 6

4.2加工余量计算 6

4.2.1钻孔工步 6

4.2.2粗绞工步 7

4.2.3精绞工步 7

4.3时间定额的计算 7

4.4其它时间计算 8

5夹具设计 8

5.1夹具选择 9

5.1.1问题的提出 10

5.1.2夹具设计 10

5.2定位误差分析 10

5.3夹具设计及操作的简要说明 11

6体会与展望 11

7参考文献 13


温馨提示:

1、题目前面的备注【字母数字编号】为本站整理分类的编号,与课题内容无关,请选题时忽视;

2、若题目上备注三维,则表示文件里包含三维源文件,由于三维组成零件数量较多,为保证预览截图的简洁性,本站将三维文件夹进行了打包。三维及CAD预览截图,均为本站电脑打开软件进行截图的,保证能够打开,下载原件超高清,下载后解压即可;

3、本站所有资源如无特殊说明,都需要本地电脑安装Office2007。图纸软件为AutoCAD,PROE,UG,SolidWorks,CATIA等;

4、本站所有图文资料仅供用户学习参考,不作为任何商用或其他用途;
5、本站不保证下载资源的准确性、安全性和完整性, 不包修改,不支持退换,同时也不承担用户因使用这些下载资源对自己和他人造成任何形式的伤害或损失;

6、 下载文件中如有侵权或不适当内容,请与我们联系,我们立即纠正。


线