

作品包括:
说明书1份,共30页,约11000字左右
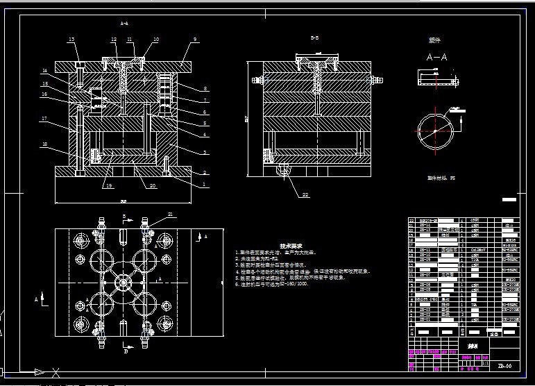
CAD版本本图纸,共9张
目录
第1章 塑料成型工艺性分析??????????????????????????????? 6
1.1 塑件分析?????????????????????????????????????????????????????6
1.2 性能分析?????????????????????????????????????????????????????6
1.3 注射工艺参数????????????????????????????????????????????????6
第 2 章 分型面位置的分析和确定????????????????????????????????7
2.1分型面的选择原则?????????????????????????????????????????????7
2.2分型面选择方案???????????????????????????????????????????????7
第 3 章 塑件型腔数量及排列方式的确定?????????????????????????9
3.1 型腔数量的确定??????????????????????????????????????????????9
3.2 型腔排列方式的确定??????????????????????????????????????????9
第 4 章 注射机的选择和有关工艺参数的校核????????????????????10
4.1 注射量的计算????????????????????????????????????????????????10
4.2塑件和流道凝料在分型面上的投影面积及所需锁模力算?????????????10
4.3 注射机型号的选定???????????????????????????????????????????11
4.4有关工艺参数的校核???????????????????????????????????????????11
第5章 浇注系统的形式选择和截面尺寸的计算???????????????????12
5.1主流道的设计?????????????????????????????????????????????????12
5.2冷料穴的设计?????????????????????????????????????????????????13
5.3分流道的设计?????????????????????????????????????????????????13
5.4浇口设计?????????????????????????????????????????????????????14
5.5浇注系统的有关参数的校核?????????????????????????????????????15
第6章 成型零件的设计及力学计算???????????????????????????????16
6.1成型零件的结构设计???????????????????????????????????????????16
6.2成型零件钢材的选用???????????????????????????????????????????17
6.3成型零件工作尺寸计算????????????????????????????????????????17
第7章 模架的确定和标准件的选用??????????????????????????18
第8章 导向机构的设计????????????????????????????????????20
8.1导向机构的总体设计?????????????????????????????????????????20
8.2导柱设计????????????????????????????????????????????????????20
8.3 导套设计???????????????????????????????????????????????????21
8.4推板导柱与导套设计??????????????????????????????????????????21
第9章 排气槽的设计?????????????????????????????????????21
第10章脱模推出机构的设计????????????????????????????????21
第11章 温度调节系统的设计???????????????????????????????22
第12章 模具总体结构及工作过程???????????????????????????24
参考文献?????????????????????????????????????????????????25
设计总结?????????????????????????????????????????????????26
温馨提示:
1、题目前面的备注【字母数字编号】为本站整理分类的编号,与课题内容无关,请选题时忽视;
2、若题目上备注三维,则表示文件里包含三维源文件,由于三维组成零件数量较多,为保证预览截图的简洁性,本站将三维文件夹进行了打包。三维及CAD预览截图,均为本站电脑打开软件进行截图的,保证能够打开,下载原件超高清,下载后解压即可;
3、本站所有资源如无特殊说明,都需要本地电脑安装Office2007。图纸软件为AutoCAD,PROE,UG,SolidWorks,CATIA等;
4、本站所有图文资料仅供用户学习参考,不作为任何商用或其他用途;
5、本站不保证下载资源的准确性、安全性和完整性, 不包修改,不支持退换,同时也不承担用户因使用这些下载资源对自己和他人造成任何形式的伤害或损失;
6、 下载文件中如有侵权或不适当内容,请与我们联系,我们立即纠正。