

作品包括:
说明书1份,共64页,约23000字左右
CAD版本本图纸,共9张
摘要
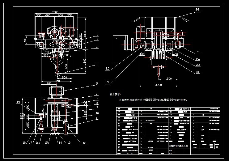
桥式起重机是一种提高劳动生产率重要物品搬运设备,主要适应车间物品搬运、设备的安装与检修等用途。我国生产的吊钩电动双梁桥式起重机额定起重范围为5~500t,一般10t以上,起重机有主、副两套起升机构;300t以上,起重机还有三套起升机构。
电动双梁起重机由桥架、小车运行机构、大车运行机构和电气设备构成。在系统整体设计中采用传统布局的典型结构,小车运行机构采用集中驱动。起升机构滑轮组采用双联滑轮组,重物在升降过程中没有水平移动,起升过程平稳,且钢丝绳的安装和更换容易。相应的卷绕装置采用单层卷筒,有与钢丝绳接触面积大,单位压力低的优点。在起升机构中还涉及到钢丝绳、减速器、联轴器、电动机和制动器的选择等。小车运行机构中涉及小车轮压计算、小车车轮、小车轨道、减速器、联轴器、电动机和制动器的选择计算等。
在起重机控制方面,起升机构用主令控制器和磁力控制屏来实现控制,大、小车运行机构用凸轮控制器直接控制。在控制系统设计中,主要针对起升机构、大车运行机构、小车运行机构电路控制系统的设计及保护电路的设计。利用低压电气元件控制起重机,其使用寿命较长,适合车间恶劣环境。
关键词:桥式起重机 起升机构 小车运行机构 电气控制系统
目录
中文摘要 ……………………………………………………………………… Ⅰ
英文摘要 ……………………………………………………………………… Ⅱ
1绪论 …………………………………………………………………………… 1
1.1桥式起重机简介 ………………………………………………………… 1
1.2普通桥式起重机的主要组成部分 ……………………………………… 1
1.2.2大车 ………………………………………………………………… 1
1.2.2小车 ………………………………………………………………… 1
1.2.3动力装置和控制系统 ……………………………………………… 1
1.3普通桥式起重机的运行方式 …………………………………………… 1
2设计任务及参数 ……………………………………………………………… 2
2.1主要技术参数 …………………………………………………………… 2
2.2起重机工作机构的级别 ………………………………………………… 2
3吊钩组的设计计算 …………………………………………………………… 3
3.1原始参数 ………………………………………………………………… 3
3.2设计步骤 ………………………………………………………………… 3
4滑轮组的设计计算 …………………………………………………………… 8
5钢丝绳的选择 ……………………………………………………………… 11
6卷筒的设计计算……………………………………………………………… 12
7钢丝绳在卷筒上的固定……………………………………………………… 16
8起升机构的设计计算………………………………………………………… 18
8.1原始参数 ……………………………………………………………… 18
8.2设计计算步骤…………………………………………………………… 18
9小车运行机构的设计计算…………………………………………………… 26
9.1原始参数………………………………………………………………… 26
9.2设计计算步骤…………………………………………………………… 26
10起重机主梁的设计计算 …………………………………………………… 36
10.1桥式起重机主梁的设计计算主要涉及内容 ………………………… 36
11安全装置的选择说明 ……………………………………………………… 37
11.1主要安全装置的说明 ………………………………………………… 37
11.1.1走台与栏杆 …………………………………………………… 37
11.1.2排障板 ………………………………………………………… 37
11.1.3小车行程限位开关……………………………………………… 37
11.1.4起升高度限位开关……………………………………………… 37
11.1.5大车行程限位开关……………………………………………… 37
11.1.6缓冲器与挡铁…………………………………………………… 37
11.2小车缓冲器选择计算 ………………………………………………… 38
11.3大车缓冲器选择计算 ………………………………………………… 39
12 20吨桥式起重机的控制系统设计………………………………………… 40
12.1控制电路设计分析 …………………………………………………… 40
12.1.1控制对象分析及控制元件的确定……………………………… 40
12.1.2控制系统的基本要求…………………………………………… 40
12.1.3电动机的工作状态分析 ………………………………………… 41
12.1.4起重机的供电 …………………………………………………… 43
12.2起升机构控制电路的工作原理………………………………………… 44
12.2.1起升机构控制电路的特点 ……………………………………… 44
12.2.2起升机构电路的保护与联锁 …………………………………… 44
12.2.3起升机构电气工作控制原理 …………………………………… 45
12.3小车运行机构电路工作原理…………………………………………… 49
12.3.1小车运行机构电路工作特点 …………………………………… 49
12.3.2小车运行机构的电气控制原理 ………………………………… 50
12.4大车运行机构电路工作原理…………………………………………… 51
12.4.1大车运行机构电路工作特点 …………………………………… 51
12.4.2大车运行机构的电气控制原理 ………………………………… 52
12.5保护电路的工作原理…………………………………………………… 53
12.5.1保护电路的组成 ………………………………………………… 53
结束语 …………………………………………………………………………… 55
参考文献 ………………………………………………………………………… 56
温馨提示:
1、题目前面的备注【字母数字编号】为本站整理分类的编号,与课题内容无关,请选题时忽视;
2、若题目上备注三维,则表示文件里包含三维源文件,由于三维组成零件数量较多,为保证预览截图的简洁性,本站将三维文件夹进行了打包。三维及CAD预览截图,均为本站电脑打开软件进行截图的,保证能够打开,下载原件超高清,下载后解压即可;
3、本站所有资源如无特殊说明,都需要本地电脑安装Office2007。图纸软件为AutoCAD,PROE,UG,SolidWorks,CATIA等;
4、本站所有图文资料仅供用户学习参考,不作为任何商用或其他用途;
5、本站不保证下载资源的准确性、安全性和完整性, 不包修改,不支持退换,同时也不承担用户因使用这些下载资源对自己和他人造成任何形式的伤害或损失;
6、 下载文件中如有侵权或不适当内容,请与我们联系,我们立即纠正。