

作品包括:
word版设计说明书一份,共82页,约40000字
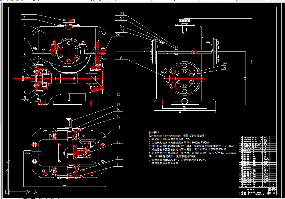
CAD版本图纸,共4张
毕业设计任务书
毕业设计题目:垂直轮盘汽车库设计
毕业设计专题题目:
毕业设计主要内容和要求:
1 完成垂直轮盘汽车库设计,主要进行机械方面设计;
2 完成毕业设计说明书的撰写,包括图表不少于15000字;
3 完成不少于3000字的英译汉翻译;
4 完成机械图纸总量不少于3张0号图纸。
摘 要
目前,国内生产的机械式停车设备大部分是采用机械提升传动方式,这种车库因存在存取过程的三维动作,因此,造价高,使用及维护费用高,前期资金投入大,存取速度难于提高,使很多开发商无法接受。楼房式大型停车库由于车辆集中停放,给停车者带来许多不方便之处,针对这一问题设计的垂直转盘式立体停车设备,其目的在于提供一种总体造价低、安全可靠、存取车辆方便快捷并且容易实现自动化管理的立体停车系统。该产品也是为房产开发商而设计的作为房地产第2产业的一种理想的立体车库。
在此介绍了一种新型的机械式立体停车设备,着重分析了垂直转盘式立体停车设备的结构及其控制系统原理,实验证明,该设备结构简单,运行安全可靠,存取车时间短,自动化控制水平高,容易实现自动化管理。
关键词::垂直轮盘式停车设备; 结构; 自动控制
目 录
1立体车库发展的现状与挑战 1
1. 1立体车库的需求 1
1. 2立体车库的优点 1
1.3立体车库现实中的情况 2
1.4立体车库遭受冷落的原因 2
1.5目前国内外停车场主要有以下几种类型 3
1.5.1平面停车场系统 3
1.5.2机械式停车场 3
1.5.3智能立体停车库 3
1.5.4遥控停车场管理系统 4
1.6机械式立体停车场的类型 4
1.6.1升降横移类停车库 4
1.6.2垂直循环类停车库 6
1.6.3水平循环式停车场 8
1.6.4多层循环式停车场 9
1.6.5平面移动式停车场 9
1.6.6巷道堆垛类停车库 10
1.6.7垂直升降类停车库 10
1.7市场发展障碍 11
1.7.1建设费用较大 11
1.7.2收费较高 11
1.7.3管理相对烦琐 11
1.8立体车库前瞻 12
2本次设计类型 13
2.1工作方式 13
2.1.1存车过程 13
2.1.2取车过程 13
2.2主要特点 14
3常见立体机械式车库的控制系统以及安全防护措施 15
3.1升降横移类停车库控制系统 15
3.2水平循环类停车库控制系统 16
3.3巷道堆垛类停车库控制系统 17
3.4垂直升降类停车库的控制系统..............................17
3.5本次设计垂直轮盘式停车库的控制系统 19
3.5.1自动控制系统 19
3.5.2控制电路 20
3.5.3工作方式 20
4钢结构部分设计 21
4.1吊梁的设计 22
4.1.1材料的选取 22
4.1.2吊梁的选取 24
4.1.3长梁的选取 25
4.1.4吊篮骨架的设计 26
4.1.5汽车托盘的设计 26
5减速器参数计算 27
5.1传动方案的确定 27
5.2电动机的选择 27
5.3总传动比的确定 29
5.4 传动系统各轴动力参数计算 30
5.5蜗轮蜗杆的设计选择 31
5.6 轴的受力分析 34
5.6.1 蜗杆的受力分析 34
5.6.2 轴蜗杆的设计 34
5.6.3低速轴的设计 38
5.7其他零件选用 41
5.7.1 齿轮、轴及轴承 41
5.7.2 减速器箱体 41
5.7.3减速器附件 42
5.8 制动器设计及选择 44
5.8.1制动器的类型 44
5.8.2制动器的选择与设计 44
5.8.3制动器的组成和工作过程 45
6安全装置的设计 47
6.1超载检测装置 47
6.2保护设备 48
6.3电磁安全三角铁 48
6.4停车设备的安全技术 50
7 后期的管理及维修 55
7.1立体车库的管理 55
7. 2 监控安保系统 56
7.2.1系统简介 57
7.2.2红绿黄指示灯 57
7.2.3存车操作 57
7.2.4取车操作 57
7. 3 系统的维护保养、检查、修理和调整 58
8 机械式停车场的管理法规 60
9 机械式停车设备的检验 64
10 结 论 70
参考文献: 71
翻译部分
英文原文 72
中文译文 78
致谢 82
温馨提示:
1、题目前面的备注【字母数字编号】为本站整理分类的编号,与课题内容无关,请选题时忽视;
2、若题目上备注三维,则表示文件里包含三维源文件,由于三维组成零件数量较多,为保证预览截图的简洁性,本站将三维文件夹进行了打包。三维及CAD预览截图,均为本站电脑打开软件进行截图的,保证能够打开,下载原件超高清,下载后解压即可;
3、本站所有资源如无特殊说明,都需要本地电脑安装Office2007。图纸软件为AutoCAD,PROE,UG,SolidWorks,CATIA等;
4、本站所有图文资料仅供用户学习参考,不作为任何商用或其他用途;
5、本站不保证下载资源的准确性、安全性和完整性, 不包修改,不支持退换,同时也不承担用户因使用这些下载资源对自己和他人造成任何形式的伤害或损失;
6、 下载文件中如有侵权或不适当内容,请与我们联系,我们立即纠正。