

作品包括:
word版设计说明书一份,共91页,约42000字
任务书一份
翻译一份
CAD版本图纸,共7张
毕业设计任务书
设计(论文)题目:叉车设计
设计(论文)专题题目:
设计(论文)主要内容和要求:
设计要求:叉车载重量为8吨,发动机功率82kw,
最高车速为30km/h,最大爬坡角20°。
设计主要内容:叉车总图A0
变速箱设计A0
驱动桥设计A0
举升液压缸设计A2
圆柱齿轮A3
齿轮轴A3
锥齿轮A3
设计论文80页
摘 要
叉车具有装卸和搬运功能,机动灵活,能适应多变的装卸搬运要求,普遍适用于港口、车站、货场、车间、仓库、油田及机场等处,还可以进入船舱和集装箱内进行装卸作业,除此之外,还广泛应用于军事部门和特殊防爆部门,有的车辆可无人驾驶,到人员不断接近的地方工作适用于柔性加工系统,总之,随着物流技术的不断发展和工业化水平的提高,叉车使用范围将日益扩大,成为一种产量与品种很多的装卸搬运机械。
本叉车是参照市场上已有产品大连CPCD80型8吨叉车设计,基本参数与相近,最大载重量也为8吨,本设计主要设计了变速箱、起降油缸、驱动桥。
现代叉车技术发展的主要趋势是充分考虑舒适性、安全可靠性和可维护性 ,产品专业化、系列多样化,大量应用新技术,完善操控系统,重视节能和环保 ,全面提升产品的性能和品质。
通过对国际国内叉车造型设计的现状分析,运用工业设计的理论和方法,研究了叉车造型设计的要素及设计原则:造型要求简洁明快、线条流畅,以体现车身的力度感与坚实稳重的感;色彩.力求单纯,给人以轻松、愉悦的感觉,主色调以明度较高的黄 色、橙色为宜;车身前后左右要求有宽大的玻璃,仪表具有良好的可读性。研究结果对叉车设计具有重要的实际指导意义。
关键词:叉车; 三轴式; 滑移直齿轮变速; 紧凑
目 录
1 绪论
1.1 叉车的用途与特点 …………………………………………………… 1
1.2 叉车的分类 …………………………………………………………… 2
1.3 我国叉车外观造型设计的现状 ……………………………………… 2
1.4 国际叉车外观造型设计的现状 ……………………………………… 3
1.5 叉车造型设计的几个方面 …………………………………………… 3
1.6 叉车技术的发展趋势 ………………………………………………… 5
1.7 叉车在特殊条件下的使用 …………………………………………… 7
2 叉车设计总体方案
2.1 设计总体方案确定 …………………………………………………… 9
2.1.1 方案的制定原则 ……………………………………………………… 9
2.1.2 设计方案的规划 ……………………………………………………… 9
2.1.3 方案设计内容总结 …………………………………………………… 10
2.2 叉车发动机的选择 …………………………………………………… 11
2.2.1 发动机基本型式的选择 ……………………………………………… 11
2.2.2 发动机主要性能指标的选择 ………………………………………… 12
3 变速箱设计
3.1 变速箱的构造和原理 ………………………………………………… 15
3.2 变速箱的结构方案图 ………………………………………………… 16
3.3 变速箱主要参数的选择 ……………………………………………… 16
3.3.1 变速箱挂慢速档时参数选择 ………………………………………… 16
3.3.2 变速箱挂快速档时参数选择 ………………………………………… 18
3.3.3 变速箱挂倒档时参数选择 …………………………………………… 20
3.3.4 中心距确定 …………………………………………………………… 21
3.3.5 齿轮模数确定 ………………………………………………………… 22
3.3.6 齿数分配 ……………………………………………………………… 22
3.3.7 齿轮其他基本几何参数与结构图 …………………………………… 23
3.3.8 主要零件的计算 ……………………………………………………… 28
3.4 齿轮公差组的确定 …………………………………………………… 30
3.5 轴的结够设计及强度计算 …………………………………………… 31
3.5.1 第一轴的结够设计及强度计算 ……………………………………… 31
3.5.2 中间轴的结够设计及强度计算 ……………………………………… 40
3.6 轴承的选择与校核 …………………………………………………… 47
3.7 键的选择与校核 ……………………………………………………… 48
3.8 确定箱体的基本参 …………………………………………………… 50
4 驱动桥设计
4.1 主减速器设计 ………………………………………………………… 50
4.2 差速器设计 …………………………………………………………… 52
4.2.1 齿轮主要参数选择 …………………………………………………… 53
4.2.2 几何参数的计算 ……………………………………………………… 54
4.2.3 行星齿轮轴直径及支撑长度确定 …………………………………… 55
4.3 齿轮强度计算 ………………………………………………………… 56
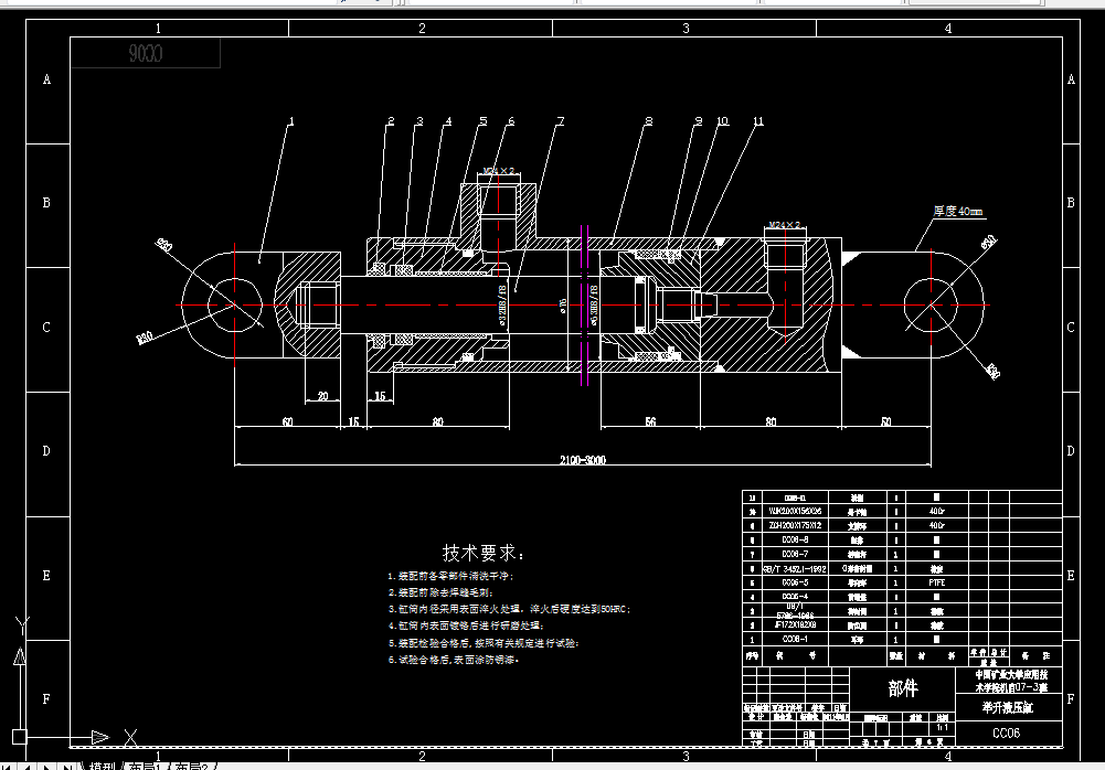
5 液压驱动与控制系统的设计
5.1 驱动马达的选择 ……………………………………………………… 56
5.2 举升液压缸的计算 …………………………………………………… 57
5.2.1 液压缸主要零件的作用 ……………………………………………… 57
5.2.2 液压缸主要尺寸的确定 ……………………………………………… 58
5.2.3 液压缸的结构设计 …………………………………………………… 60
5.3 驱动方案的选择 ……………………………………………………… 62
5.4 驱动方案的确定 ……………………………………………………… 63
6 液压系统的常见问题及解决措施 …………………………………………… 64
结论 ………………………………………………………………………………… 69
参考文献 …………………………………………………………………………… 70
附录1 叉车总图 ………………………………………………………………… 71
翻译部分
英文原文 ……………………………………………………………………… 72
中文译文 ……………………………………………………………………… 76
致谢 ………………………………………………………………………………… 80
温馨提示:
1、题目前面的备注【字母数字编号】为本站整理分类的编号,与课题内容无关,请选题时忽视;
2、若题目上备注三维,则表示文件里包含三维源文件,由于三维组成零件数量较多,为保证预览截图的简洁性,本站将三维文件夹进行了打包。三维及CAD预览截图,均为本站电脑打开软件进行截图的,保证能够打开,下载原件超高清,下载后解压即可;
3、本站所有资源如无特殊说明,都需要本地电脑安装Office2007。图纸软件为AutoCAD,PROE,UG,SolidWorks,CATIA等;
4、本站所有图文资料仅供用户学习参考,不作为任何商用或其他用途;
5、本站不保证下载资源的准确性、安全性和完整性, 不包修改,不支持退换,同时也不承担用户因使用这些下载资源对自己和他人造成任何形式的伤害或损失;
6、 下载文件中如有侵权或不适当内容,请与我们联系,我们立即纠正。