

作品包括:
word版设计说明书一份,共68页,约57000字
翻译一份
任务书一份
CAD版本图纸,共9张
毕业设计任务书
毕业设计题目:带式输送机断带保护装置设计
毕业设计专题题目:
毕业设计主要内容和要求:
分析现有各种皮带断带抓捕工具的研究现状,设计一种皮带输送机断带保护器。皮带输送机安装倾角为20°,皮带输送机输送带断裂后能快速有效的实现断带夹紧或防止输送机倒转。
找出了带式输送机断带的危害及原因,讨论了目前国内断带保护装置的保护原理和典型的结构形式,阐述了抓捕原理和全线柔性摩擦制动原理的保护原理。带式输送机由于其运距长、运量大和连续输送等优点,现已在煤炭生产中普遍采用。但在使用过程中由于各种因素断带事故时有发生。平运胶带输送机断带后危害不十分大,但由于上运带式输送机,特别是作为主提升用的上运带式输送机,倾角大、胶带长、负荷大,一旦发生断带事故,就会产生很大的危害,断带保护装置的使用可以从很大程度上减少这种危害。
因此本设计着重研究断带保护,对保护器进行设计优化。也是设计的主要内容和要求。
摘 要
带式输送机是一种输送松散物料的主要设备,因其具有输送能力大、结构简单、投资费用相对较低,以及维护方便等特点而被广泛应用于热电厂、焦化厂及煤矿等运输物料。然而在长期使用过程中由于胶带自身原因和外在因素的影响,常发生胶带的断带事故,使得胶带、减速器损坏,严重时可毁坏机架.造成胶带和物料的大量堆积而停产,甚至人员伤亡。分析了断带的原因,讨论了国内外皮带的研究现状及现有各种皮带断带抓捕工具的研究现状。针对带式输送机断带的实际情况,设计了偏心轮夹紧机构,主要为能实现输送带断裂后夹紧或防止输送机倒转。其整个系统主要由偏心轮夹紧机构、液压泵站和液压缸部分组成。整个系统工作过程:通过速度传感器动态检测带速的变化,进行断带判断处理与夹紧命令的输出,动态切断驱动滚筒电源,并使液压泵站的电磁换向阀动作,从而启动液压缸夹紧机构,实现断带的夹紧。有效减少了断带带来的损失,缩短了维修的时间,提高了生产效率。在输送机运送物料时常发生断带事故,而现在的断带抓捕装置很多:有(1)带下安装阻尼板,(2)单向托辊摩擦制动,(3)自适应摩擦棘轮式断带保护器,(4)GBZ型滚动下落胶带抓捕器,(5)偏心轮抓捕器。本文以及本设计主要是以偏心轮的结构在输送机工作时产生夹紧力,和通过在托辊上安装磁电式速度传感器来获取带速的变化。
这样不仅知道带速的变化,而且通过速度有效实施断带保护的最终目的。有效的进行安全生产和人员的人身安全。减少煤矿事故,确保输送机的安全运转,也为煤矿在经济投入上获得了一定的经济效益。所以在输送机上除了安装有清扫装置,张紧装置,防滑装置以外, 断带保护更应该引起人们的高度重视。
关键词:偏心轮夹紧机构;液压泵站;液压缸设计;带式输送机; 速度传感器
目 录
第1章 绪论
1.1引言 1
1.2国内外带式输送机的研究现状 2
1.3皮带断带抓捕的研究意义 4
1.4皮带断带保护的意义 7
1.5 设计的主要内容和思路 8
第2章 夹紧机构抓捕的设计 9
2.1 夹紧力的实现 9
2.1.1夹紧机构夹紧力的计算 9
2.1.2夹紧力实现原理图 9
2.2断带抓捕器的性能要求 10
2.3抓捕器夹紧机构的组成 11
2.4偏心轮夹紧机构的工作原理和结构设计 11
2.5偏心轮夹紧旋转角度与活塞杆行程的确定 11
2.6偏心轮的结构设计 12
2.7 断带产生的原因 13
第3章 液压泵站的计算与设计 13
3.1液压系统方案的设计 13
3.2液压缸参数的计算 15
3.2.1液压缸工作压力及主要结构尺寸的计算 15
3.2.2液压缸壁厚和外径的计算 17
3.2.3液压缸缸盖厚度的确定 19
3.2.4液压缸缸体长度的确定 19
3.3液压缸结构的设计 19
3.3.1缸体与缸盖的连接形式 20
3.3.2活塞杆与活塞的连接形式 20
3.3.3活塞杆导向部分的结构 21
3.3.4活塞及活塞杆处密封圈的选用 21
3.3.5液压缸的安装连接结构 22
3.3.6液压缸主要零件的材料和技术要求 22
3.4液压泵参数的计算与选型 24
3.5电动机的参数计算与选型 25
3.6液压控制阀的选择 25
3.7液压辅件的选择 27
3.7.1蓄能器的选型 27
3.7.2过滤器的选型 28
3.8液压泵站的结构设计 29
3.9液压泵站的安装调试、使用维护与故障诊断 30
3.9.1液压泵站的安装调试 30
3.9.2液压泵站的使用与维护 32
3.9.3液压泵站的故障诊断 34
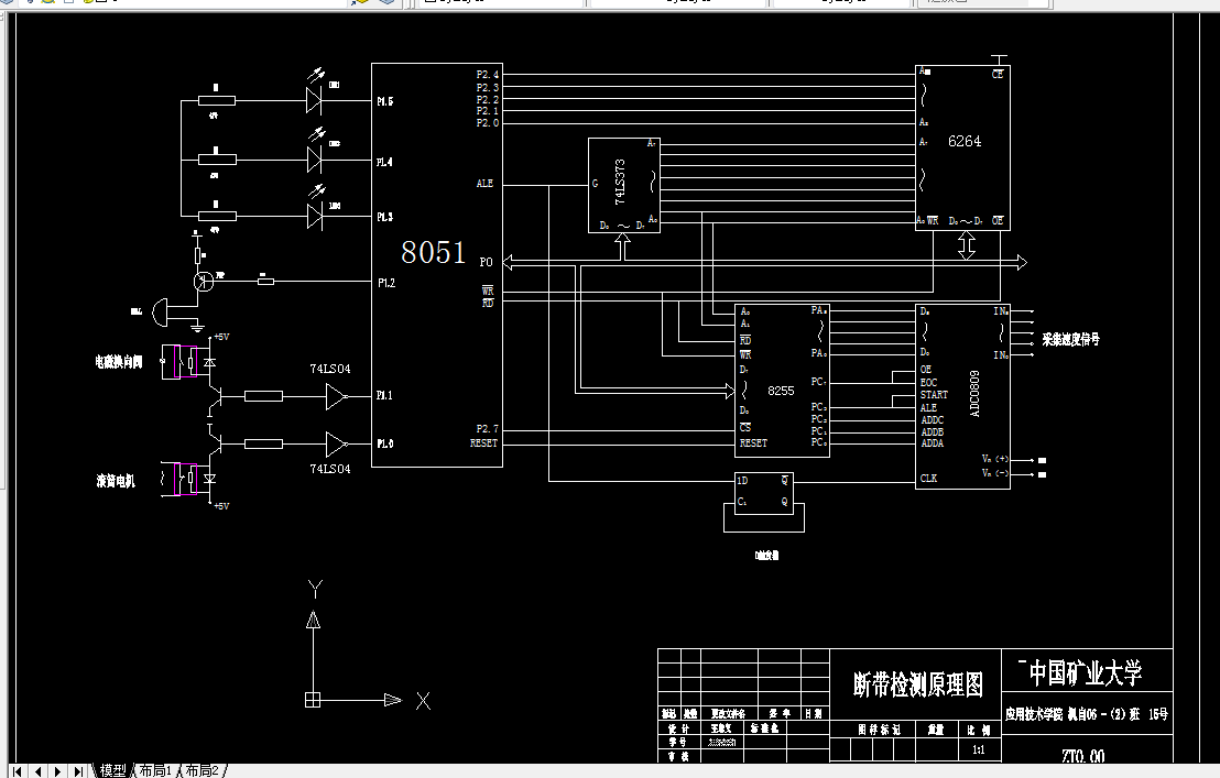
第4章 断带保护检测 35
4.1检测的实际意义 35
4.2断带信号检测 35
4.3常用的断带检测方法 35
4.4断带控制的硬件选用 36
4.5检测与控制原理: 40
4.6单片机控制系统的软件设计 41
第5章 带式输送机未来发展与解析 43
5.1上运式皮带输送机的断带保护装置 43
5.2带式输送机的分类与发展现状 45
5.3 煤矿带式输送机的发展现状 47
5.3.1 煤矿带式输送机的现状和研究目标 47
5.3.2 国外煤矿用带式输送机技术的现状 47
5.3.3 国内煤矿输送机技术现状及存在问题 48
5.4 煤矿带式输送机技术的发展 50
5.5断带事故的预防和保护 51
5.6自适应摩擦棘轮式输送带断带保护逆止器的研究 52
5.7断带保护系统的研究方法 53
5.7.1带式输送机断带保护系统的研究 53
5.7.2 煤矿井下胶带输送机断带保护的研究 54
5.7.3输送机保护装置在煤矿方面的研究与运用 57
第6章 设计结论部分 59
参考文献: 59
附录(一):带式输送机的安装使用及维护 60
附录(二):带式输送机安全规范 63
翻译部分: 65
中文原文 65
英文原文: 68
致 谢 68
温馨提示:
1、题目前面的备注【字母数字编号】为本站整理分类的编号,与课题内容无关,请选题时忽视;
2、若题目上备注三维,则表示文件里包含三维源文件,由于三维组成零件数量较多,为保证预览截图的简洁性,本站将三维文件夹进行了打包。三维及CAD预览截图,均为本站电脑打开软件进行截图的,保证能够打开,下载原件超高清,下载后解压即可;
3、本站所有资源如无特殊说明,都需要本地电脑安装Office2007。图纸软件为AutoCAD,PROE,UG,SolidWorks,CATIA等;
4、本站所有图文资料仅供用户学习参考,不作为任何商用或其他用途;
5、本站不保证下载资源的准确性、安全性和完整性, 不包修改,不支持退换,同时也不承担用户因使用这些下载资源对自己和他人造成任何形式的伤害或损失;
6、 下载文件中如有侵权或不适当内容,请与我们联系,我们立即纠正。