

作品包括:
说明书1份,共36页,约14000字左右
CAD版本图纸,共6张
摘要
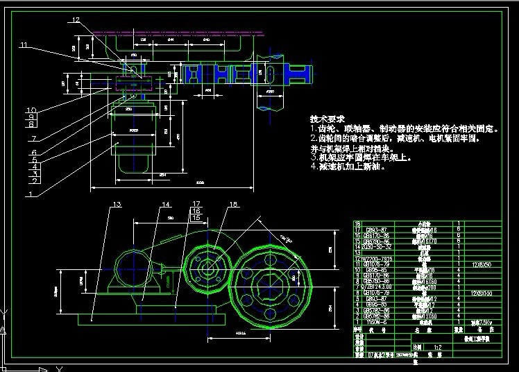
校园电动车是近几年出现的一种新兴交通工具。校园电动车有着节能,环保,便捷等诸多的优点。因此本课题具有很强的现实意义和接近实际水平的设计要求,尤其是对机械设计部分和电气控制部分的设计。 本毕业设计主要进行了电动车的机械部分的分析和设计,包括电动车的减速器、差速器、轴承的选择设计、各主要零部件的强度校核与计算、以及基本的机械传动部分的实现等。通过所设计好机械各部分或者整体部分的结构以及相关尺寸,利用制图软件CAD进行相关的配图的绘制以及其他零件图的绘制。 根据电动车前进、后退、制动等基本控制要求,给出电动机的电气控制设计。
关键词: 校园电动车;交通工具;强度校核;机械传动
目 录
1绪论 1
1.1概述 1
1.2电动车的优势与发展 2
1.3本设计的主要任务 3
2 机械部分设计 4
2.1概述 4
2.1.1基本要求 4
2.1.2 基本数据 4
2.2 传动部分设计 5
2.2.1减速器传动比计算 5
2.2.2 齿型选择 6
2.2.3 载荷计算 6
2.2.4 齿轮材料选择 7
2.2.5 齿轮强度计算 8
2.3 差速器设计 12
2.3.1 对称式圆锥行星齿轮差速器原理 12
2.3.2 对称式圆锥行星齿轮差速器结构 14
2.3.3 差速器齿轮基本参数选择 14
2.3.4 差速器齿轮强度计算 17
2.4 轴承选择与校核 18
2.4.1 概述 18
2.4.2 滚动轴承类型及代号 19
2.4.3 滚动轴承选择 21
2.4.4 滚动轴承约束设计 22
3电动车电气控制设计 24
3.1主电路 24
3.1.1 H型双极模式PWM控制 24
3.1.2控制电路 25
3.1.3 SG3525的内部电路和参数 26
3.2电动车电池设计方案 27
3.2.1 电池槽 27
结论 28
致谢 29
参考文献 30
温馨提示:
1、题目前面的备注【字母数字编号】为本站整理分类的编号,与课题内容无关,请选题时忽视;
2、若题目上备注三维,则表示文件里包含三维源文件,由于三维组成零件数量较多,为保证预览截图的简洁性,本站将三维文件夹进行了打包。三维及CAD预览截图,均为本站电脑打开软件进行截图的,保证能够打开,下载原件超高清,下载后解压即可;
3、本站所有资源如无特殊说明,都需要本地电脑安装Office2007。图纸软件为AutoCAD,PROE,UG,SolidWorks,CATIA等;
4、本站所有图文资料仅供用户学习参考,不作为任何商用或其他用途;
5、本站不保证下载资源的准确性、安全性和完整性, 不包修改,不支持退换,同时也不承担用户因使用这些下载资源对自己和他人造成任何形式的伤害或损失;
6、 下载文件中如有侵权或不适当内容,请与我们联系,我们立即纠正。