

作品包括:
Word版说明书一份,共23页,约6200字
CAD版本图纸,共4张
摘 要
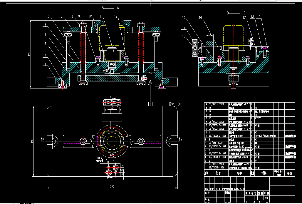
这次设计的是接头。包括零件图、毛坯图、装配图各一张,机械加工工艺过程卡片和与工序卡片各一张。根据零件的性质和零件图上各端面的粗糙度确定毛坯的尺寸和机械加工余量。最后拟定顶杆帽的工艺路线图,制定该工件的夹紧方案,画出夹具装配图。
机械制造工艺学课程设计是我们学完了大学的全部基础课、技术基础课以及大部分专业课之后进行的.这是我们在进行毕业设计之前对所学各课程的一次深入的综合性的总复习,也是一次理论联系实际的训练,因此,它在我们四年的大学生活中占有重要的地位
就我个人而言,我希望能通过这次课程设计对自己未来将从事的工作进行一次实际的训练,从中锻炼自己分析问题、解决问题的能力。由于能力所限,设计尚有许多不足之处,恳请各位老师给予指导。
目录
1. 接头的工艺分析及生产类型的确定6
1.1 接头的用途6
1.2.接头的技术要求6
1.3.审核接头的工艺性7
1.4. 确定接头的生产类型7
2 .确定毛坯、绘制毛坯简图7
2.1.选择毛坯7
2.2.确定毛坯的尺寸公差和加工余量7
2.2.1 公差等级7
2.2.2 锻件重量8
2.2.3锻件形状复杂系数8
2.2.4 铸件的材质系数8
2.2.5锻件分模线形状8
2.2.6零件表面粗糙度8
3.拟定接头工艺路线9
3.1.选择定位基准:9
3.2.表面加工方法的确定9
3.3.加工阶段的划分10
3.4. 工序的集中与分散10
3.5. 工序顺序的安排10
3.6. 确定工艺路线11
4.机床设备及工艺装备的选用12
4.1机床设备选用12
4.2工艺设备12
5铣28MM槽的切削用量的计算12
6夹具设计13
6.1 问题的提出13
6.2 夹具设计14
6.1.1定位基准的选择14
6.1.2切削力和夹紧力的计算15
7体会与展望16
8参考文献18
温馨提示:
1、题目前面的备注【字母数字编号】为本站整理分类的编号,与课题内容无关,请选题时忽视;
2、若题目上备注三维,则表示文件里包含三维源文件,由于三维组成零件数量较多,为保证预览截图的简洁性,本站将三维文件夹进行了打包。三维及CAD预览截图,均为本站电脑打开软件进行截图的,保证能够打开,下载原件超高清,下载后解压即可;
3、本站所有资源如无特殊说明,都需要本地电脑安装Office2007。图纸软件为AutoCAD,PROE,UG,SolidWorks,CATIA等;
4、本站所有图文资料仅供用户学习参考,不作为任何商用或其他用途;
5、本站不保证下载资源的准确性、安全性和完整性, 不包修改,不支持退换,同时也不承担用户因使用这些下载资源对自己和他人造成任何形式的伤害或损失;
6、 下载文件中如有侵权或不适当内容,请与我们联系,我们立即纠正。