欢迎来到龙图网在线图文分享平台-CAD图纸,设计说明书,工业设计3D模型,三维软件下载!   客服QQ:2363701252
热搜:

工艺夹具 模具设计 数控编程 土木工程 3D模型

T495-年产15万吨PVC全工段工艺设计 下载积分:150 资料编号: T495

1.打开支付宝或者微信扫描二维码。
2.填写金额:150 
3.添加备注,填写资料编号:
资料编号: T495
4.支付成功后,请发资料编号到邮箱:jxsj168@qq.com
会有专人在15分钟内把资料发到您邮箱
备注:如果付款忘记填写资料编号,则发邮件时附带您的交易明细截图即可。
请耐心等待,如超过30分钟还没收到,请联系客服QQ:2363701252
点击分享:

作品描述

作品包括:

word说明书一份,共61页,约23000字

CAD版本图纸,共4张


摘    要

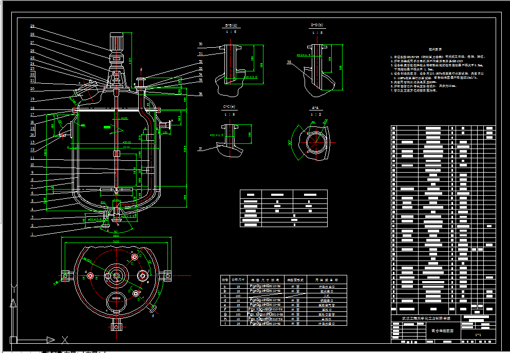
本设计采用电石法、悬浮法聚合生产PVC。对年产15万吨聚氯乙烯(PVC)全工段工艺设计,进行了乙炔段物料衡算、氯乙烯合成物料衡算、聚合段物料衡算、汽提段物料衡算、离心干燥段物料衡算和乙炔段热量衡算、氯乙烯合成热量衡算、聚合釜热量衡算。得出本次设计需采用九个48 (Ⅱ型)不锈钢聚合釜并联操作,五台70 出料槽,21台WL-630型离心机。同时绘制了带控制点的PVC合成工艺流程图、带控制点的PVC汽提工艺流程图、聚合工段主要设备平面布置图、聚合工段主要设备立面布置图以及聚合釜装配图等。

关键词:聚氯乙烯;电石法;悬浮聚合;聚合釜;工艺流程


目    录

摘    要 I

Abstract II

目    录 III

第一章  文献综述 1

1.1聚氯乙烯的性质 2

1.1.1物理性质 2

1.1.2化学性质 2

1.1.3聚氯乙烯的用途 3

1.2聚氯乙烯生产工艺介绍 4

1.2.1世界聚氯乙烯工艺技术进展 4

1.2.3 国内聚氯乙烯工业技术进展 4

1.3聚氯乙烯生产方法及工艺流程的介绍 5

1.3.1聚氯乙烯生产方法介绍 5

1.3.2聚氯乙烯的工艺流程介绍 6

第二章 工艺流程说明 9

2.1 乙炔发生及氯乙烯合成阶段 9

2.2悬浮聚合工艺流程: 10

2.3 料浆汽提工艺流程: 12

2.4 离心干燥工艺流程: 12

第三章  物料衡算 14

3.1物料衡算依据 14

3.2物料衡算条件 15

3.3各个设备物料衡算 17

3.3.1乙炔发生段与氯乙烯合成段物料衡算 17

3.3.2聚合釜物料衡算 20

3.3.3出料槽物料衡算 22

3.3.4汽提塔物料衡算 23

3.3.5离心机物料衡算 26

3.3.6气流干燥物料衡算 26

3.3.7沸腾干燥物料衡算 27

3.3.8筛分包装物料衡算 28

3.4物料衡算总平衡 29

第四章  热量衡算 31

4.1乙炔发生器的热量衡算 31

4.1.1设计条件 31

4.1.2水解反应放热 31

4.2氯乙烯工序阶段物料衡算 33

4.3聚合釜热量衡算 35

4.4汽提塔热量衡算 38

4.5列管式换热器热量衡算 39

4.6气流干燥塔热量衡算 40

4.7空气加热器热量衡算 43

第五章  设备选型计算 45

5.1聚合釜的选型 45

5.2料浆排放槽的选型 45

5.3离心机的选型 46

5.4气流干燥塔鼓风机的选型 47

5.5列管式换热器的选型 48

设备一览表 49

第六章 安全生产及环境保护 51

6.1氯乙烯的燃烧爆炸性能 51

6.2氯乙烯的防火防爆措施 51

6.3聚合釜安全生产 52

6.4环境保护 53

6.4.1PVC的环境保护 53

6.4.2减少氯乙烯污染的预防措施 54

6.5 今后国内聚氯乙烯工业的发展目标和对策 55

参考文献 56

致谢 57

温馨提示:

1、题目前面的备注【字母数字编号】为本站整理分类的编号,与课题内容无关,请选题时忽视;

2、若题目上备注三维,则表示文件里包含三维源文件,由于三维组成零件数量较多,为保证预览截图的简洁性,本站将三维文件夹进行了打包。三维及CAD预览截图,均为本站电脑打开软件进行截图的,保证能够打开,下载原件超高清,下载后解压即可;

3、本站所有资源如无特殊说明,都需要本地电脑安装Office2007。图纸软件为AutoCAD,PROE,UG,SolidWorks,CATIA等;

4、本站所有图文资料仅供用户学习参考,不作为任何商用或其他用途;
5、本站不保证下载资源的准确性、安全性和完整性, 不包修改,不支持退换,同时也不承担用户因使用这些下载资源对自己和他人造成任何形式的伤害或损失;

6、 下载文件中如有侵权或不适当内容,请与我们联系,我们立即纠正。


线