

作品包括:
word说明书一份,共26页,约8000字
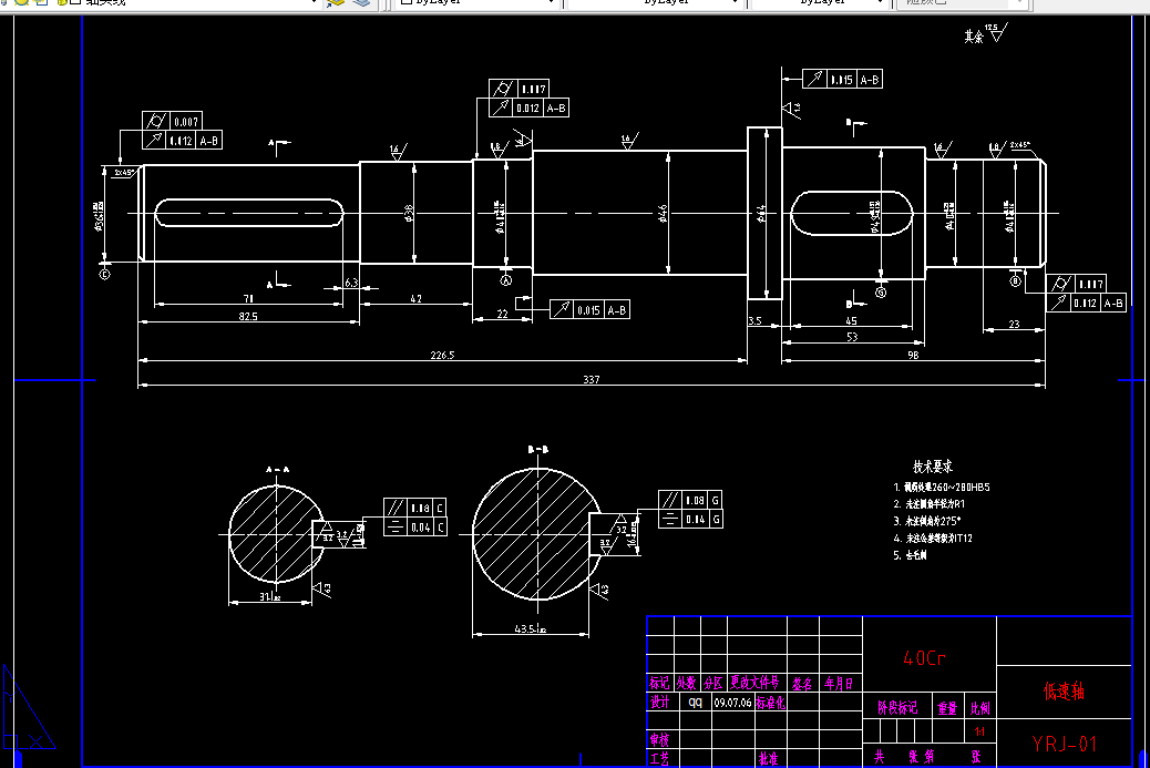
CAD版本图纸,共3张
目 录
一、 机械设计课程设计任务书
1.1 机械设计课程设计的目的………………………………………………………………… 3
1.2 机械设计课程设计的题目………………………………………………………………… 3
1.3 机械设计课程设计的内容及要求………………………………………………………… 4
1.4 机械设计课程设计的时间安排…………………………………………………………… 4
二、 设计步骤
2.1传动装置总体设计方案…………………………………………………………………… 4
2.2 电动机的选择……………………………………………………………………………… 5
2.3 确定传动装置的总传动比和分配传动比………………………………………………… 6
2.4 计算传动装置的运动和动力参数………………………………………………………… 6
2.5齿轮的设计………………………………………………………………………………… 7
2.6传动轴的设计及校核……………………………………………………………………… 14
2.7滚动轴承的设计及校核…………………………………………………………………… 18
2.8键联接设计………………………………………………………………………………… 21
2.9箱体结构的设计…………………………………………………………………………… 22
2.10润滑密封设计……………………………………………………………………………… 25
2.11联轴器设计………………………………………………………………………………… 25
三.设计小结………………………………………………………………………………………… 25
四.参考资料………………………………………………………………………………………… 26
温馨提示:
1、题目前面的备注【字母数字编号】为本站整理分类的编号,与课题内容无关,请选题时忽视;
2、若题目上备注三维,则表示文件里包含三维源文件,由于三维组成零件数量较多,为保证预览截图的简洁性,本站将三维文件夹进行了打包。三维及CAD预览截图,均为本站电脑打开软件进行截图的,保证能够打开,下载原件超高清,下载后解压即可;
3、本站所有资源如无特殊说明,都需要本地电脑安装Office2007。图纸软件为AutoCAD,PROE,UG,SolidWorks,CATIA等;
4、本站所有图文资料仅供用户学习参考,不作为任何商用或其他用途;
5、本站不保证下载资源的准确性、安全性和完整性, 不包修改,不支持退换,同时也不承担用户因使用这些下载资源对自己和他人造成任何形式的伤害或损失;
6、 下载文件中如有侵权或不适当内容,请与我们联系,我们立即纠正。