

作品包括:
Word版设计说明书1份,共38页,约29000字
CAD版本图纸,共8张
摘 要
随着我国电子制造业和印制电路板(PCB)行业的快速发展给电子制造装备提出越来越高的要求,印制电路板数控钻床向着高速、高精度、高可靠性、智能化、柔性化、集成化的发展趋势越来越明显,目前,高精度高速微孔印制电路板数控钻床是制约和影响我国电子制造业水平和电子信息产业基础配套能力的重要因素,是我国电子制造业与世界先进水平差距体现的重要环节之一。因此,开展高精度高速微孔印制电路板数控钻床关键技术的研究与应用,改善和提高PCB数控钻床的整体性能,对于提高我国电子制造工艺装备水平和电子信息制造业自我配套能力具有重要的现实意义。本文系统的介绍了自行设计与制造的加工印刷电路板微型数控钻床及其控制系统的组成及原理,并对各部分功能进行了分析,特别是MCS-51系列单片机的具体应用及扩展,研究结果具有实用价值.
关键词:印制板数控钻床;MCS-51单片机;步进电机;滚珠丝杠副
目 录
摘 要 I
ABSTRACT(英文摘要) Ⅱ
目 录 Ⅲ
第一章 绪论 1
1.1 概述 1
1.2 CNC钻床技术 2
1.2.1 CNC钻床技术的主要特点 2
1.2.2 CNC钻床技术发展的由来 4
1.2.3 CNC钻床技术发展的几个阶段 4
1.2.4 CNC钻床技术的发展现状 5
1.2.5 CNC钻床技术的发展趋势 7
1.3 对我国先进CNC技术发展的几点考虑 8
1.4 课题研究的目的和意义 10
第二章 总体方案的确定 11
2.1 机床总体设计的要求 11
2.1.1 机床布局的基本要求 11
2.1.2 机床应具有的性能指标 12
2.1.3 人机关系 12
2.2 总体设计方案的确定 12
第三章 机械部分设计计算 16
3.1 切削参数的计算 16
3.1.1 切削力的计算 16
3.1.2 切削功率的计算 16
3.2 步进电机的选用 17
3.2.1 步进电机的特点 17
3.2.2 步进电机的种类 18
3.2.3 步进电机的工作原理 19
3.2.4 步进电机的选择计算 21
3.2.5 步进电机的控制 22
3.3 滚珠丝杠螺母副的选用 23
3.3.1 滚珠丝杠螺母机构工作原理和特点 24
3.3.2 滚珠丝杠螺母副的结构 25
3.3.3 滚珠丝杠螺母副的支撑方式 26
3.3.4 滚珠丝杠的选择计算 26
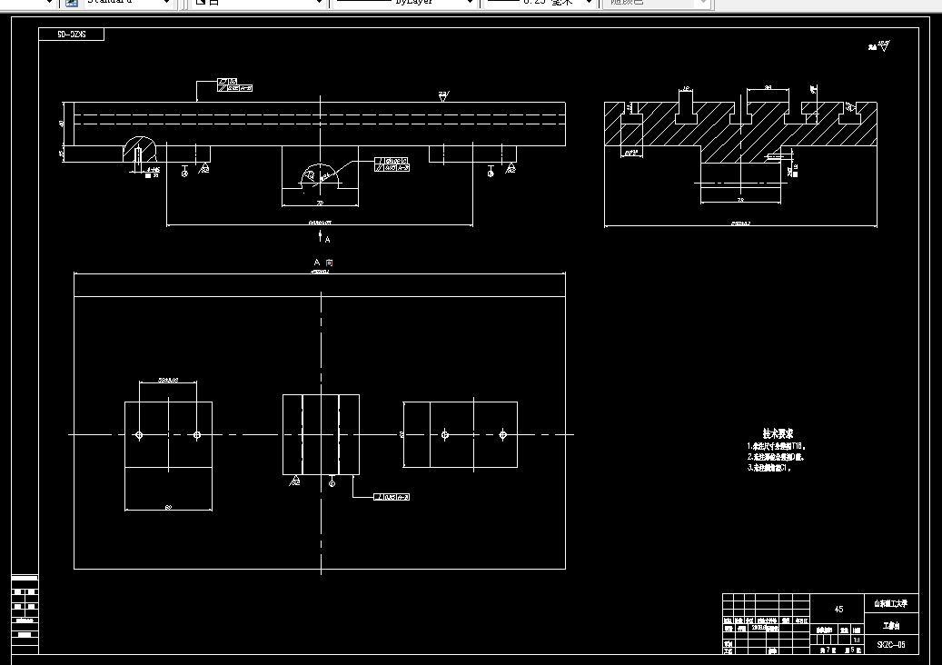
3.4 导轨的选用 30
3.4.1 导轨应满足的要求 30
3.4.2 滚动直线导轨副的结构 31
3.4.3 直线运动滚动导轨副的特点 32
3.4.4 滚动直线导轨副型号的选择 33
3.5 滚动轴承及联轴器的选用 33
3.5.1 滚动轴承的选用 33
3.5.2 联轴器的选择 35
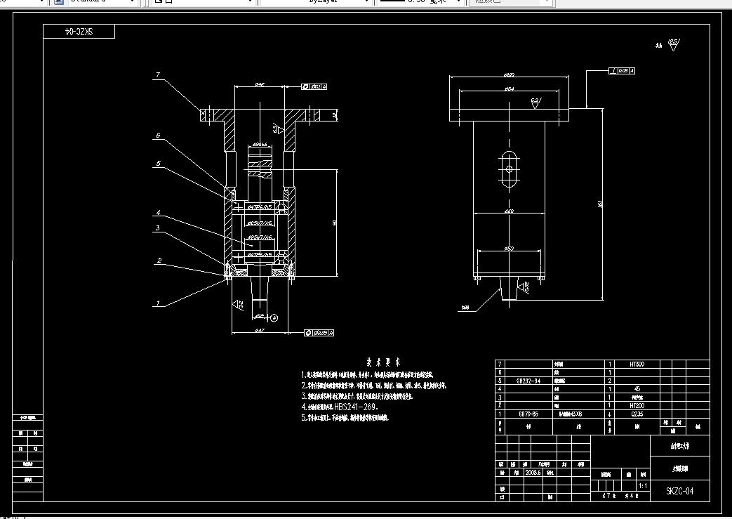
3.6主轴系统及工作台的设计 35
3.6.1 主轴的结构设计 35
3.6.2 主轴轴承的选用 36
3.6.3主轴电动机和工作台 37
第四章 步进电机控制系统设计 39
4.1 单片机 39
4.1.1 单片机的特点及其应用 40
4.1.2 单片机的选用 41
4.1.3 8031单片机的引脚功能 41
4.2 可编程计数器/定时器8253 44
4.2.1 8253的引脚 44
4.2.2 8253的工作模式 45
4.3 脉冲分配器及功率放大电路 46
4.4 控制图说明 46
4.4.1单片机部分 46
4.4.2 8253部分 47
4.4.3 CH250部分 48
4.4.4 功率放大部分 48
结 论 49
参考文献 51
致 谢 52
温馨提示:
1、题目前面的备注【字母数字编号】为本站整理分类的编号,与课题内容无关,请选题时忽视;
2、若题目上备注三维,则表示文件里包含三维源文件,由于三维组成零件数量较多,为保证预览截图的简洁性,本站将三维文件夹进行了打包。三维及CAD预览截图,均为本站电脑打开软件进行截图的,保证能够打开,下载原件超高清,下载后解压即可;
3、本站所有资源如无特殊说明,都需要本地电脑安装Office2007。图纸软件为AutoCAD,PROE,UG,SolidWorks,CATIA等;
4、本站所有图文资料仅供用户学习参考,不作为任何商用或其他用途;
5、本站不保证下载资源的准确性、安全性和完整性, 不包修改,不支持退换,同时也不承担用户因使用这些下载资源对自己和他人造成任何形式的伤害或损失;
6、 下载文件中如有侵权或不适当内容,请与我们联系,我们立即纠正。