欢迎来到龙图网在线图文分享平台-CAD图纸,设计说明书,工业设计3D模型,三维软件下载!   客服QQ:2363701252
热搜:

工艺夹具 模具设计 数控编程 土木工程 3D模型

KS924G-一四档变速叉加工工艺及铣φ16孔右端面夹具设计 下载积分:50 资料编号: KS924G

1.打开支付宝或者微信扫描二维码。
2.填写金额:50 
3.添加备注,填写资料编号:
资料编号: KS924G
4.支付成功后,请发资料编号到邮箱:jxsj168@qq.com
会有专人在15分钟内把资料发到您邮箱
备注:如果付款忘记填写资料编号,则发邮件时附带您的交易明细截图即可。
请耐心等待,如超过30分钟还没收到,请联系客服QQ:2363701252
点击分享:

作品描述

作品包括:

说明书1份,共30页,约9900字左右

CAD版本本图纸,共4张

摘    要

   变速叉零件的加工工艺和夹具设计课题。在进行设计过程中,首先是对变速叉零件的图纸分析。了解到图纸的各个表面加工的精度要求以及粗糙度要求等。然后再确定每一加工表面进行确定加工方案。制作一条合理的加工工艺规程方案。加工工艺规程在加工过程中尤为重要的一部分。因为其可以直接影响到零件的加工精度和加工效率。一般来说,要想保证加工的精度。那么需要确定加工表面的加工过程方案。要想保证加工效率,那么需要对其进行设计夹具。这两者在整个设计中缺一不可。本文中,变速叉零件其图纸要求较高。那么进行加工时,要做到加工分粗精加工。不同表面按照实际情况出发,对于精度要求高的表面。要做到先粗加工然后再进行精加工。而夹具设计的环节中,要考虑夹具设计的夹具结构不能复杂。这样有利于操作和维修。在进行夹具设计中,要确定夹具设计误差的分析和计算。确定所设计夹具符合要求再进行对其操作。

   关键词:变速叉;工艺;工序;夹具

目录

1 绪论1

1.1 研究的目的及意义1

1.2 国内外现状和发展趋势1

1.3 本课题研究的内容2

2 变速叉的工艺设计3

2.1 变速叉零件的分析3

2.2 工艺过程设计中应考虑的问题4

2.2.1 加工方法原则4

2.2.2 加工阶段的划分4

2.2.3 加工顺序的安排5

2.3 定位基准的选择6

2.3.1 粗基准的选择6

2.3.2 精基准的选择6

2.4 变速叉零件的加工工艺的路线分析和比较6

2.5 各工序加工设备及工艺装备8

2.5.1 设备的选择8

2.5.2 刀具的选择9

2.5.3 量具的选择9

2.6 工序切削用量及基本工时确定9

2.6.1 工序30粗、精铣Φ16孔左端面9

2.6.2 工序40粗、精铣Φ16孔右端面11

2.6.3 工序50钻Φ12mm孔13

2.6.4 工序60铣叉口14

2.6.5 工序70扩、绞Φ16孔15

2.6.6 工序80铣宽为15mm槽17

2.6.7 工序90:钻、攻M10螺纹孔18

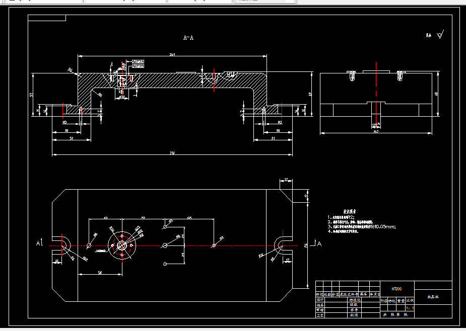
3 铣夹具设计21

3.1 机床夹具分析21

3.2 铣夹具分析21

3.3 定位基准的选择21

3.4 定位夹紧方案的设计22

3.5 夹具压板的设计22

3.6 夹具体设计23

3.7 夹具装配总图简述23

结  论25

致  谢26

参考文献27

温馨提示:

1、题目前面的备注【字母数字编号】为本站整理分类的编号,与课题内容无关,请选题时忽视;

2、若题目上备注三维,则表示文件里包含三维源文件,由于三维组成零件数量较多,为保证预览截图的简洁性,本站将三维文件夹进行了打包。三维及CAD预览截图,均为本站电脑打开软件进行截图的,保证能够打开,下载原件超高清,下载后解压即可;

3、本站所有资源如无特殊说明,都需要本地电脑安装Office2007。图纸软件为AutoCAD,PROE,UG,SolidWorks,CATIA等;

4、本站所有图文资料仅供用户学习参考,不作为任何商用或其他用途;
5、本站不保证下载资源的准确性、安全性和完整性, 不包修改,不支持退换,同时也不承担用户因使用这些下载资源对自己和他人造成任何形式的伤害或损失;

6、 下载文件中如有侵权或不适当内容,请与我们联系,我们立即纠正。


线