

作品包括:
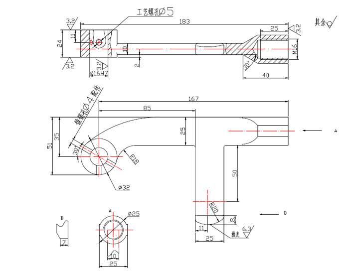
Word版说明书1份,13页,约4300字
CAD版本图纸,共4张
SW三维图一份
目录
一、零件的主要技术条件分析 1
二、选择毛坯、确定毛坯尺寸 2
2.1 零件的生产类型 2
2.2 选择毛坯 2
2.3 确定机械加工余量 2
2.4 确定毛坯尺寸 2
2.5确定毛坯尺寸公差 2
三、选择加工方法、制定工艺路线 3
3.1 定位基准的选择 3
3.2 零件表面加工方法的选择 3
3.3 制定工艺路线 3
四、工序设计 4
4.1 选择加工设备与工艺装备 4
4.2 确定工序尺寸 5
五、确定切削用量 5
5.1工序Ⅰ切削用量的确定 6
5.2工序Ⅱ切削用量的确定 6
5.3工序Ⅲ切削用量的确定 6
5.4工序Ⅳ切削用量的确定 6
5.5工序Ⅴ切削用量的确定 6
5.6工序Ⅵ切削用量的确定 7
5.7工序Ⅶ切削用量的确定 7
5.8工序Ⅷ切削用量的确定 7
5.9工序Ⅸ切削用量的确定 7
参考文献 8
温馨提示:
1、题目前面的备注【字母数字编号】为本站整理分类的编号,与课题内容无关,请选题时忽视;
2、若题目上备注三维,则表示文件里包含三维源文件,由于三维组成零件数量较多,为保证预览截图的简洁性,本站将三维文件夹进行了打包。三维及CAD预览截图,均为本站电脑打开软件进行截图的,保证能够打开,下载原件超高清,下载后解压即可;
3、本站所有资源如无特殊说明,都需要本地电脑安装Office2007。图纸软件为AutoCAD,PROE,UG,SolidWorks,CATIA等;
4、本站所有图文资料仅供用户学习参考,不作为任何商用或其他用途;
5、本站不保证下载资源的准确性、安全性和完整性, 不包修改,不支持退换,同时也不承担用户因使用这些下载资源对自己和他人造成任何形式的伤害或损失;
6、 下载文件中如有侵权或不适当内容,请与我们联系,我们立即纠正。