

作品包括:
word说明书一份,共52页,约20000字
CAD版本图纸,共2张
电喷发动机实验台调试及控制参数影响研究
摘要
发动机试验是考核发动机的动力性、经济性和工作可靠性以及检查整机和零部件的制造质量、可靠性和耐磨性等不可缺少的手段,也是研究、设计、制造新型发动机的一个必不可少的重要环节。
汽车电子控制系统现已被广泛应用于现代汽车发动机上,它的使用大大提高了发动机的综合性能,同时,随着科技的进步和人们对驾驶的舒适性、安全性、娱乐性和经济性的要求日益苛刻,汽车电子控制系统越来越复杂,因此通过电喷发动机实验来研究电子控制系统的传感器,执行器就十分有必要。
用于电喷发动机的传感器有:温度传感器、真空压力传感器、曲轴位置传感器、凸轮轴位置传感器、节气门位置传感器、爆震传感器、氧传感器等。用于电喷发动机的执行器有:电动燃油泵、电磁喷油器、怠速空气调整器、点火线圈和废气再循环控制阀。
本文首先研究这些传感器、执行器的结构、工作原理及ECU的控制过程,再根据故障表,一一设置故障,观察设置故障后发动机出现的现象,结合对传感器、执行器的结构、工作原理及ECU的控制过程的研究,分析发动机出现故障现象的原因。加深了对电喷发动机控制过程的认识。
关键词:电喷发动机,传感器,执行器,故障分析
目 录
摘要 1
Abstract II
目录 III
IV
第1章 绪论 1
1.1电子技术在汽车领域的应用 1
1.2诊断技术介绍 2
1.2.1汽车发动机进行故障诊断的目的 2
1.2.3发动机诊断技术的发展 2
1.3研究本课题的意义 3
第2章 电控汽油机教学实验系统介绍 4
2.1 实验台组成 4
2.1.1实验台系统图: 4
2.1.2 实验台组成 4
2.2 功能简介 5
2.2.1控制台正面图 5
2.2.2控制台正面图简介 5
2.2.2.2 传感器/执行器端口检测孔 6
2.2.2.3 自设故障显示灯 6
2.2.2.4 功能区 6
2.2.2.5 功能区主要参数数码表显示 7
2.2.2.6 点火开关 7
2.2.3 侧面板简介 7
2.3操作指南 8
2.3.1 发动机启动 8
2.3.1.1 开启前检查 8
2.3.1.2 启动发动机 8
2.3.2 故障设置和清除 8
2.3.4 如何测试线路电压 10
2.3.5 如何测试波形 11
2.3.6 如何测试电阻 11
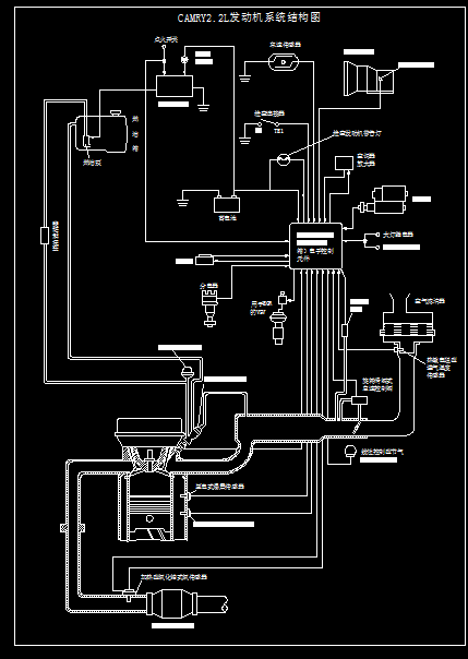
第3章 CAMARY2.2L(5S-FE)发动机结构介绍 12
3.1 进气系统 12
3.1.1 进气系统总图 12
3.2 燃油系统 13
3.2.1 燃油系统总图 13
3.3 冷却系统 14
3.3.1 冷却系统总图 14
3.1点火系统 15
3.1.1点火系统总图 15
第4章 CAMARY2.2L(5S-FE)发动机电子控制系统主要装置的结构与原理 16
4.1 传感器 16
4.1.1 温度传感器 16
4.1.1.1进气温度传感器 16
4.1.1.2 水温传感器 17
4.1.2进气歧管绝对压力传感器 18
4.1.3 节气门位置传感器 19
4.1.3.1线性控制型节气门位置传感器 20
4.1.4 曲轴位置传感器 21
4.1.4.1曲轴位置传感器的构造和原理 22
4.1.5 氧传感器 23
4.1.5.1氧化锆式氧传感器 23
4.1.6 爆震传感器 25
4.1.7 STA启动信号 26
4.1.8 NSW(空档启动开关)信号 26
4.2 ECU 27
4.2.1电子控制单元的功能 27
4.2.2发动机集中控制系统ECU的构成 27
4.2.3发动机集中控制系统简要工作过程 29
4.3 执行器 29
4.3.1喷油器 29
4.3.1.1 喷油器工作简介 29
4.3.1.2 喷油器基本控制电路和工作原理 30
4.3.1.3 喷油器的驱动方式及电路连接图 31
4.3.2电动燃油泵 31
4.3.2.1电动燃油泵的结构 31
4.3.2.2燃油泵控制电路 32
4.3.3点火线圈 33
4.3.3.1点火电路 33
4.3.4怠速空气调整器 34
4.3.4.1 怠速空气调整器的功用 34
4.3.4.2旋转滑阀式怠速空气调整器结构 34
4.3.5 EGR控制阀 36
4.3.5.1 EGR装置工作原理 36
第5章 发动机故障现象分析 38
5.1原CAMARY2.2L电喷发动机各个传感器、执行器标准参数值及实测值 38
5.2 各传感器、执行器故障对发动机性能及运转情况的影响分析 40
全文总结 47
谢辞 48
参考文献 49
附录1 电喷发动机实验指导书 50
附录2 CAMRY2.2L(5S-FE)发动机系统电路 52
温馨提示:
1、题目前面的备注【字母数字编号】为本站整理分类的编号,与课题内容无关,请选题时忽视;
2、若题目上备注三维,则表示文件里包含三维源文件,由于三维组成零件数量较多,为保证预览截图的简洁性,本站将三维文件夹进行了打包。三维及CAD预览截图,均为本站电脑打开软件进行截图的,保证能够打开,下载原件超高清,下载后解压即可;
3、本站所有资源如无特殊说明,都需要本地电脑安装Office2007。图纸软件为AutoCAD,PROE,UG,SolidWorks,CATIA等;
4、本站所有图文资料仅供用户学习参考,不作为任何商用或其他用途;
5、本站不保证下载资源的准确性、安全性和完整性, 不包修改,不支持退换,同时也不承担用户因使用这些下载资源对自己和他人造成任何形式的伤害或损失;
6、 下载文件中如有侵权或不适当内容,请与我们联系,我们立即纠正。