欢迎来到龙图网在线图文分享平台-CAD图纸,设计说明书,工业设计3D模型,三维软件下载!   客服QQ:2363701252
热搜:

工艺夹具 模具设计 数控编程 土木工程 3D模型

W969-安装座工艺规程及铣床夹具设计 下载积分:50 资料编号: W969

1.打开支付宝或者微信扫描二维码。
2.填写金额:50 
3.添加备注,填写资料编号:
资料编号: W969
4.支付成功后,请发资料编号到邮箱:jxsj168@qq.com
会有专人在15分钟内把资料发到您邮箱
备注:如果付款忘记填写资料编号,则发邮件时附带您的交易明细截图即可。
请耐心等待,如超过30分钟还没收到,请联系客服QQ:2363701252
点击分享:

作品描述

作品包括:

word说明书一份,共30页,约16000字

工序卡一份

过程卡一份

CAD版本图纸,共4张

摘  要 

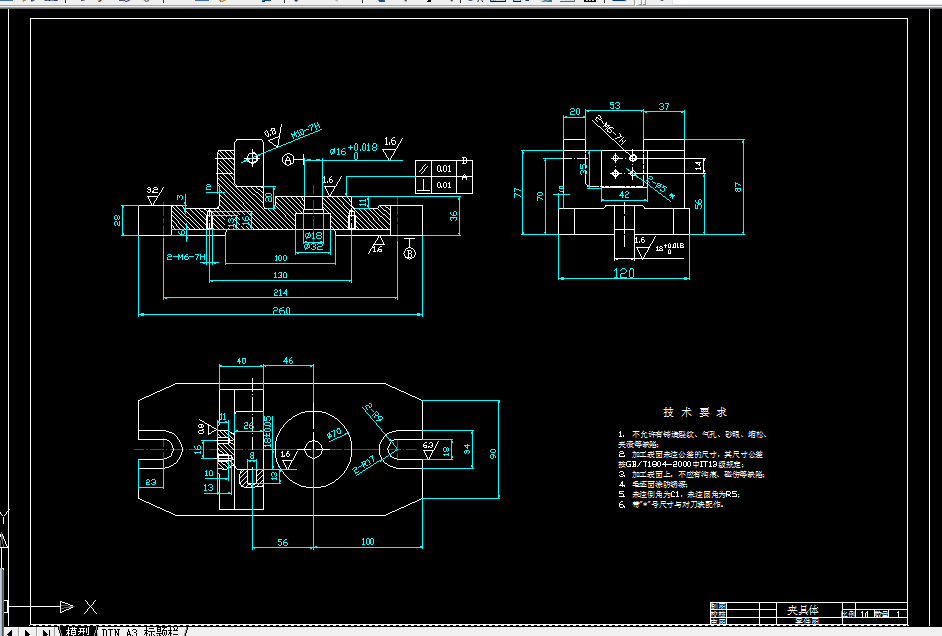
本论文主要完成的是设计安装座加工方案、确定加工工序以及工装夹具的设计。其中,零件的工艺分析、毛坯选择、工艺基准选择、加工路线、加工余量与工序尺寸及公差的确定都是编制工艺规程的主要问题。而在安装座加工的全过程中,槽的铣削工序最重要、最关键,本道工序的加工质量对安装座成品质量有着举足轻重的影响。在铣床上加工为了保证加工精度,必须正确安装工件,所以本夹具设计有较高的精度要求。夹紧装置的设计还要考虑到快速装夹的需要,并注意计算施加的夹紧力的大小,防止工件已定位置被破坏。

本论文是结合目前实际生产中,通过观察发现仅用通用夹具不能满足生产要求,用通用夹具装夹工件生产效率低,加工质量低,要增加划线工序,由此,专门设计了一种铣床夹具,通过对夹具的定位方案、夹紧方案、对刀方案,夹具体与定位键的设计及加工精度等方面的分析和实践应用,证明能满足工艺和生产要求。


关键词  安装座;工艺;夹具;设计;精度

目  录


摘要

ABSTRACT


1  绪论 ………………………………………………………………………………… 1

1.1  安装座简介 ……………………………………………………………………1

   1.2  设计的重点 ……………………………………………………………………1

2  零件的加工工艺………………………………………………………………………2  

2.1  零件的工艺性分析 ……………………………………………………………2 

2.1.1 零件的加工表面及其要求……………………………………………………2

2.1.2 零件材料选择的一般原则……………………………………………………2

(1) 使用性能…………………………………………………………………………3

(2) 工艺性能…………………………………………………………………………3

(3) 经济性……………………………………………………………………………4

2.2 毛坯选择…………………………………………………………………………4

2.2.1 确定毛坯的种类………………………………………………………………5

2.2.2 选择毛坯时应考虑的因素……………………………………………………6

(1) 零件的材料及力学性能要求……………………………………………………6

(2) 零件的结构形状和尺寸…………………………………………………………6

(3) 生产纲领的大小…………………………………………………………………6

(4) 现有生产条件……………………………………………………………………6

(5) 发展新技术………………………………………………………………………6

2.2.3 确定毛坯形状与尺寸…………………………………………………………6

2.3 工艺基准选择………………………………………………………………… 7

2.3.1 零件的加工定位原理…………………………………………………………7

(1) 基准及其分类……………………………………………………………………7

(2) 工件定位的基本原理……………………………………………………………8

2.3.2 定位基准的选择原则…………………………………………………………8

(1) 粗基准的选择原则………………………………………………………………8

(2) 精基准的选择原则………………………………………………………………8

2.4 拟订工艺路线 …………………………………………………………………9

2.4.1 确定各加工表面的加工方法…………………………………………………9

2.4.2 拟定加工路线方案 …………………………………………………………10

2.5 确定机械加工余量、工序尺寸及表面粗糙度………………………………11

2.6 选择机床设备及工艺装备  …………………………………………………12

2.7 确定切削用量和基本工时……………………………………………………12

3  夹具设计 ……………………………………………………………………………19

3.1  机床夹具主要特点……………………………………………………………19

3.1.1 机床夹具主要类型的特点及适用范围 ……………………………………19

3.1.2 专用夹具的主要功能 ………………………………………………………20

3.1.3 专用夹具设计的基本要求 …………………………………………………21

3.2  机床夹具的组成 …………………………………………………………… 21

3.3  工件定位的基本原理…………………………………………………………22 

3.4  工件分析 …………………………………………………………………… 24

3.4.1 定位基准的基本概念 ………………………………………………………24

3.4.2 定位基准的选择 ……………………………………………………………25

3.4.3 定位元件方案选择 …………………………………………………………26

3.5  夹具设计的分析与计算………………………………………………………26 

参考文献…………………………………………………………………………………29

致谢或后记………………………………………………………………………………30


温馨提示:

1、题目前面的备注【字母数字编号】为本站整理分类的编号,与课题内容无关,请选题时忽视;

2、若题目上备注三维,则表示文件里包含三维源文件,由于三维组成零件数量较多,为保证预览截图的简洁性,本站将三维文件夹进行了打包。三维及CAD预览截图,均为本站电脑打开软件进行截图的,保证能够打开,下载原件超高清,下载后解压即可;

3、本站所有资源如无特殊说明,都需要本地电脑安装Office2007。图纸软件为AutoCAD,PROE,UG,SolidWorks,CATIA等;

4、本站所有图文资料仅供用户学习参考,不作为任何商用或其他用途;
5、本站不保证下载资源的准确性、安全性和完整性, 不包修改,不支持退换,同时也不承担用户因使用这些下载资源对自己和他人造成任何形式的伤害或损失;

6、 下载文件中如有侵权或不适当内容,请与我们联系,我们立即纠正。


线