

作品包括:
word说明书一份,74页,约32000字左右
CAD版本图纸,共4张
摘要
本课题主要论述了液压支架的主要设计过程。其中包括:液压支架的选型、总体设计、主要零部件的设计、校核以及液压系统设计。
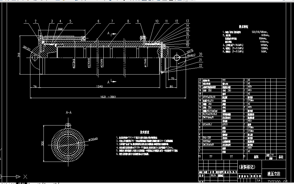
支架的形式为掩护式支架。支架除了要有效的对顶板进行有效支撑,还要实现升、降、推移四个步骤。支架采用四连杆机构,改善支架的受力状况,缩小支架的升降过程中顶梁前端前后移动的距离。立柱采用单伸缩液压缸,前端带有加长杆,以满足支架最低及最高位置时的高度要求。顶梁掩护梁、底座都做成箱体结构用钢板焊接而成。
在研制液压支架时,需要对支架进行生产试验和分析研究,确定合理的液压支架受力参数、运动参数和结构参数,以及选定液压支架最佳方案等方面综合性的科学技术问题。本设计主要从支架的工作原理这手,然后进行总体结构设计以及校核。
关键词:液压支架;顶梁;底座;立柱;结构设计
目 录
摘要 I
ABSTRACT II
1绪 论 1
1.1国内外液压支架的研究现状及发展 1
1.2本课题的研究目的和意义 2
2液压支架基本理论分析 3
2.1 液压支架的工作原理 3
2.2 液压支架的类型和结构 5
2.3 对液压支架的基本要求 6
2.4支架的选型设计 7
3 液压支架的整体结构设计 10
3.1 支架高度、中心距的确定 10
3.2底座长度的确定 10
3.3四连杆机构的设计 11
3.4顶梁长度计算 15
4支架主要部件的设计 17
4.1支架主要部件的设计要求 17
4.2顶梁的设计 17
4.3底座的设计 18
4.4支架技术参数和立柱的设计 18
4.5立柱柱窝位置和受力计算 23
4.6 千斤顶技术参数的确定 25
5 支架受力分析与计算 30
5.1支架工作状态 30
5.2受力计算 30
5.3 顶梁载荷分布 33
6 液压支架的强度校核 35
6.1 强度条件 35
6.2主顶梁的校核 35
6.3 掩护梁强度校核 37
6.4 底座强度校核 39
6.5立柱强度校核 42
7 液压系统设计 49
7.1液压支架的液压系统特点 49
7.2 液压系统的设计方法 49
7.3 千斤顶系统 50
7.4乳化液泵站系统 51
参 考 文 献 57
致谢 58
附录一(英文) 59
附录二(译文) 66
温馨提示:
1、题目前面的备注【字母数字编号】为本站整理分类的编号,与课题内容无关,请选题时忽视;
2、若题目上备注三维,则表示文件里包含三维源文件,由于三维组成零件数量较多,为保证预览截图的简洁性,本站将三维文件夹进行了打包。三维及CAD预览截图,均为本站电脑打开软件进行截图的,保证能够打开,下载原件超高清,下载后解压即可;
3、本站所有资源如无特殊说明,都需要本地电脑安装Office2007。图纸软件为AutoCAD,PROE,UG,SolidWorks,CATIA等;
4、本站所有图文资料仅供用户学习参考,不作为任何商用或其他用途;
5、本站不保证下载资源的准确性、安全性和完整性, 不包修改,不支持退换,同时也不承担用户因使用这些下载资源对自己和他人造成任何形式的伤害或损失;
6、 下载文件中如有侵权或不适当内容,请与我们联系,我们立即纠正。