

作品包括:
WORD版设计说明书1份,共30页,约7600字左右
CAD版本图纸,共4张
工序卡一张
过程卡一张
摘要
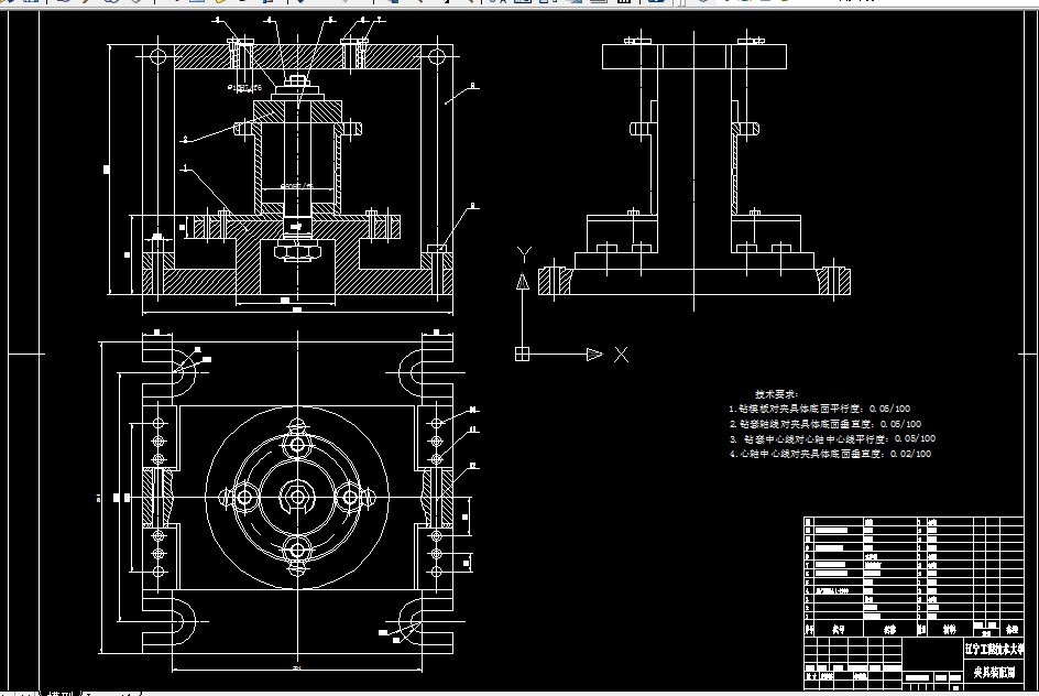
本设计的内容是制订导向套加工工艺规程及工艺装备设计,通过分析导向套从毛坯到成品的机械加工工艺过程,总结其结构、主要加工表面,并制定相应的机械加工工艺规程。导向套零件的加工工艺规程及其钻孔的夹具设计是包括零件加工的工艺设计、工序设计以及专用夹具的设计三部分。在工艺设计中要首先对零件进行分析,了解零件的工艺再设计出毛坯的结构,并选择好零件的加工基准,设计出零件的工艺路线;接着对零件各个工步的工序进行尺寸计算关键是决定出各个工序的工艺装备及切削用量;然后进行专夹具的设计,选择设计出夹具的各个组成部件,如定位元件、夹紧元件、引导元件、夹具体与机床的连接部件以及其它部件;计算出夹具定位时产生的定位误差,分析夹具结构的理性与不足之处,并在以后设计中注意改进。
关键词:导向套、工艺、工序、切削用量、夹紧、定位、误差。
目录 1
1 零件工艺性分析 2
1.1 零件的用途 2
1.2 零件的工艺分析 3
1.3 零件的生产类型 4
2 零件加工工艺规程设计 4
2.1 确定毛坯,绘制毛坯简图 4
2.2 定位基准 4
2.3 加工方法选择 5
2.3.1 加工表面 5
2.3.2 孔的加工 6
2.4 加工工序 7
2.5 机械加工余量、工序尺寸及毛坯尺寸的确定 7
2.6 加工工艺过程及确定切削用量和工时 8
2.6.1 工艺准备机械铸造铸造 8
2.6.2 时效处理 8
2.6.3 车端面A、B 8
2.6.4 车外圆1、2 9
2.6.5 工序5切削用量及基本时间的确 9
2.6.6 车倒角1.5x45’ 10
2.6.7 钻孔 10
2.6.8 拉槽 16
2.6.9 表面清洗去毛刺 16
2.6.10 检验 16
2.6.11 入库 16
3 机床夹具设计 16
3.1 设计要求 17
3.2 夹具设计 17
3.2.1 定位基准的选择 17
3.2.2 切削力及夹紧力的计算 17
3.2.3 定位误差的分析 18
3.3 夹紧装置 19
3.4 夹具设计及操作的简要说明 19
综合评价和结论 21
体会与展望 22
参考文献 23
温馨提示:
1、题目前面的备注【字母数字编号】为本站整理分类的编号,与课题内容无关,请选题时忽视;
2、若题目上备注三维,则表示文件里包含三维源文件,由于三维组成零件数量较多,为保证预览截图的简洁性,本站将三维文件夹进行了打包。三维及CAD预览截图,均为本站电脑打开软件进行截图的,保证能够打开,下载原件超高清,下载后解压即可;
3、本站所有资源如无特殊说明,都需要本地电脑安装Office2007。图纸软件为AutoCAD,PROE,UG,SolidWorks,CATIA等;
4、本站所有图文资料仅供用户学习参考,不作为任何商用或其他用途;
5、本站不保证下载资源的准确性、安全性和完整性, 不包修改,不支持退换,同时也不承担用户因使用这些下载资源对自己和他人造成任何形式的伤害或损失;
6、 下载文件中如有侵权或不适当内容,请与我们联系,我们立即纠正。