

作品包括:
WORD版设计说明书1份,共44页,约14000字左右
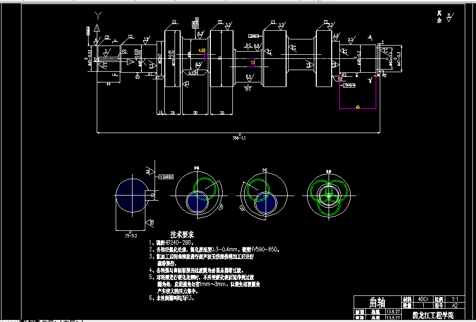
CAD版本图纸,共10张
摘 要
在当今的生产技术领域内,广泛使用着以曲柄连杆机构为传动方式的往复式正排量泵。此种传动方式,简单可靠,量大面广。但排量是瞬变的,形成排出系统与吸入系统的压力脉动,恶化了往复泵的自吸性能、恶化了泵阀、活塞(柱塞)等运动密封件的工作条件、限制了往复泵的使用范围及其向较高泵速方向的发展。由此,增加了它的复杂性和制造维修苦难程度。
本设计凸轮传动三缸单作用恒流量往复泵柱塞运动规律采用等加速--等速--等减速组合运动规律,理论上任一时刻各缸流量叠加后为恒定常数。动力端采用特殊轮廓线的凸轮传动机构取代传统往复泵的曲柄连杆机构,通过对凸轮廓线的设计,实现了恒排量输出特性,使得流量与压力基本无波动,理论上流量脉动为零,从根本上解决了曲柄连杆机构往复泵的排量、压力脉动问题,无须配备吸入缓冲器和灌注泵,自吸性能良好。
重点进行设计该泵的工作参数、柱塞运动规律、特殊的凸轮机构及一级齿轮减速机构等。
经过本设计,改进机构部分达到设计给定要求,是可行的。
关键词:柱塞; 流量; 往复泵; 液压传动; 结构设计
目 录
摘 要 I
Abstract II
第1章 绪 论 .....1
1.1选题的意义 1
1.2 恒流量往复泵的发展情况及趋势 1
第2章 往复泵主要参数及其结构设计 4
2.1泵的主要尺寸参数确定 4
2.1.1给定设计参数 4
2.1.2柱塞直径和行程的确定 4
2.1.3泵型的选择 6
2.2电动机选取 6
2.2.1原动机功率的选择与确定 6
2.2.2原动机的选择 7
2.3动力端结构设计 8
2.3.1减速机构 8
2.4 液力端设计 12
2.4.1 液缸体壁厚确定 12
2.4.2阀的选择与确定 13
2.4.3弹簧的设计计算 16
2.5 活塞相关计算和强度校核 17
2.5.1活塞主要尺寸的设计 17
2.5.2活塞的校核 18
2.6传动端的结构设计 22
2.6.1 曲轴尺寸确定 22
2.6.2曲轴受力校核分析 23
2.6.3连杆的选择与设计 24
2.6.4 十字头的设计 27
2.6.5 本章小节 29
第3章 泵使用说明 30
3.1结构说明 30
3.2自动卸载原理 31
3.3泵的使用 31
3.4 本章小节 33
结 论 35
参考文献 36
附 录 38
温馨提示:
1、题目前面的备注【字母数字编号】为本站整理分类的编号,与课题内容无关,请选题时忽视;
2、若题目上备注三维,则表示文件里包含三维源文件,由于三维组成零件数量较多,为保证预览截图的简洁性,本站将三维文件夹进行了打包。三维及CAD预览截图,均为本站电脑打开软件进行截图的,保证能够打开,下载原件超高清,下载后解压即可;
3、本站所有资源如无特殊说明,都需要本地电脑安装Office2007。图纸软件为AutoCAD,PROE,UG,SolidWorks,CATIA等;
4、本站所有图文资料仅供用户学习参考,不作为任何商用或其他用途;
5、本站不保证下载资源的准确性、安全性和完整性, 不包修改,不支持退换,同时也不承担用户因使用这些下载资源对自己和他人造成任何形式的伤害或损失;
6、 下载文件中如有侵权或不适当内容,请与我们联系,我们立即纠正。