

作品包括:
说明书1份,共28页,约7600字左右
工序卡一张
过程卡一张
CAD版本本图纸,共4张

摘要
到目前为止,在企业生产中,各种机械加工、检验、焊接、热处理和装配等冷、热加工工艺,都使用着大量的夹具,用
以安装加工对象,使之占有正确的加工位置,随着不规则形状零件在现在制造业的应用越来越广泛,且产品的成本、质
量、生产率都与工艺装备息息相关,如何保证这种零件的加工质量变得尤为重要。
本说明书通过研究法兰盘零件的加工精度要求以及其结构特点,在保证该零件的加工精度的基础上,利用现有的现在制
造技术手段,根据我们所学习的机械设计制造基础中的定位原则和夹紧原理,制定了一套较为合理的夹具模型,对现有
法兰盘的快速加工,具有一定的价值意义。本说明书对各种定位夹紧装置进行分析与比较,选择并组装了一套能够满足
加工要求同时比较简明的夹具。而且,通过对夹紧力和定位误差的计算,验算保证其夹具的加工精度。同时,分析夹紧
力的计算,保证零件在夹持状态下是否满足工件夹紧不产生形变,且工件正常夹紧不产生滑动位移的设计要求。
关键词:夹具设计、法兰盘、定位、夹紧
目录
第1章、工件的简要分析1
1.1工件的用途1
1.2工件的工艺性分析1
1.3确定毛坯2
1.3.1 毛坯材料2
1.3.2确定毛坯技术要求2
1.3.3 铸件机械加工余量确定2
1.4基面的选择5
1.4.1粗基准的选择6
1.4.2精基准的选择6
1.5制定工艺路线6
1.5.1加工阶段的划分6
1.5.2工序的集中与分散6
1.5.3工序的顺序安排6
1.5.4工艺路线的选择6
1.5.5工艺路线的比较与分析8
1.6确定切削用量和基本工时(时间有限:只计算了第一道工序和第二道工序9
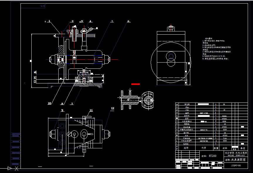
第2章、法兰盘Ф6Ф4阶梯孔专用夹具设计12
2.1 确定夹具设计定位方案12
2.2 夹具设计定位方案的比较与分析13
2.3 夹具设计夹紧方案14
2.4 夹具设计采用的导向装置14
2.5 计算切削用量,决定切削速度v和工作台每分钟进给量F15
2.6定位误差分析16
2.7钻头磨钝标准耐用度情况16
2.8 切削时间17
2.9切削力及夹紧力计算17
2.10 操作说明18
2.11 设计心得体会18
参考文献20
温馨提示:
1、题目前面的备注【字母数字编号】为本站整理分类的编号,与课题内容无关,请选题时忽视;
2、若题目上备注三维,则表示文件里包含三维源文件,由于三维组成零件数量较多,为保证预览截图的简洁性,本站将三维文件夹进行了打包。三维及CAD预览截图,均为本站电脑打开软件进行截图的,保证能够打开,下载原件超高清,下载后解压即可;
3、本站所有资源如无特殊说明,都需要本地电脑安装Office2007。图纸软件为AutoCAD,PROE,UG,SolidWorks,CATIA等;
4、本站所有图文资料仅供用户学习参考,不作为任何商用或其他用途;
5、本站不保证下载资源的准确性、安全性和完整性, 不包修改,不支持退换,同时也不承担用户因使用这些下载资源对自己和他人造成任何形式的伤害或损失;
6、 下载文件中如有侵权或不适当内容,请与我们联系,我们立即纠正。