

作品包括:
说明书1份,共65页,约12000字左右
CAD版本图纸,共3张
目 录
摘 要0
Abstract1
绪论2
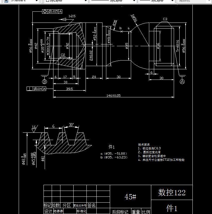
1 零件介绍3
2 CAXA数控车软件的应用5
2.1 CAXA造型5
2.2 CAM加工6
3 加工程序的编制31
4 加工准备33
4.1 毛坯的确定33
4.2 加工设备的选择33
4.3 夹具的确定35
4.4 刀具的选择35
4.5 选择切削用量36
4.5.1 背吃刀量的确定36
4.5.2 主轴转速的确定37
4.5.3 进给速度的确定38
4.6 量具的选择38
5 数控加工工艺卡片的拟定39
6 零件的加工40
6.1 工件安装40
6.2 刀具装夹40
6.3 回机床原点40
6.4 对刀41
6.5 建立工件坐标系42
6.6 程序检验42
6.7 自动运行42
参考文献43
致 谢44
附录A45
附录B57
摘 要
数控技术是现代制造技术的基础,它的广泛应用使普通机械被数控机械所代替,使全球制造业发生了根本变化。数控技术的水准、拥有和普及程度已经成为衡量一个国家综合国力和工业现代化水平的重要标志之一。
数控车床,是一种高精度、高效率的自动化机床。配备多工位刀塔或动力刀塔,机床就具有广泛的加工工艺性能,可加工直线圆柱、斜线圆柱、圆弧和各种螺纹、槽、蜗杆等复杂工件,具有直线插补、圆弧插补各种补偿功能,并在复杂零件的批量生产中发挥了良好的经济效果。
现代的CAD/CAM都是建立在数控技术之上的。现代数控加工技术知识是现代机械专业学生必需掌握的。在数控加工过程中,要考虑到零件加工工艺路线的安排、加工机床型号的选择、切削刀具的选择、零件加工的定位装夹及数控程序的编制等一系列因素的影响。所涉及到的知识面非常广阔,基本将我们在大学三年里所学知识综合运用起来了所以通过这次毕业设计不仅是一次对我们大学三年来的知识的运用,也是对我们的考验。
本次设计内容为零件数控加工工艺及编程加工。具体介绍了数控车床加工的特点、加工工艺分析以及数控编程加工过程,以及夹具的确定等等。
关键词:数控车床;数控编程;数控加工工艺
温馨提示:
1、题目前面的备注【字母数字编号】为本站整理分类的编号,与课题内容无关,请选题时忽视;
2、若题目上备注三维,则表示文件里包含三维源文件,由于三维组成零件数量较多,为保证预览截图的简洁性,本站将三维文件夹进行了打包。三维及CAD预览截图,均为本站电脑打开软件进行截图的,保证能够打开,下载原件超高清,下载后解压即可;
3、本站所有资源如无特殊说明,都需要本地电脑安装Office2007。图纸软件为AutoCAD,PROE,UG,SolidWorks,CATIA等;
4、本站所有图文资料仅供用户学习参考,不作为任何商用或其他用途;
5、本站不保证下载资源的准确性、安全性和完整性, 不包修改,不支持退换,同时也不承担用户因使用这些下载资源对自己和他人造成任何形式的伤害或损失;
6、 下载文件中如有侵权或不适当内容,请与我们联系,我们立即纠正。