

作品包括:
Word版说明书1份,共27页,约8500字
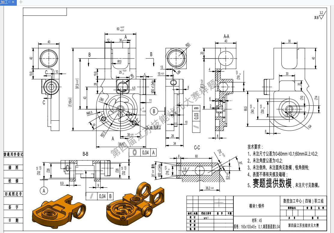
CAD版本图纸,共1张
目录
1序论 1
2 零件加工工艺过程分析 2
2.1 图纸分析 2
2.2零件技术要求 2
2.3结构分析 2
2.4尺寸精度分析 3
2.5零件毛坯、余量分析 3
2.5.1毛坯种类 3
2.5.2 确定毛坯的机械加工余量 4
2.3 各加工表面加工方案选择 4
2.4 确定零件加工工艺过程 4
2.4.1零件的加工基准的确定 4
2.4.2 工序的确定 5
2.4.3 确定加工顺序 6
3 加工工序分析 6
3.1 选择机床 6
3.2确定定位与夹紧方案 6
3.3 选择夹具 7
3.4 确定各工序尺寸 8
3.5 选择刀具 9
3.6 确定切削用量 9
3.6.1粗铣反面外轮廓加工切削参数计算 9
3.6.2精铣反面外轮廓加工切削参数计算 10
3.6.3粗铣正面外轮廓加工切削参数计算 11
3.6.4精铣正面外轮廓加工切削参数计算 12
4绘制工序简图 17
5选择量检具 19
总结 20
参考文献: 22
致谢 23
温馨提示:
1、题目前面的备注【字母数字编号】为本站整理分类的编号,与课题内容无关,请选题时忽视;
2、若题目上备注三维,则表示文件里包含三维源文件,由于三维组成零件数量较多,为保证预览截图的简洁性,本站将三维文件夹进行了打包。三维及CAD预览截图,均为本站电脑打开软件进行截图的,保证能够打开,下载原件超高清,下载后解压即可;
3、本站所有资源如无特殊说明,都需要本地电脑安装Office2007。图纸软件为AutoCAD,PROE,UG,SolidWorks,CATIA等;
4、本站所有图文资料仅供用户学习参考,不作为任何商用或其他用途;
5、本站不保证下载资源的准确性、安全性和完整性, 不包修改,不支持退换,同时也不承担用户因使用这些下载资源对自己和他人造成任何形式的伤害或损失;
6、 下载文件中如有侵权或不适当内容,请与我们联系,我们立即纠正。