

作品包括:
Word版说明书1份,共69页,约9400字
三菱 PLC程序一份
CAD版本图纸,共2张
三菱触摸屏画面一份
IO分配

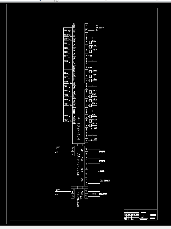
摘 要:本设计是基于PLC的牡丹花种植温湿度控制系统的设计,论述了温室环境下温湿度控制原理,分析了温度、湿度、CO2浓度、光照、土壤湿度等对牡丹花种植的影响,在此基础上提出了智能化牡丹花种植温湿度控制系统的总体方案。系统采用三菱FX2N 小型可编程控制器为控制核心,外加2块FX2N-4AD模拟量输入模块,通过温度传感器、湿度传感器、光照传感器、CO2浓度传感器和土壤湿度传感器检测各模拟量,通过比较检测温度和设定温度,通过PID运算,PID输出控制固态继电器控制加热器,控制温度稳定。湿度控制类似,通过检测湿度和设定湿度,通过PID控制固态继电器控制加湿阀。通过分析控制要求,进行了总体设计;进行了硬件设计、软件设计和触摸屏设计,通过调试和模式测试,验证系统符号设计要求,达到了预期的设计目的。
关键词:牡丹花种植;可编程控制器;温湿度控制;触摸屏
目 录
第1章 绪论 6
1.1 课题的目的 6
1.2 课题的主要内容 6
1.3 设计条件及主要技术指标 6
第 2 章 注塑机控制工作原理及方案 7
2.1 设计要求 7
2.2 设计方案 7
第 3 章 硬件设计 10
3.1 硬件选择 10
3.1.1 PLC选择 10
3.1.2 模拟量输入模块选择 10
3.2 主电路设计 10
3.3控制电路设计 12
3.4 PLC输入和输出接线图设计 14
3.5 PLC输入和输出分配 16
第 4 章 程序设计 18
4.1 PLC内部使用地址 18
4.2 控制程序路程图设计 19
4.3 梯形图程序 21
4.4 语句表程序 37
第 5 章 触摸屏 54
5.1 触摸屏选择 54
5.2 通讯设定 54
5.3触摸屏人机界面设计 55
第 6 章 调试和仿真测试 57
6.1 调试 57
6.2仿真调试 57
参考文献 62
致谢 63
附录 64
附录1 梯形图程序汇总 64
温馨提示:
1、题目前面的备注【字母数字编号】为本站整理分类的编号,与课题内容无关,请选题时忽视;
2、若题目上备注三维,则表示文件里包含三维源文件,由于三维组成零件数量较多,为保证预览截图的简洁性,本站将三维文件夹进行了打包。三维及CAD预览截图,均为本站电脑打开软件进行截图的,保证能够打开,下载原件超高清,下载后解压即可;
3、本站所有资源如无特殊说明,都需要本地电脑安装Office2007。图纸软件为AutoCAD,PROE,UG,SolidWorks,CATIA等;
4、本站所有图文资料仅供用户学习参考,不作为任何商用或其他用途;
5、本站不保证下载资源的准确性、安全性和完整性, 不包修改,不支持退换,同时也不承担用户因使用这些下载资源对自己和他人造成任何形式的伤害或损失;
6、 下载文件中如有侵权或不适当内容,请与我们联系,我们立即纠正。