

作品包括:
Word版说明书1份,共34页,约15000字
工艺过程卡1张
CAD版本图纸,共8张

摘 要
在这篇文章中,轴套的加工工艺和表面钻铣夹具的设计中,两个夹具设计过程。本文目的是降低产品质量,提高生产效率,成本,充分利用现有的生产条件,确保加工质量设计的前提下,能使加工达到最优效果。在工艺设计中,结合下的传统生产工艺实践理论设计进行了改进和优化工艺技术和设备,更低的轴套夹具的生产和加工更加经济合理。在夹具设计,收集和相关的机器资料的信息,切削刀具和切削加工过程,根据工件的材料,结构特性,技术要求和过程的分析,根据设计,以提高生产夹具设计步骤满足握把工艺和生产要求。
关键词: 轴套,工艺,夹具,加工工艺,加工方法
目 录
摘 要 II
Abstract III
第1章 绪 论 1
1.1 机械加工工艺概述 1
1.2机械加工工艺流程 2
1.3工艺设计的重要性 2
1.4 现代制造工艺的发展现状与趋势 4
第2章 加工工艺规程设计 7
2.1 零件的分析 7
2.1.1 零件的作用 7
2.1.2 零件的工艺分析 7
2.2 轴套零件加工的主要问题和工艺过程设计所应采取的相应措施 8
2.2.1 孔和平面的加工顺序 8
2.2.2 孔系加工方案选择 8
2.3 轴套零件加工定位基准的选择 8
2.3.1 粗基准的选择 8
2.3.2 精基准的选择 9
2.4 轴套零件加工主要工序安排 9
2.5 机械加工余量、工序尺寸及毛坯尺寸的确定 11
2.6选择加工设备及刀、量具 11
2.7确定切削用量及基本工时(机动时间) 12
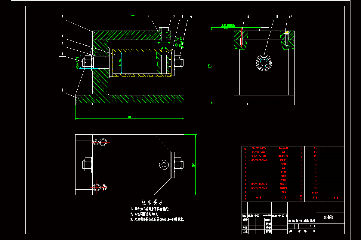
第3章 钻铰Φ6孔夹具设计 19
3.1设计要求 19
3.2夹具设计 20
3.2.1 定位基准的选择 20
3.2.2 切削力及夹紧力的计算 20
3.3 误差分析与计算 21
3.4 钻套、衬套、钻模板设计与选用 22
3.5 确定夹具体结构尺寸和总体结构 23
3.6 夹具设计及操作的简要说明 24
3.7确定夹具体结构尺寸和总体结构 24
总 结 26
参考文献 27
致 谢 28
温馨提示:
1、题目前面的备注【字母数字编号】为本站整理分类的编号,与课题内容无关,请选题时忽视;
2、若题目上备注三维,则表示文件里包含三维源文件,由于三维组成零件数量较多,为保证预览截图的简洁性,本站将三维文件夹进行了打包。三维及CAD预览截图,均为本站电脑打开软件进行截图的,保证能够打开,下载原件超高清,下载后解压即可;
3、本站所有资源如无特殊说明,都需要本地电脑安装Office2007。图纸软件为AutoCAD,PROE,UG,SolidWorks,CATIA等;
4、本站所有图文资料仅供用户学习参考,不作为任何商用或其他用途;
5、本站不保证下载资源的准确性、安全性和完整性, 不包修改,不支持退换,同时也不承担用户因使用这些下载资源对自己和他人造成任何形式的伤害或损失;
6、 下载文件中如有侵权或不适当内容,请与我们联系,我们立即纠正。