

作品包括:
Word版说明书1份,共25页
工序卡1张
工艺过程卡1张
CAD版本图纸,共4张

目录
序言3
〈一〉零件的作用4
〈二〉零件的工艺分析5
二、工艺规程的设计6
<一>确定毛坯的制造形式6
<二>基准的选择6
<三>制定工艺路线7
<四>机械加工余量,工序尺寸及毛坯尺寸的确定8
<五>切削用量以及机床的确定10
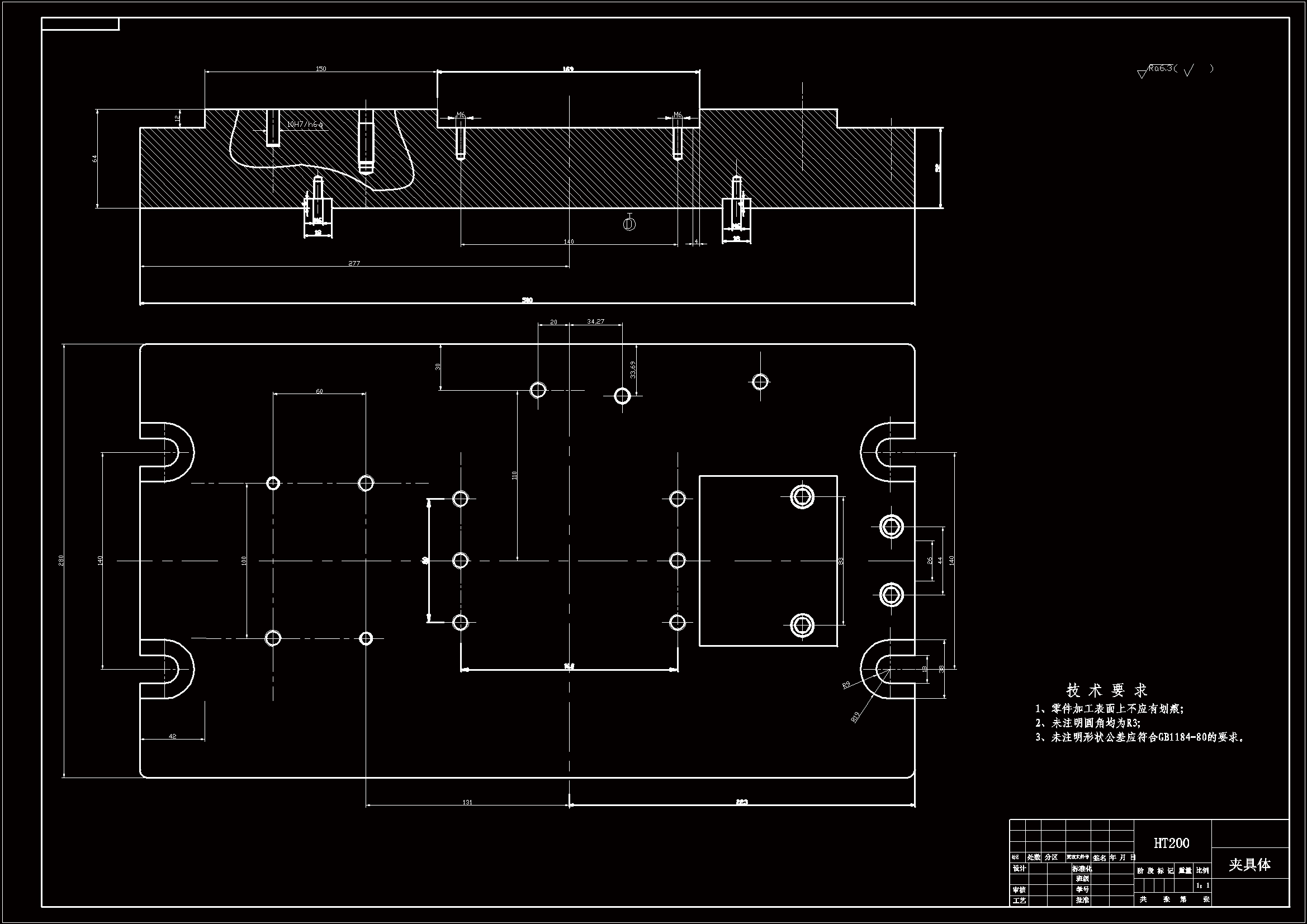
第3章钻¢13孔夹具设计14
3.1夹具的夹紧装置和定位装置14
3.2夹具的导向15
3.3钻孔与工件之间的切屑间隙[1] [2] 16
3.4钻模板17
3.5定位误差的分析17
3.6钻套、衬套、钻模板设计与选用18
3.7确定夹具体结构和总体结构20
3.8夹具设计及操作的简要说明21
总结与展望23
参考文献24
温馨提示:
1、题目前面的备注【字母数字编号】为本站整理分类的编号,与课题内容无关,请选题时忽视;
2、若题目上备注三维,则表示文件里包含三维源文件,由于三维组成零件数量较多,为保证预览截图的简洁性,本站将三维文件夹进行了打包。三维及CAD预览截图,均为本站电脑打开软件进行截图的,保证能够打开,下载原件超高清,下载后解压即可;
3、本站所有资源如无特殊说明,都需要本地电脑安装Office2007。图纸软件为AutoCAD,PROE,UG,SolidWorks,CATIA等;
4、本站所有图文资料仅供用户学习参考,不作为任何商用或其他用途;
5、本站不保证下载资源的准确性、安全性和完整性, 不包修改,不支持退换,同时也不承担用户因使用这些下载资源对自己和他人造成任何形式的伤害或损失;
6、 下载文件中如有侵权或不适当内容,请与我们联系,我们立即纠正。