

作品包括:
Word版说明书1份,共33页,约14000字
工序卡6张
工艺过程卡1张
CAD版本图纸,共12张

摘要
夹具是零件加工的夹紧装置,是加工零件的一种必不可少的装置。夹具利用率高,经济性好,对功能组件的使用和数量少。随着零件的尺寸变化,越来越多的夹具被淘汰了,因此,设计一套专用夹具是十分有必要的。在设计专用夹具时要考虑工件的定位方案,工件的夹紧方案和设计夹紧机构,夹具的其他组成部分,夹具的结构形式等。
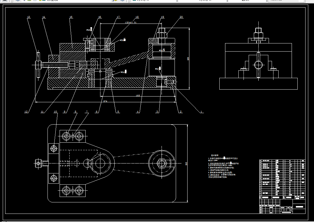
此次设计是对连杆零件的加工工艺和夹具设计,其零件为锻件,具有体积小,零件复杂的特点,由于面比孔易加工,在制定工艺规程时,就先加工面,再以面为基准来加工其它,其中各工序夹具都采用专用夹具,本次设计的专用夹具是对Ф18H7小头孔进行研究。
设计之初我查阅相关数据及国内外关于机床夹具的文献,在看懂零件图的同时对零件的结构和工艺进行分析,明确粗基准和精基准的选择,确定零件的加工余量与毛坯的尺寸、从而确定零件的加工工艺过程、计算各工序的切削用量及工时。最终完成了本次设计所需的夹具。
关键词:连杆、加工工艺、Ф18H7小头孔、夹具
目 录
摘要 I
ABSTRACT II
第1章 绪论 1
1.1 机床夹具的概述 1
1.2 机床夹具的组成及分类 1
1.2.1 机床夹具的组成 1
1.2.2 机床夹具的分类 2
1.3 机床夹具的发展方向 2
1.4 机床夹具在机械加工中的作用 3
1.5 夹具设计的特点和基本要求 4
1.5.1 夹具设计的特点 4
1.5.2 设计的基本要求 4
第2章 连杆零件的工艺分析及工艺规程设计 5
2.1 零件的作用 5
2.2 零件的工艺分析 5
2.3 零件生产类型的确定 6
2.4 零件材料及制造方式的确定 6
2.5 定位基准的选择 7
2.5.1 粗基准的选择 7
2.5.2 精基准的选择 8
2.6 加工方法的确定 8
2.6.1 影响加工方法的因素 8
2.6.2 加工方法的确定 9
2.7 工艺路线的拟定 9
2.7.1 工序的合理组合 9
2.7.2 工序的集中与分散 10
2.7.3 加工阶段的划分 11
2.7.4 加工工艺路线的确定 12
2.8 机械加工刀具和加工机床的选择 12
2.9 连杆的偏差,加工余量,工序尺寸及毛坯尺寸的确定 12
2.10 确定切削用量及基本工时 13
第3章 专用夹具的设计 22
3.1 问题的提出 22
3.2 六点定位原理 22
3.2.1 六点定位原理概述 22
3.2.2 六点定位原理的应用 22
3.2.3 工件的定位 22
3.2.4 六点定位的注意问题 23
3.3 夹具设计 23
3.3.1 确定定位方案,选择定位元件 23
3.3.2 定位基准选择 23
3.3.3 确定夹紧方案和夹紧元件 24
3.3.4 切削力及夹紧力计算 24
3.3.5 确定夹具体 25
3.3.6 确定导向装置 26
3.3.7 误差的分析 26
第4章 结论 27
致谢 28
参考文献 29
温馨提示:
1、题目前面的备注【字母数字编号】为本站整理分类的编号,与课题内容无关,请选题时忽视;
2、若题目上备注三维,则表示文件里包含三维源文件,由于三维组成零件数量较多,为保证预览截图的简洁性,本站将三维文件夹进行了打包。三维及CAD预览截图,均为本站电脑打开软件进行截图的,保证能够打开,下载原件超高清,下载后解压即可;
3、本站所有资源如无特殊说明,都需要本地电脑安装Office2007。图纸软件为AutoCAD,PROE,UG,SolidWorks,CATIA等;
4、本站所有图文资料仅供用户学习参考,不作为任何商用或其他用途;
5、本站不保证下载资源的准确性、安全性和完整性, 不包修改,不支持退换,同时也不承担用户因使用这些下载资源对自己和他人造成任何形式的伤害或损失;
6、 下载文件中如有侵权或不适当内容,请与我们联系,我们立即纠正。