

作品包括:
Word版说明书1份,共41页,约13000字
任务书一份
外文翻译一份
CAD版本图纸,共2张

摘要
随着国内外机械制造业的快速发展,钻床夹具发挥越来越重要的作用,从我国的夹具发展的过程来看各个方面用到进行夹具加工的零件越来越多,因此对夹具的设计越来越重要。从我国的夹具发展史来看,夹具行业发展迅猛,夹具厂越来越多,由于标准库的建立,设计夹具更加简化。许多零件实现了批量化生产,但是由于一些零件有特殊用途,所以对于专用夹具的设计显得尤为重要。近年来,我国自主设计的机床加工夹具系统,不仅仅有了质的提升,而且在国际上处于领先地位。
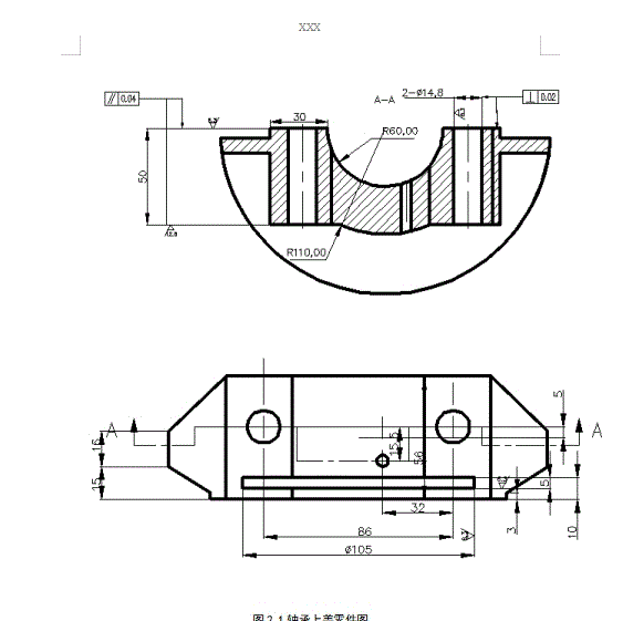
此次有关于滑柱式钻床夹具的设计来加工轴承上盖的油孔的整个装置是专用夹具,设计时要遵循夹具设计的相关准则。要做到选材料以及校核应服从强度标准。也好从经济效益与工艺性各方面进行考虑。现在许多的产品设计需要用到专用夹具,本次设计的滑柱式钻床夹具就是其中的一种。为了加工轴承盖上的油孔,满足各方面的要求来设计的。设计过程中从设计到选材,加工,校核,优化最后到成品。充分考虑到各方面因素对夹具的影响,使产品最优化。
关键词:机械制造;发展;夹具;专用
目录
摘要I
ABSTRACT II
目录III
第1章绪论1
1.1机床夹具概述1
1.1.1机床夹具1
1.1.2机床夹具的优点1
1.2机床夹具的发展趋势1
1.2.1机床夹具的现状1
1.2.2现代机床夹具的发展方向2
第2章工艺规程设计3
2.1零件的分析3
2.1.1零件的作用3
2.1.2零件的工艺分析3
2.2毛坏的选择5
2.3工艺路线的拟定6
2.3.1孔和平面加工分析6
2.3.2拟定工艺路线6
2.4加工余量的确定8
2.4.1钻Φ14.8孔的加工余量9
2.4.2刀具的选用9
2.4.3量具的选用9
第3章切削用量及工时的确定10
3.1粗铣尺寸90侧面10
3.1.1加工刀具10
3.1.2计算切削用量10
3.1.3计算切削工时11
3.2粗铣搭子面11
3.2.1加工条件11
3.2.2计算切削用量12
3.2.3计算切削工时13
3.3精铣尺寸56侧面13
3.3.1加工条件13
3.3.3计算切削工时15
3.4精铣搭子侧面15
3.4.1加工条件15
3.4.2用以计算切削用量的大小15
3.4.3计算切削工时间16
3.5钻孔2×Φ14.8孔17
3.5.1钻2×14.8孔17
3.6镗Φ60内孔18
3.6.1粗镗18
3.6.2精镗18
3.6.3计算工时19
3.7钻孔19
第4章夹具的定位与装夹21
4.1夹具的作用特点21
4.2工件在夹具中的定位21
4.3工件的装夹22
4.4夹紧力的确定23
第5章夹具的组成25
5.1夹具体的设计25
5.2夹具的操作方法28
第6章夹具的二维设计30
6.1 CAD软件介绍30
6.2镗孔夹具的三维设计31
结论32
致谢33
参考文献33
温馨提示:
1、题目前面的备注【字母数字编号】为本站整理分类的编号,与课题内容无关,请选题时忽视;
2、若题目上备注三维,则表示文件里包含三维源文件,由于三维组成零件数量较多,为保证预览截图的简洁性,本站将三维文件夹进行了打包。三维及CAD预览截图,均为本站电脑打开软件进行截图的,保证能够打开,下载原件超高清,下载后解压即可;
3、本站所有资源如无特殊说明,都需要本地电脑安装Office2007。图纸软件为AutoCAD,PROE,UG,SolidWorks,CATIA等;
4、本站所有图文资料仅供用户学习参考,不作为任何商用或其他用途;
5、本站不保证下载资源的准确性、安全性和完整性, 不包修改,不支持退换,同时也不承担用户因使用这些下载资源对自己和他人造成任何形式的伤害或损失;
6、 下载文件中如有侵权或不适当内容,请与我们联系,我们立即纠正。