欢迎来到龙图网在线图文分享平台-CAD图纸,设计说明书,工业设计3D模型,三维软件下载!   客服QQ:2363701252
热搜:

工艺夹具 模具设计 数控编程 土木工程 3D模型

JJ1481-油阀座加工工艺及钻φ3孔夹具设计[含Proe三维图] 下载积分:100 资料编号: JJ1481

1.打开支付宝或者微信扫描二维码。
2.填写金额:100 
3.添加备注,填写资料编号:
资料编号: JJ1481
4.支付成功后,请发资料编号到邮箱:jxsj168@qq.com
会有专人在15分钟内把资料发到您邮箱
备注:如果付款忘记填写资料编号,则发邮件时附带您的交易明细截图即可。
请耐心等待,如超过30分钟还没收到,请联系客服QQ:2363701252
点击分享:

作品描述

作品包括:

Word版说明书1份,共18页,6900字

工序卡1张

工艺过程卡1张

任务书一份

CAD版本图纸,共3张

Proe三维图一份

仿真视频一份

image.png

image.png

摘要

制造业中尤其是机械制造业,在产品生产过程中按照特定工艺,不论其生产规模如何,都需要种类繁多的工艺装备,而制造业产品的质量、生产率、成本无不与工艺装备有关。随着不规则形状零件在现代制造业中的广泛应用,如何保证这类零件的加工精度就显得尤为重要。本文通过分析注油器油阀座零件的结构特点和加工要求,制定了一套较合理的夹具设计,从而为保证该零件的加工精度将提供一种经济实用的工艺装备,具有一定的实用价值。对于夹具设计来说,最重要的就是定位、夹紧方案的确定。通过对各种定位夹紧装置的分析比较,选择并组合了一套既能够满足加工要求的,又比较简洁的装置。同时,通过对一系列定位误差和夹紧力的计算,验证了该零件的加工是可以保证其要求的精度的,它的加工误差在规定的范围内。通过夹紧力的计算,也验证了零件在被夹紧的前提下,它受到的夹紧力也并不大,满足夹具设计所要求的既要保证一定的夹紧力不使工件在加工过程中发生位移,但同时又不能过大致使工件发生变形。

关键词:工艺装备,夹具设计,定位,夹紧

目录

摘要1

前言1

第1章油阀座零件工艺分析2

1.1油阀座零件的作用与结构2

1.1.1油阀座零件的作用2

1.1.2油阀座零件的结构特点2

1.1.3油阀座的结构工艺特性2

1.2油阀座关键表面的技术要求3

第2章油阀座零件工艺设计4

2.1油阀座零件生产类型的确定4

2.2油阀座毛坯的选择和毛坯图说明4

2.2.1油阀座材料的选择4

2.2.2铸件尺寸公差4

2.2.3铸件机械加工余量4

2.3油阀座工艺路线的确定6

2.3.1定位基准的选择6

2.3.2各表面加工的加工方法7

2.3.3工序的集中与分散8

2.3.4工序的顺序安排8

2.3.5工艺路线的比较与分析8

2.4机械加工余量、工序尺寸及毛坯尺寸的确定10

2.4.1外圆表面(¢63 ㎜) 11

2.4.2外圆表面沿轴线长度方向的加工余量(¢63 ㎜端面、¢32 ㎜端面) 11

2.4.3扩孔¢16 ㎜ 11

2.4.4车外圆端面(¢24 ㎜) 11

2.4.5铣缺口(¢16 ㎜) 11

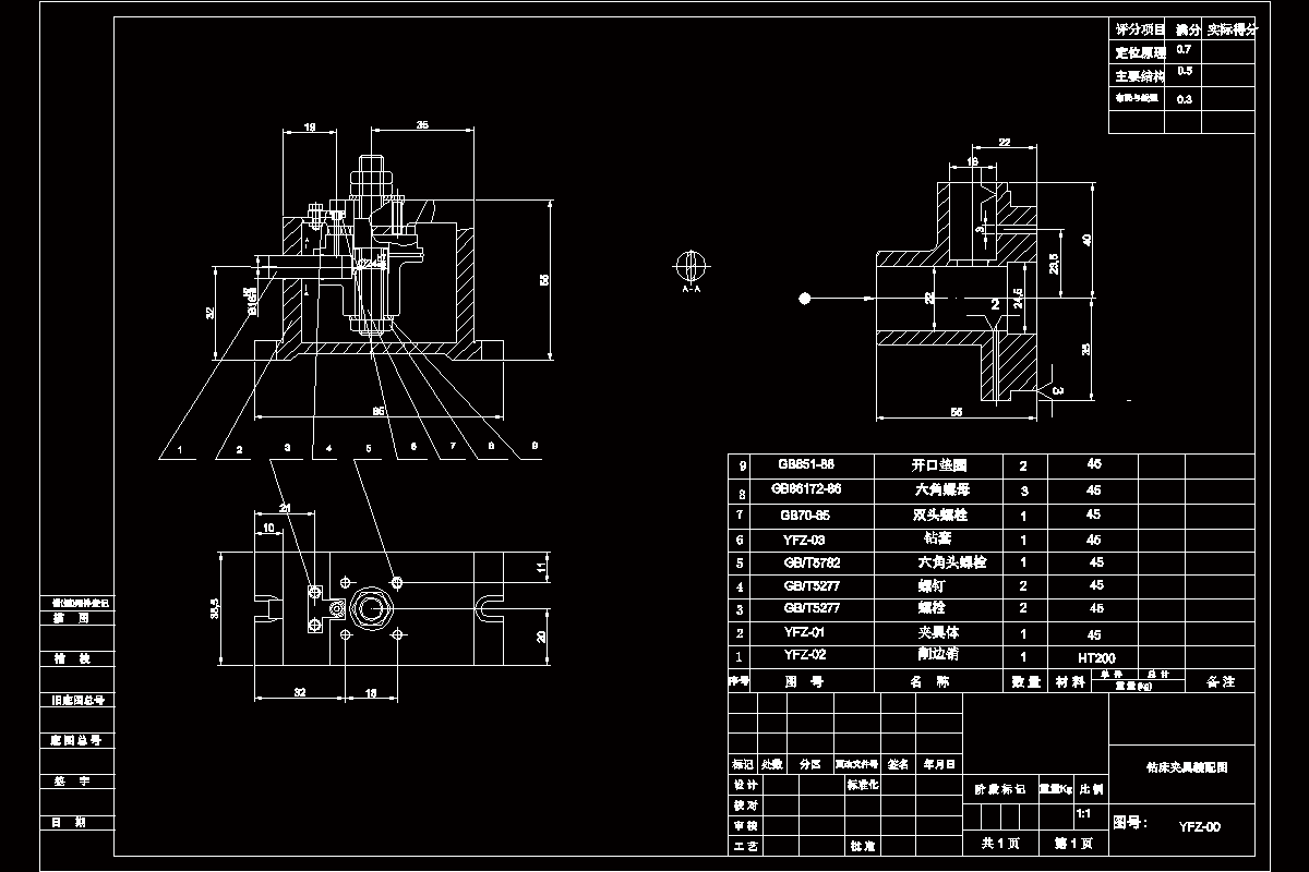
第3章阀座钻Φ3孔专用夹具设计12

3.1总体方案设计12

3.2定位分析及误差计算12

3.2.1定位分析12

3.2.2定位误差分析13

3.2.3夹紧机构设计与夹紧力计算13

3.3选择钻头磨钝标准耐用度14

3.4油阀座夹紧操作动作说明14

设计心得15

参考文献16

温馨提示:

1、题目前面的备注【字母数字编号】为本站整理分类的编号,与课题内容无关,请选题时忽视;

2、若题目上备注三维,则表示文件里包含三维源文件,由于三维组成零件数量较多,为保证预览截图的简洁性,本站将三维文件夹进行了打包。三维及CAD预览截图,均为本站电脑打开软件进行截图的,保证能够打开,下载原件超高清,下载后解压即可;

3、本站所有资源如无特殊说明,都需要本地电脑安装Office2007。图纸软件为AutoCAD,PROE,UG,SolidWorks,CATIA等;

4、本站所有图文资料仅供用户学习参考,不作为任何商用或其他用途;
5、本站不保证下载资源的准确性、安全性和完整性, 不包修改,不支持退换,同时也不承担用户因使用这些下载资源对自己和他人造成任何形式的伤害或损失;

6、 下载文件中如有侵权或不适当内容,请与我们联系,我们立即纠正。


线